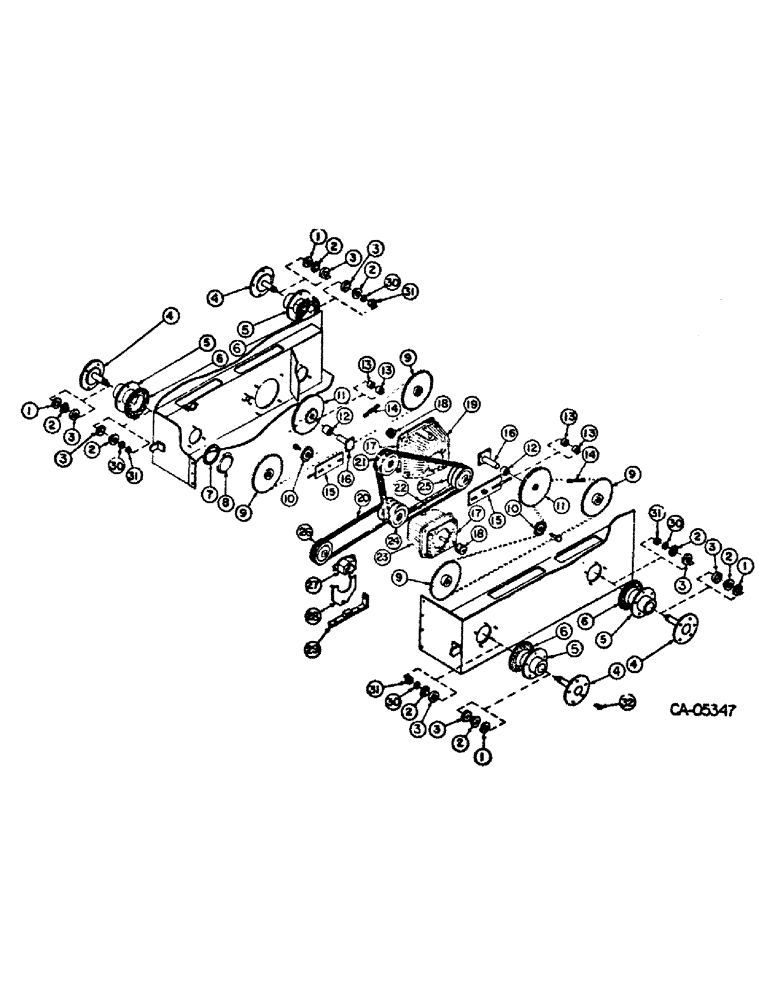
Запчасти Case 4120 (07-1) - DRIVE TRAIN, DRIVE AXLE - FRT & REAR (04) - Drive Train

Схема запчастей Case 4120 - (07-1) - DRIVE TRAIN, DRIVE AXLE - FRT & REAR (04) - Drive Train
FIT
1:1
100%

Артикул

Название

Примечание

Количество

1

72587C1

SEAL

4шт.

2

618023R91

BEARING ASSY,34.93mm ID x 18.2mm W

BEARING, wheel - cone

8шт.

3

618024R1

BEARING CUP,65.113mm OD x 13.97mm W

Wheel

8шт.

4

72415C1

SHAFT, axle

4шт.

5

72416C1

HUB, frame

4шт.

120378

NUT,Hex, 1/2" - 13, Gr 5

NUT, 1/2"-13, G5

20шт.

120384

WASHER,1/2"

LOCK, 1/2"

20шт.

6

72417C1

GASKET, frame hub

4шт.

7

72073C1

GASKET, axle cover

4шт.

8

72074C1

COVER, axle

4шт.

120377

NUT,3/8" - 16, Gr 5

12шт.

120382

LOCK WASHER,Helical Spring, 3/8"

WASHER, LOCK, 3/8"

12шт.

9

72420C1

SPROCKET, axle

4шт.

10

72421C1

SPROCKET ASSY.

SPROCKET, idler

2шт.

11

72422C1

GEAR, bull & sprocket

2шт.

12

72423C1

BUSHING, bull gear

2шт.

13

572181R91

NEEDLE BEARING,Needle, 38.09mm ID x 47.64mm OD x 25.4mm W

needle

4шт.

14

NSS

NOT SOLD SEPARAT

CHAIN, drive, Use 127 links from 10 ft. roll of chain marked 611362R91

2шт.

574532R91

CLIP, SPRING

LINK - connector

2шт.

612612R91

CHAIN LINK

LINK, offset

2шт.

15

72424C1

PLATE, chain tightener

2шт.

73458C1

SCREW

idler sprocket

2шт.

120377

NUT,3/8" - 16, Gr 5

4шт.

120382

LOCK WASHER,Helical Spring, 3/8"

WASHER, LOCK, 3/8"

4шт.

120378

NUT,Hex, 1/2" - 13, Gr 5

NUT, 1/2"-13, G5

4шт.

16

72425C1

SHAFT, bull gear

2шт.

72360C1

GASKET

2шт.

120377

NUT,3/8" - 16, Gr 5

8шт.

120382

LOCK WASHER,Helical Spring, 3/8"

WASHER, LOCK, 3/8"

8шт.

17

72426C1

GASKET

hydrostatic motor

2шт.

18

72427C1

GEAR, pinion

2шт.

267805R1

RING

retaining

2шт.

19

NSS

NOT SOLD SEPARAT

MOTOR ASSY, hydrostatic, RH, Refer to hydraulic and hydrostatic systems

1шт.

20

72579C1

BELT

1шт.

21

72405C1

PULLEY, jackshaft, Refer to engine and mounting

1шт.

NSS

NOT SOLD SEPARAT

HUB, Refer to engine and mounting

1шт.

22

72591C1

BELT

Drive

2шт.

23

NSS

NOT SOLD SEPARAT

MOTOR ASSY, hydrostatic, LH, Refer to hydraulic and hydrostatic systems

1шт.

24

72430C1

PULLEY ASSY, LH hydro drive

1шт.

124548

WOODRUFF KEY,#8, 5/32" x 3/4", HT

KEY, 5/32 x 3/4 Woodruff no. 8

1шт.

25

72431C1

PULLEY ASSY, RH hydro drive

1шт.

124548

WOODRUFF KEY,#8, 5/32" x 3/4", HT

KEY, 5/32 x 3/4 Woodruff no. 8

1шт.

26

72593C1

PULLEY, hyd pump drive

1шт.

72429C1

HUB

1шт.

413-412

BOLT,Hex, 1/4" - 20 x 3/4", Gr 5

2шт.

492-11025

LOCK WASHER,1/4"

WASHER, LOCK, 1/4"

2шт.

27

NSS

NOT SOLD SEPARAT

PUMP ASSY, hydraulic, Refer to hydraulic and hydrostatic systems

1шт.

28

72432C1

BRACKET, pump mount

1шт.

120382

LOCK WASHER,Helical Spring, 3/8"

WASHER, LOCK, 3/8"

2шт.

120377

NUT,3/8" - 16, Gr 5

2шт.

29

72433C1

BRACKET, pump

1шт.

18479R1

CARRIAGE BOLT,Sq Nk, 3/8" - 16 x 2", Gr 2

BOLT, 3/8-16 x 2 znd sq nk car.

1шт.

120377

NUT,3/8" - 16, Gr 5

5шт.

120382

LOCK WASHER,Helical Spring, 3/8"

WASHER, LOCK, 3/8"

3шт.

180126

BOLT,Hex, 3/8" - 16 x 1 1/2", Gr 5

SCREW, 3/8-16 x 1-1/2 znd hex-hd cap

2шт.

30

72594C1

WASHER, brg adj

4шт.

31

427640

SLOTTED NUT,3/4"-16, G5

NUT, 3/4-16 znd slt hex

4шт.

103387

COTTER PIN,1/8" x 1 1/2"

Pin, Split (Cotter), 1/8" x 1 1/2"

4шт.

32

364451R1

BOLT,9/16" - 18 x 1 7/32"

20шт.

Выбрано товаров: 59