Запчасти Case 4130 (12-01) - POWER, CYLINDER BLOCK (04) - Drive Train

Схема запчастей Case 4130 - (12-01) - POWER, CYLINDER BLOCK (04) - Drive Train
25
38
48
10
6
35
46
20
39
34
11
41
27
9
22
21
45
49
13
29
3
28
5
23
42
36
44
26
18
31
26
28
16
27
17
8
47
2
43
24
15
4
30
18
12
33
40
32
7
1
14
37
19
30
29
33
FIT
1:1
100%

Артикул

Название

Примечание

Количество

74968C91

ENGINE ASSEMBLY

ENGINE ASSY, complete, Replaces 73280C91

1шт.

1

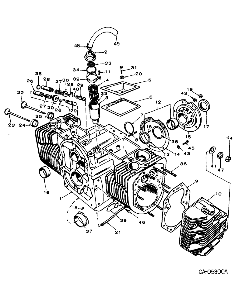
74027C91

BLOCK ASSY, cyl, Includes ref. nos. 3, 7, 8, 12 std, 13, 14, 15, 16, 17, 18, 19, 21, 24 std, 25 std, 26, 35, 36, 37 std, 42, 43 & 45

1шт.

For 4130 loaders with serial numbers 170 & below.

1шт.

1

75302C91

BLOCK ASSY, cyl, Includes ref. nos. 3, 7, 8, 12 std, 13, 14, 15, 16, 17, 18, 19, 21, 24, std, 25 std, 26, 35, 36, 37 std, 42, 43 & 45

1шт.

For 4130 loaders with serial numbers 171 & above.

1шт.

2

74028C1

CAP, breather valve

1шт.

3

74029C1

TUBE, breather 1.12 - 1-13" OD, 2.5" Length

1шт.

4

74030C1

BAFFLE, breather tube

1шт.

5

74031C1

COVER, valve compartment

2шт.

6

74032C1

GASKET

valve cover

2шт.

7

74033C1

PLUG

expansion

1шт.

8

74034C1

STUD, brg plate mtg

5шт.

9

79303C1

GASKET

cyl hd, Replaces 74035C1

2шт.

10

74036C1

HEAD, cyl, right side

1шт.

For 4130 loaders with serial numbers 170 & below.

1шт.

10

74037C1

HEAD, cyl, left side

1шт.

For 4130 loaders with serial numbers 170 & below.

1шт.

10

75303C1

HEAD, cyl, right side

1шт.

For 4130 loaders with serial numbers 171 & above.

1шт.

10

75304C1

HEAD

cyl, left side

1шт.

For 4130 loaders with serial numbers 171 & above.

1шт.

11

74038C1

SCREW, no 8 x 3/4 r/hd tap

1шт.

12

74039C1

CRANKSHAFT BEARING

crankshaft rear - std

1шт.

12

74040C1

CRANKSHAFT BEARING

crankshaft rear - .002 u/s

1шт.

12

74041C1

BEARING

crankshaft rear - .010 u/s

1шт.

12

74042C1

CRANKSHAFT BEARING

crankshaft rear - .020 u/s

1шт.

12

74043C1

CRANKSHAFT BEARING

crankshaft rear - .030 u/s

1шт.

13

74044C1

WASHER

crankshaft brg thrust

1шт.

14

74045C1

GASKET

brg plate

1шт.

15

74046C1

LARGE PLATE

PLATE, brg rear

1шт.

16

74047C1

CAMSHAFT BEARING

camshaft

2шт.

17

74048C1

SEAL

SEAL, crankshaft oil

1шт.

18

74049C1

PIN

brg stop

4шт.

19

25523R1

NUT,3/8"-24, G8

3/8-NF phc type 8

5шт.

20

74050C1

WASHER, 17/64 x 7/16 x 1/32 cop

2шт.

21

74051C1

TUBE, crankcase oil

1шт.

22

74052C1

VALVE, intake

2шт.

23

74053C1

VALVE

exhaust

2шт.

24

74054C1

INSERT, exhaust valve seat - std

2шт.

24

74055C1

INSERT, exhaust valve seat - .002 o/s

2шт.

24

74056C1

INSERT, exhaust valve seat - .005 o/s

2шт.

24

74057C1

INSERT, exhaust valve seat - .010 o/s

2шт.

24

74058C1

INSERT

exhaust valve seat - .025 o/s

2шт.

25

74059C1

INSERT, intake valve seat - std

2шт.

25

74060C1

INSERT, intake valve seat - .002 o/s

2шт.

25

74061C1

INSERT, intake valve seat - .005 o/s

2шт.

25

74062C1

INSERT, intake valve seat - .010 o/s

2шт.

25

74063C1

INSERT, intake valve seat - .025 o/s

2шт.

26

74064C1

GUIDE, intake valve

2шт.

For 4130 loaders with serial numbers 170 & below.

1шт.

26

74065C1

GUIDE, exhaust valve

2шт.

For 4130 loaders with serial numbers 170 & below.

1шт.

26

74065C1

GUIDE, valve

4шт.

For 4130 loaders with serial numbers 171 & above.

1шт.

27

74066C1

SPRING

valve

4шт.

28

74067C1

LOCK

valve spring

8шт.

29

74068C1

TAPPET

valve - std

4шт.

29

74069C1

TAPPET

valve - .005 o/s

4шт.

For 4130 loaders with serial numbers 170 & below.

1шт.

29

75305C1

TAPPET, valve - .005 o/s

4шт.

For 4130 loaders with serial numbers 171 & above.

1шт.

30

74070C1

CAP

ROTATOR, valve

4шт.

31

25491R1

BOLT,Hex, 1/4" - 20 x 2", Gr 8

1/4 x 2 phc type 8

2шт.

32

74071C1

CLAMP

breather tube

1шт.

33

74072C1

SCREEN

breather tube

2шт.

34

74073C1

SEAL, breather tube o-ring

1шт.

35

74074C1

GASKET

intake valve guide

2шт.

36

74075C1

STUD

cyl hd mtg - 1-7/8

8шт.

36

74076C1

STUD, cyl hd mtg - 2-5/16

12шт.

For 4130 loaders with serial numbers 170 & below.

1шт.

36

75306C1

STUD

cyl hd mtg - 2-7/16

12шт.

For 4130 loaders with serial numbers 171 & above.

1шт.

36

79305C1

STUD

cyl hd step, For repair of stripped studs (Or as required)

1шт.

37

74077C1

CRANKSHAFT BEARING

crankshaft flanged sleeve - std

1шт.

37

74078C1

CRANKSHAFT BEARING

crankshaft flanged sleeve - .002 o/s

1шт.

37

74079C1

CRANKSHAFT BEARING

crankshaft flanged sleeve - .010 u/s

1шт.

37

74080C1

CRANKSHAFT BEARING

crankshaft flanged sleeve - .020 u/s

1шт.

37

74081C1

CRANKSHAFT BEARING

crankshaft flanged sleeve - .030 u/s

1шт.

38

74082C1

SHIM

crankshaft thrust

1шт.

39

74083C1

THRUST, timing pointer

1шт.

For 4130 loaders with serial numbers 170 & below.

1шт.

40

74084C1

SEAL

SEAL, intake valve spring

2шт.

For 4130 loaders with serial numbers 170 & below.

1шт.

40

75307C1

SEAL, intake valve spring

2шт.

For 4130 loaders with serial numbers 171 & above.

1шт.

41

74085C1

WASHER

cyl hd mtg

20шт.

42

74086C1

WASHER, brg plate mtg

5шт.

43

74087C1

WASHER

WASHER, copper

2шт.

44

25523R1

NUT,3/8"-24, G8

3/8-NF phc type 8

20шт.

45

24838R1

BOLT,Hex, 3/8" - 16 x 1/2", Gr 8

Hex, 3/8"-16 x 1/2" G8, Full Thd

2шт.

46

74088C1

SCREW

self locking hex washer hd

1шт.

For 4130 loaders with serial numbers 170 & below.

1шт.

47

74089C1

WASHER, compression cyl hd mtg

20шт.

For 4130 loaders with serial numbers 170 & below.

1шт.

47

75308C1

WASHER

compression cyl hd mtg

20шт.

For 4130 loaders with serial numbers 171 & above.

1шт.

48

75309C1

CLAMP, breather hose

2шт.

For 4130 loaders with serial numbers 171 & above.

1шт.

49

75310C1

HOSE, breather

1шт.

For 4130 loaders with serial numbers 171 & above.

1шт.

Выбрано товаров: 100