Запчасти Case 4130 (10-14) - HYDRAULICS, HYDROSTATIC MOTOR ASSY (07) - HYDRAULICS

Схема запчастей Case 4130 - (10-14) - HYDRAULICS, HYDROSTATIC MOTOR ASSY (07) - HYDRAULICS
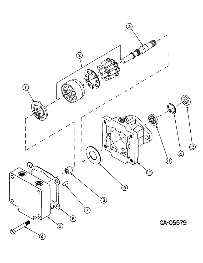
6
10
4
13
3
2
8
1
11
7
12
9
5
FIT
1:1
100%

Артикул

Название

Примечание

Количество

73347C91

MOTOR ASSY, hydrostatic

1шт.

1

394864R1

PLATE, valve

1шт.

2

405178R93

KIT

cylinder block

1шт.

3

138096C1

SHAFT

motor

1шт.

4

179848

BOLT,Hex, 3/8" - 16 x 2 1/4", Gr 5

4шт.

5

NSS

NOT SOLD SEPARAT

Furnish motor assy 73347C91

1шт.

6

138099C1

GASKET

end cap

1шт.

7

398460R1

PIN, cyl. block

1шт.

8

394867R91

BEARING, ROLLER,0.6693" ID x 0.937" OD x 0.625"

BEARING, center housing

1шт.

9

138098C1

LARGE PLATE

PLATE, thrust

1шт.

10

NSS

NOT SOLD SEPARAT

Furnish motor assy 73347C91

1шт.

11

394846R91

ROLLER BEARING,1.2683" ID x 2.0472" OD x 0.5906"

motor shaft

1шт.

12

456736R1

SNAP RING,2.062", Int, #206

RING, retaining

1шт.

13

138097C1

SEAL

lip

1шт.

9410359

PLUG

3/4-16 str thd hex

1шт.

167266

O-RING,0.116" Thk x 0.924" ID, -912, Cl 6, 90 Duro

1/2 OD tube

1шт.

Выбрано товаров: 16