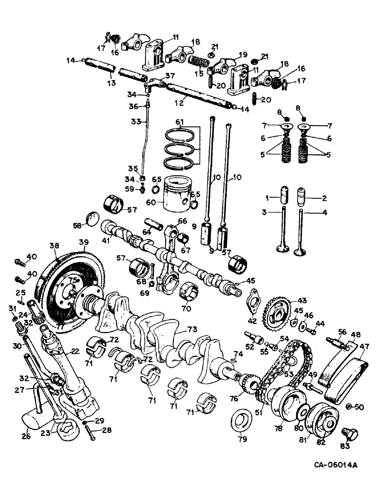
Запчасти Case 4140 (12-03) - CAMSHAFT AND CRANKSHAFT ASSEMBLY, CHRYSLER ENGINE (04) - Drive Train

Схема запчастей Case 4140 - (12-03) - CAMSHAFT AND CRANKSHAFT ASSEMBLY, CHRYSLER ENGINE (04) - Drive Train
FIT
1:1
100%

Артикул

Название

Примечание

Количество

1

75263C1

GUIDE

valve intake, std

4шт.

1

75264C1

GUIDE, valve intake, .001 o/s

4шт.

1

75265C1

GUIDE, valve intake, .003 o/s

4шт.

2

75266C1

GUIDE

valve exhaust, std

4шт.

2

75267C1

GUIDE, valve exhaust, .001 o/s

4шт.

2

75268C1

GUIDE, valve exhaust, .003 o/s

4шт.

75269C1

SEAT, exhaust valve insert, std

4шт.

3

75270C1

VALVE

intake

4шт.

4

75271

VALVE, exhaust

4шт.

5

75272C1

SPRING, valve

8шт.

6

75273C1

SEAL

valve stem

8шт.

75274C1

COLLAR

valve spring

8шт.

7

75275C1

SPRING

CUP, valve

8шт.

8

75276C1

LOCK, valve

16шт.

9

75277C1

TAPPET, valve, std

8шт.

9

75278C1

TAPPET, valve, .001 o/s

8шт.

9

75279C1

TAPPET, valve, .005 o/s

8шт.

10

75280C1

ROD, valve push

8шт.

11

75281C1

BRACKET, rocker arm shaft

4шт.

12

75282C1

SHAFT, rocker arm front

1шт.

13

75283C1

SHAFT, rocker arm rear

1шт.

14

75284C1

PLUG, rocker shaft end

2шт.

15

75285C1

SPRING, rocker arm shaft inner

2шт.

16

75286C1

SPRING, rocker arm shaft outer

4шт.

17

75287C1

CLIP, rocker arm shaft

4шт.

18

75288C1

ARM, rocker, number 1, 3, 5 and 7

4шт.

19

75289C1

ARM, rocker, number 2, 4, 6 and 8

4шт.

20

75290C1

SCREW, rocker arm adjusting

8шт.

21

75291C1

NUT, rocker arm adjusting screw

8шт.

22

75292C91

PUMP

ASSY, oil

1шт.

75300C1

BOLT, Serial Range: pump-block

2шт.

75301C1

WASHER

2шт.

23

75293C1

SHAFT AND ROTOR, part of pump assy 75292C91

1шт.

24

75294C1

GEAR, pump drive, part of pump assy 75292C91

1шт.

25

75295C1

PIN, pump drive gear, part of pump assy 75292C91

2шт.

26

75555C1

SCREEN, oil pump

1шт.

27

75296C1

NUT, oil pump screen lock

1шт.

28

75297C1

BOLT, oil pump cover to oil, pump body, part of pump assy 75292C91

2шт.

28

75298C1

BOLT, oil pump cover to oil, pump body, part of pump assy 75292C91

1шт.

29

75299C1

WASHER, oil pump cover bolt, part of pump assy 75292C91

3шт.

30

75487C1

PIPE, oil pump to cyl block

1шт.

31

75489C1

COLLAR, compression

2шт.

32

75488C1

NUT, pipe

2шт.

33

75490C1

PIPE, rocker arm shaft oil

1шт.

34

75491C1

COLLAR, compression

2шт.

35

75492C1

NUT, pipe lower

1шт.

36

75493C1

NUT, pipe upper

1шт.

37

75494C1

ADAPTER, rocker arm shaft

1шт.

38

75495C91

FLYWHEEL ASSEMBLY WITH RING GEAR

1шт.

39

75496C1

GEAR, starter ring, part of flywheel assy 75495C91

1шт.

40

75497C1

BOLT, Serial Range: flywheel-crankshaft

4шт.

41

75498C1

CAMSHAFT

1шт.

42

75499C1

PLATE, camshaft thrust

1шт.

75229C1

BOLT, camshaft thrust plate

2шт.

75500C1

WASHER

2шт.

43

75501C1

GEAR

camshaft

1шт.

75502C1

KEY, camshaft gear

1шт.

44

75244C1

BOLT, camshaft gear

1шт.

45

75504C1

WASHER

camshaft gear

1шт.

46

75505C1

WASHER, camshaft gear, special

1шт.

47

75506C1

TENSIONER, timing chain

1шт.

48

75507C1

BLADE, timing chain tensioner

1шт.

49

75508C1

PIN, blade to cyl block

1шт.

50

75509C1

WASHER, blade pin

1шт.

51

75510C1

CHAIN (AG)

CHAIN, timing

1шт.

52

75511C1

ADAPTER, oil jet pipe

1шт.

75512C1

SPRING, oil feed

1шт.

75513C1

BALL, adapter

1шт.

53

75514C1

PIPE, oil jet

1шт.

54

75515C1

NUT, retainer

1шт.

55

75516C1

COLLAR, compression

1шт.

56

75517C1

PEDESTAL

1шт.

57

75518C91

SET

BEARING SET, camshaft

1шт.

58

75519C1

DISC, camshaft sealing

1шт.

59

75520C1

UNION, lube tube

1шт.

60

75521C91

PISTON

complete, std

4шт.

60

75522C91

PISTON, complete, .030 O/S

4шт.

61

145696C1

SET

piston ring, std, Replaces 75523C1, 75525C1 & 75527C1

1шт.

61

145697C1

RING

SET, piston ring, .030 O/S, Replaces 75524C1, 75526C1 & 75528C1

1шт.

64

75529C1

PIN, piston, std

4шт.

64

75530C1

PIN, piston, .003 O/S

4шт.

65

75531C1

RING, piston pin retaining

8шт.

66

75532C1

ROD

connecting

4шт.

67

75533C1

BUSHING

connecting rod

4шт.

68

75534C1

BOLT

connecting rod

8шт.

69

75535C1

NUT, connecting rod bolt

8шт.

70

75536C91

SET

BEARING SET, connecting rod, std, 8 halves

1шт.

70

75537C91

SET

BEARING SET, connecting rod, .020 u/s, 8 halves

1шт.

70

75538C91

SET

BEARING SET, connecting rod, .040 u/s, 8 halves

1шт.

71

75539C91

SET

BEARING SET, main, std, 10 halves

1шт.

71

75540C91

SET

BEARING SET, main, .020 U/S, 10 halves

1шт.

71

75541C91

BEARING SET, main, .040 U/S, 10 halves

1шт.

72

75542C91

WASHER

thrust set, std, 2 halves

1шт.

72

75543C91

WASHER, thrust set, .005 O/S, 2 halves

1шт.

73

75544C1

CRANKSHAFT

1шт.

74

75545C1

KEY, crankshaft gear

1шт.

75

75546C1

BUSHING, crankshaft

1шт.

76

75547C1

GEAR

crankshaft

1шт.

77

75548C1

DOWL, flywheel

1шт.

78

75549C1

PULLEY, crankshaft

1шт.

43828D

WASHER,49.21mm ID x 70.64mm OD x 4.76mm Thk

1.938 x 2.781 x .188 felt

1шт.

79

75550C1

SLINGER

oil

1шт.

80

75551C1

SPACER

1шт.

81

75552C1

PULLEY

governor drive

1шт.

82

75553C1

PILOT, governor drive pulley

1шт.

83

75554C1

BOLT, crankshaft drive pulley

1шт.

If engine part not available from CaseIH, try Industrial Irrigation for parts. Phone: 402-463-1377. Located in Hastings, NE.

1шт.

Выбрано товаров: 107