Запчасти Case 4140 (12-23) - CAMSHAFT, ISUZU ENGINE (04) - Drive Train

Схема запчастей Case 4140 - (12-23) - CAMSHAFT, ISUZU ENGINE (04) - Drive Train
FIT
1:1
100%

Артикул

Название

Примечание

Количество

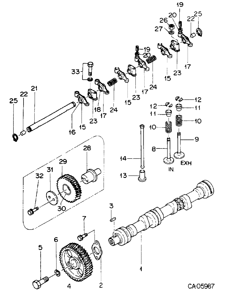
1

74885C1

CAMSHAFT

1шт.

2

72977C1

PLATE, camshaft thrust

1шт.

3

72974C1

KEY

1шт.

4

72973C1

GEAR, camshaft

1шт.

5

72975C1

BOLT, camshaft gear

1шт.

6

72976C1

WASHER, camshaft gear

1шт.

7

74887C1

BOLT, camshaft thrust plate

2шт.

8

72984C1

VALVE

intake

3шт.

9

72985C1

VALVE

exhaust

3шт.

10

72986C1

SPRING, valve, outer

6шт.

11

72988C1

SEAT ASSY, spring

6шт.

12

72989C1

RETAINER, spring

12шт.

13

72990C1

TAPPET

6шт.

14

72991C1

ROD, push

6шт.

15

73072C91

ARM ASSY, rocker

3шт.

16

73073C1

BUSHING, rocker arm, Furnished as part of 73072C91

3шт.

17

73074C91

ARM ASSY, rocker

3шт.

18

73073C1

BUSHING, rocker arm, Furnished as part of 73074C91

3шт.

19

72995C1

SCREW, adjusting

6шт.

20

72996C1

NUT, adjusting

6шт.

21

74888C1

SHAFT, rocker arm

1шт.

22

72998C1

PLUG, rocker shaft end

2шт.

23

72999C1

BRACKET, rocker shaft

3шт.

24

73066C1

SPRING, rocker shaft

2шт.

25

73067C1

RING, snap

2шт.

26

74889C1

NUT, rocker bracket

2шт.

27

73071C1

WASHER, rocker shaft bracket

2шт.

28

72979C1

SHAFT, idler gear

1шт.

29

72980C91

GEAR W/BUSHING, idler

1шт.

30

72981C1

BUSHING, idler gear

1шт.

31

72982C1

COLLAR, thrust

1шт.

32

72983C1

BOLT, idler gear

2шт.

33

74890C1

BOLT, rocker bracket

4шт.

73071C1

WASHER, rocker shaft bracket

4шт.

Выбрано товаров: 34