Запчасти Case 4140 (17-01) - LOADER BOOM (05) - SUPERSTRUCTURE

Схема запчастей Case 4140 - (17-01) - LOADER BOOM (05) - SUPERSTRUCTURE
FIT
1:1
100%

Артикул

Название

Примечание

Количество

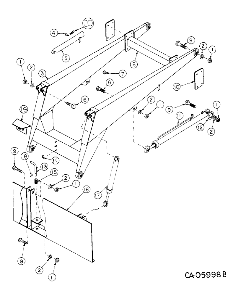
1

25531R1

NUT,1"-8, G8

1 phc type 8

12шт.

2

492-11100

LOCK WASHER,1"

WASHER, LOCK, 1"

12шт.

3

75125C1

ARM ASSY, boom

1шт.

16982R91

FITTING

1/4 lub

4шт.

271771

HOUSING,Hex, 3/4" - 10 x 2", Gr 5

3/4 x 2 type 5

2шт.

280954

NUT,3/4"-10, G5

2шт.

4

27874R1

HEADED PIN,3/8" x 3"

PIN, headed

1шт.

180192

BOLT (SPREADER),Hex, 1/2" - 13 x 3 1/2", Gr 5

BOLT, 1/2 x 3-1/2 type 5

1шт.

120381

WASHER

3/8 lt lock

1шт.

120378

NUT,Hex, 1/2" - 13, Gr 5

NUT, 1/2"-13, G5

1шт.

5

73367C91

PACKAGE, cylinder lockout bracket

1шт.

72533C1

DECAL

PRODUCT GRAPHIC, cylinder lockout caution

1шт.

6

25741R1

BOLT,Hex, 1" - 8 x 4", Gr 8

1 x 4 phc type 8

4шт.

7

72652C1

CLAMP

4шт.

492-11025

LOCK WASHER,1/4"

WASHER, LOCK, 1/4"

4шт.

120375

NUT,Hex, 1/4" - 20, Gr 5

4шт.

8

75126C1

ARM, cross bar

1шт.

75127C1

SHIM, crossbar, Use 2 (Or as required)

2шт.

9

26720R1

BOLT,Hex, 1" - 8 x 5", Gr 8

1 x 5 phc type 8

8шт.

10

75128C1

PLATE, retainer

2шт.

180194

BOLT,Hex, 1/2" - 13 x 4", Gr 5

1/2 x 4 type 5

8шт.

120381

WASHER

3/8 lt lock

8шт.

120378

NUT,Hex, 1/2" - 13, Gr 5

NUT, 1/2"-13, G5

8шт.

11

75131C91

CYLINDER ASSY, lift, Refer to lift cylinder assy for service parts

2шт.

12

72126C1

RING, lift cyl, spacer

2шт.

13

73210C1

ROD

lock

2шт.

14

120875

CLAMP, hose

2шт.

492-11025

LOCK WASHER,1/4"

WASHER, LOCK, 1/4"

2шт.

120375

NUT,Hex, 1/4" - 20, Gr 5

2шт.

15

72122C1

SPRING

2шт.

16

75129C1

SUPPORT, easy tach, plate

1шт.

17

75136C91

CYLINDER

ASSY, tilt, Refer to tilt cylinder assy for service parts

2шт.

18

576485R1

LOCK PIN,1/4" x 1 1/4", Slotted

2шт.

19

77282C1

SHIELD, front tubing

1шт.

120388

.438 x 1.000 x .064

2шт.

120382

LOCK WASHER,Helical Spring, 3/8"

WASHER, LOCK, 3/8"

2шт.

120377

NUT,3/8" - 16, Gr 5

2шт.

20

586591R1

COTTER PIN

PIN, 1/8 QA cotter

1шт.

Выбрано товаров: 38