Запчасти Case 4140 (10-04) - AUXILIARY CONTROL VALVE AND FRONT MOUNT (07) - HYDRAULICS

Схема запчастей Case 4140 - (10-04) - AUXILIARY CONTROL VALVE AND FRONT MOUNT (07) - HYDRAULICS
FIT
1:1
100%

Артикул

Название

Примечание

Количество

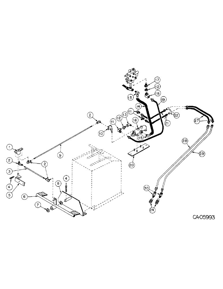
1

73339C1

ARM, pivot 31.75" Length

1шт.

2

72212C1

END ASSY.

END, 5/16 rod

4шт.

9413936

NUT,5/16"-24, GA

5/16-NF phc p/t lock type 1

4шт.

3

73252C1

ROD, front

1шт.

120368

NUT,5/16"-24, G5

2шт.

4

103384

COTTER PIN,1/8" x 3/4"

Pin, Split (Cotter), 1/8" x 3/4"

1шт.

5

75149C1

SUPPORT, foot pedal, pivot

1шт.

86505867

BOLT,Hex, 1/4" - 20 x 1", Gr 5

2шт.

492-11025

LOCK WASHER,1/4"

WASHER, LOCK, 1/4"

2шт.

120375

NUT,Hex, 1/4" - 20, Gr 5

1шт.

6

73394C1

PEDAL, foot

1шт.

7

73395C1

BUSHING

1шт.

8

73396C1

PIVOT, foot pedal

1шт.

9

75150C1

ROD, side

1шт.

120368

NUT,5/16"-24, G5

2шт.

10

72484C1

HANDLE

1шт.

72485C1

PIN W/RETAINER

1шт.

11

72298C1

ELBOW

3шт.

12

217-45

REDUCER,3/4" - 14 NPTF x 1/2" - 18 Fem NPTF

adapter, pipe 3/4"-14 NPTF x 1/2"-18 Fem NPTF

2шт.

13

141621

ELBOW,90 Degree, 3/4" NPT Street

3/4 90 deg street

1шт.

14

NSS

NOT SOLD SEPARAT

HOSE, mcv to aux valve, Use 7-1/2 in. from 25 ft. roll marked 180720C1

1шт.

27723R1

HOSE CLAMP,#16, .81/1.50 Type F Worm, W/liner

CLAMP, #16 hose

2шт.

15

74648C1

ELBOW

2шт.

16

72180C91

VALVE ASSY, aux control, Refer to aux valve assy for service parts

1шт.

120388

.438 x 1.000 x .064

4шт.

120382

LOCK WASHER,Helical Spring, 3/8"

WASHER, LOCK, 3/8"

4шт.

120377

NUT,3/8" - 16, Gr 5

4шт.

17

73343C91

KIT, power beyond conversion sleeve

1шт.

18

73465C1

ELBOW

1шт.

19

407435R1

HOSE

ASSY

1шт.

20

72303C1

PLATE, aux valve mtg

1шт.

413-1216

BOLT,Hex, 3/4" - 10 x 1", Gr 5

3/4 x 1 type 5

2шт.

21

407435R1

HOSE

ASSY, aux valve

2шт.

22

140813

COUPLING,1/2" NPT

1/2 pipe

2шт.

24

72299C1

COUPLING, female

2шт.

72305C1

COUPLING, male

2шт.

75154C1

CAP

2шт.

75155C1

PLUG

2шт.

27

72102C1

HOSE ASSY, Serial Range: tubing-connector

2шт.

28

75158C1

TUBE ASSY, outside

1шт.

29

75159C1

TUBE ASSY, inside 0.5" OD, 60.375" Length

1шт.

72652C1

CLAMP, tubing

2шт.

120875

CLAMP, conduit hose

4шт.

120382

LOCK WASHER,Helical Spring, 3/8"

WASHER, LOCK, 3/8"

2шт.

120377

NUT,3/8" - 16, Gr 5

2шт.

120375

NUT,Hex, 1/4" - 20, Gr 5

2шт.

492-11025

LOCK WASHER,1/4"

WASHER, LOCK, 1/4"

2шт.

30

347522R91

ELBOW UNION

ELBOW

2шт.

Выбрано товаров: 48