Запчасти Case 4140 (10-07) - CONTROL VALVE (07) - HYDRAULICS

Схема запчастей Case 4140 - (10-07) - CONTROL VALVE (07) - HYDRAULICS
FIT
1:1
100%

Артикул

Название

Примечание

Количество

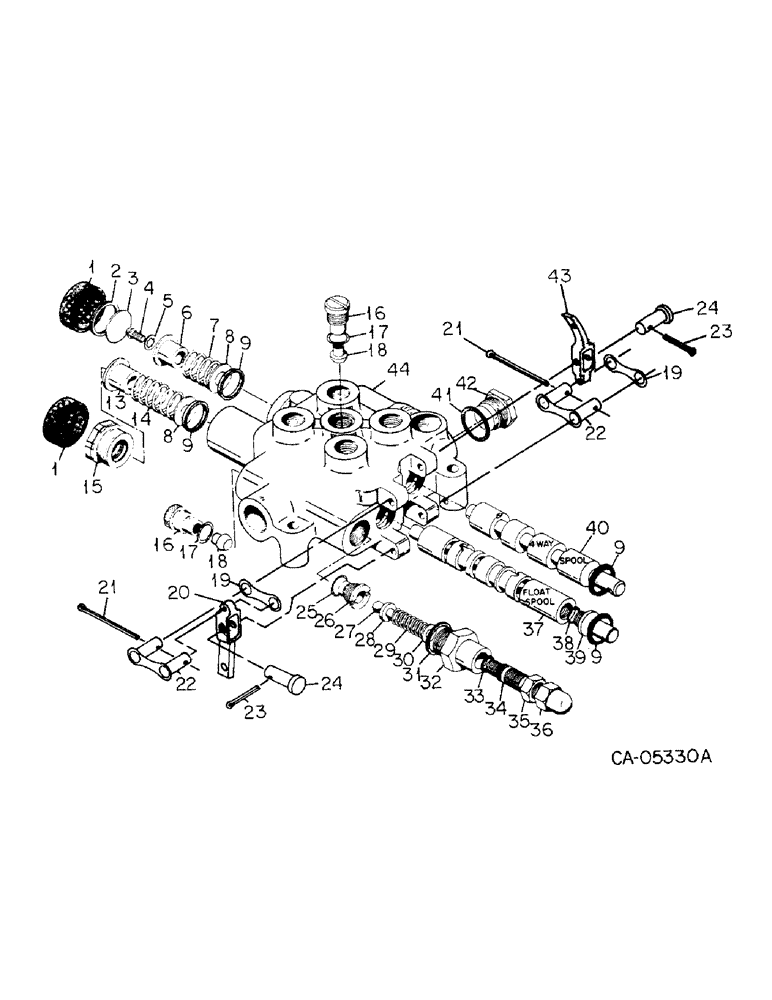
73342C91

VALVE ASSY, control

1шт.

1

663034R1

CYLINDER END CAP

BOOT, rubber

2шт.

2

663025R1

OIL SEAL

RING, retaining

1шт.

3

663023R1

CAP

DISC, stop

1шт.

4

669535R1

BOLT, spring

1шт.

5

120423

LOCK WASHER,Int Tooth, 0.267" ID x 0.478" OD x 0.028"

WASHER, LOCK, Int Tooth, 1/4"

1шт.

6

663022R1

COLLAR

stop

1шт.

7

663024R1

SPRING

centering

1шт.

8

63828C1

WASHER, stop

2шт.

9

72486C1

SEAL

4шт.

13

635966R1

COLLAR

float spring

1шт.

14

851456C1

SPRING

float centering

1шт.

15

72489C1

PLUG, detent w/brass washers

1шт.

16

72490C1

PLUG, check ball

2шт.

387134R1

VALVE SPRING

SPRING, check plug

2шт.

17

72518C1

O-RING

2шт.

18

72491C1

POPPET, check

2шт.

19

72492C1

RETAINER, chain link

2шт.

20

72493C1

HANDLE, float spool control

1шт.

21

32-432

COTTER PIN,1/16" x 2"

1/16 x 1-1/2 pln cot

2шт.

22

72494C1

LINK, handle retainer chain

2шт.

23

432-68

COTTER PIN,3/32" x 1/2"

Pin, Split (Cotter), 3/32" x 1/2"

2шт.

24

669537R1

PIN, control handle

2шт.

25

72519C1

O-RING

1шт.

26

380362R1

SEAT

relief valve

1шт.

27

72495C1

BALL

relief valve

1шт.

28

635785R1

SPACER

ball

1шт.

29

72496C1

SPRING

relief

1шт.

30

72497C1

WASHER

relief spring

1шт.

31

72498C1

GASKET

1шт.

32

663030R1

BODY, relief valve

1шт.

33

355966R1

O-RING,0.424" ID x 0.103" Width

1шт.

34

663031R1

SCREW, adjusting

1шт.

35

72499C1

NUT

jam

1шт.

36

131663

NUT, 5/8 hi-crown stl

1шт.

37

NSS

NOT SOLD SEPARAT

SPOOL, float, Not serviced separately order valve assy

1шт.

38

72500C1

SEAL, float spool adapter

1шт.

39

72501C1

ADAPTER, float spool

1шт.

40

NSS

NOT SOLD SEPARAT

SPOOL, 4-way, Not serviced separately order valve assy

1шт.

41

73447C1

GASKET

1шт.

42

73448C1

PLUG, conversion

1шт.

43

72502C1

HANDLE

4-way spool control

1шт.

44

NSS

NOT SOLD SEPARAT

BODY, valve, Not serviced separately order valve assy

1шт.

72503C1

SEAL KIT

seal, Includes seal 72486C1 and seal tool

1шт.

72504C1

KIT, float repair

1шт.

72505C91

KIT

relief valve, consists of ref 25 thru 36

1шт.

Выбрано товаров: 46