Запчасти Case 4150 (07-05) - DRIVE TRAIN, HYDRAULIC AND HYDROSTATIC CONTROLS, LOADER (04) - Drive Train

Схема запчастей Case 4150 - (07-05) - DRIVE TRAIN, HYDRAULIC AND HYDROSTATIC CONTROLS, LOADER (04) - Drive Train
FIT
1:1
100%

Артикул

Название

Примечание

Количество

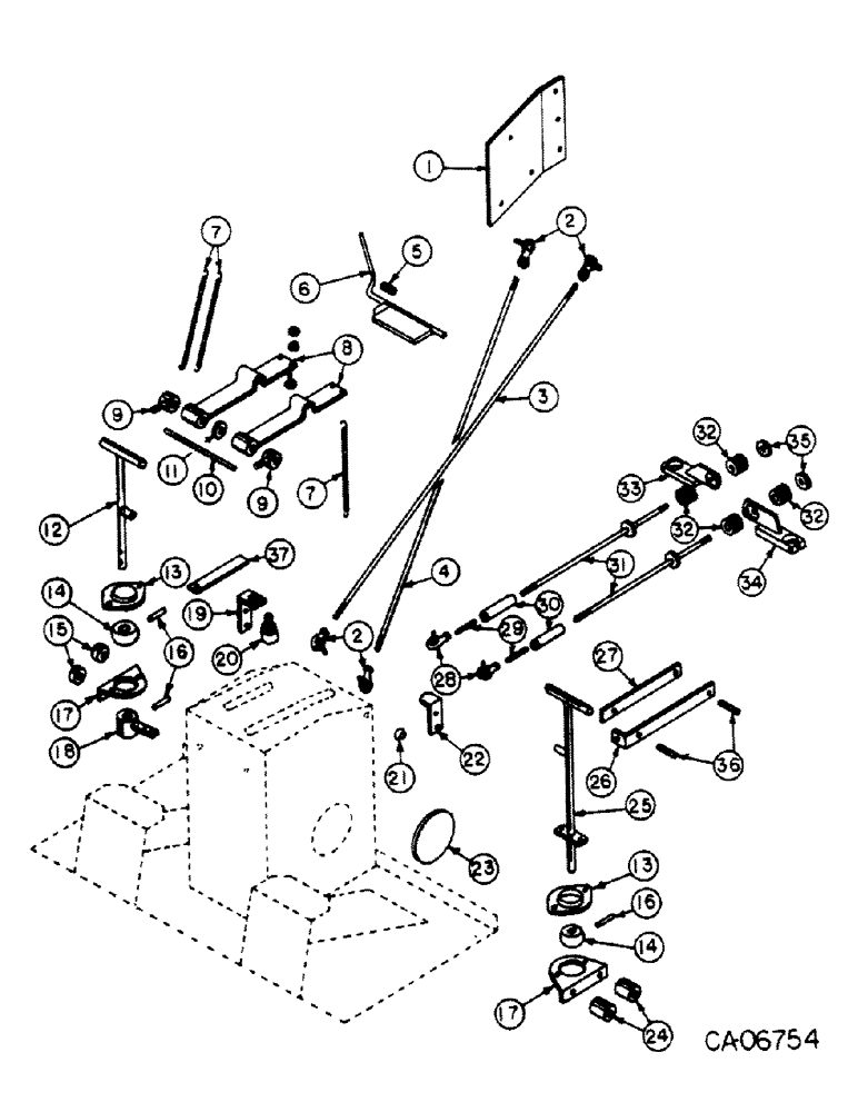
1

73858C1

SUPPORT, control valve, mount

1шт.

120382

LOCK WASHER,Helical Spring, 3/8"

WASHER, LOCK, 3/8"

3шт.

120377

NUT,3/8" - 16, Gr 5

3шт.

2

72212C1

END ASSY.

END, rod

4шт.

274558

FAN SWITCH

5/16-NF phc p/t lock type 5

4шт.

3

73860C1

ROD, tilt

1шт.

120368

NUT,5/16"-24, G5

2шт.

4

73859C1

ROD, lift

1шт.

120368

NUT,5/16"-24, G5

2шт.

5

75472C1

SPRING, tension, short

1шт.

6

76486C1

LEVER, control lock

1шт.

7

77804C1

SPRING, tension

3шт.

8

76471C1

ARM, control lock

2шт.

413-412

BOLT,Hex, 1/4" - 20 x 3/4", Gr 5

2шт.

120375

NUT,Hex, 1/4" - 20, Gr 5

2шт.

9

76466C1

PIVOT, lock arm

2шт.

120377

NUT,3/8" - 16, Gr 5

4шт.

10

76467C1

ROD, lock arm pivot

1шт.

103385

COTTER PIN,1/8" x 1"

PIN, SPLIT (COTTER), 1/8" x 1"

2шт.

120393

BEARING WASHER,5/16", SAE

WASHER, .344 x .688 x .051

2шт.

11

127530H1

SPACER

lock arm

1шт.

12

77805C1

LEVER, hyd control

1шт.

72210C1

GRIP

handle

2шт.

13

77806C1

RETAINER

2шт.

14

77807C1

BUSHING

BALL, pivot

2шт.

15

73907C1

BUSHING

2шт.

16

617057R1

PIN,1/4" x 1", Coiled

3шт.

17

77808C1

SUPPORT

ball

2шт.

598803R1

CARRIAGE BOLT,Short NK, 5/16"-18 x 1", G5, Full Thd

BOLT, 5/16 x 1 crg type 5

4шт.

80681

LOCK WASHER,5/16"

WASHER, LOCK, 5/16"

4шт.

120376

NUT,5/16"-18, G5

4шт.

18

77809C1

ARM, pivot

1шт.

19

72672C1

SUPPORT, neutral start switch

1шт.

598796R1

CARRIAGE BOLT,Sht Sq Nk, 1/4" - 20 x 1", Gr 5

BOLT, 1/4 x 1 crg type 5

2шт.

492-11025

LOCK WASHER,1/4"

WASHER, LOCK, 1/4"

2шт.

120375

NUT,Hex, 1/4" - 20, Gr 5

2шт.

20

NSS

NOT SOLD SEPARAT

SWITCH, neutral start, Serial Range: Refer-electrical

1шт.

21

77536C1

NUT, cap

1шт.

23

77810C1

COVER

2шт.

24

154397C1

SPACER,5/8" Tube x 1 1/4"

3/8 x 1.250

2шт.

113-233

BOLT,Hex, 3/8" - 16 x 1-3/4", Gr 5

2шт.

120394

WASHER,3/8", SAE

WASHER, .406 x .812 x .051

2шт.

120377

NUT,3/8" - 16, Gr 5

2шт.

25

77811C1

LEVER, drive control

1шт.

72210C1

GRIP

handle

2шт.

26

72024C1

BAR, friction, mounted

1шт.

413-412

BOLT,Hex, 1/4" - 20 x 3/4", Gr 5

1шт.

120392

WASHER,1/4", SAE

.281 x .625 x .051

1шт.

120375

NUT,Hex, 1/4" - 20, Gr 5

1шт.

27

72023C1

BAR, friction, loose

1шт.

413-432

1/4 x 2 type 5

2шт.

120392

WASHER,1/4", SAE

.281 x .625 x .051

2шт.

120377

NUT,3/8" - 16, Gr 5

2шт.

120375

NUT,Hex, 1/4" - 20, Gr 5

2шт.

28

72213C1

END

3/8 rod

2шт.

9413953

LOCK NUT,3/8"-16, GB

NUT, 3/8 phc p/t lock type 5

2шт.

29

77812C1

STUD

2шт.

30

77813C1

UNION

adjusting

2шт.

31

77814C1

ROD, drive

2шт.

120369

NUT,3/8"-24, G5

2шт.

32

138540C1

SPRING

compression

4шт.

33

77815C1

LEVER, drive, RH

1шт.

452779R1

KEY,1/4" Sq x 3/4", Par

1/4 x 3/4 sq. parallel

1шт.

180188

BOLT,Hex, 1/2" - 13 x 2 3/4", Gr 5

1/2 x 2-3/4 type 5

1шт.

120378

NUT,Hex, 1/2" - 13, Gr 5

NUT, 1/2"-13, G5

2шт.

34

77816C1

LEVER, drive, LH

1шт.

452779R1

KEY,1/4" Sq x 3/4", Par

1/4 x 3/4 sq. parallel

1шт.

180188

BOLT,Hex, 1/2" - 13 x 2 3/4", Gr 5

1/2 x 2-3/4 type 5

1шт.

120378

NUT,Hex, 1/2" - 13, Gr 5

NUT, 1/2"-13, G5

2шт.

35

72166C1

THRUST WASHER

thrust

2шт.

36

77817C1

SPRING, compression

2шт.

37

77738C1

BAR, actuator

1шт.

Выбрано товаров: 72