Запчасти Case 4150 (07-09) - DRIVE TRAIN, HYDRAULIC PUMP DRIVE, LOADER, DIESEL, LOADER, GAS (04) - Drive Train

Схема запчастей Case 4150 - (07-09) - DRIVE TRAIN, HYDRAULIC PUMP DRIVE, LOADER, DIESEL, LOADER, GAS (04) - Drive Train
FIT
1:1
100%

Артикул

Название

Примечание

Количество

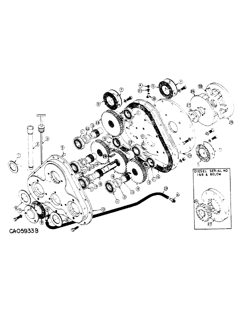
1

73292C1

WASHER, lift pump, 14 ga, Or as required

1шт.

73293C1

WASHER

lift pump, 18 ga, Or as required

1шт.

2

73889C1

TUBE, dipstick

1шт.

3

75124C1

GAUGE

dipstick, Start Serial: 136

1шт.

3

73890C1

GAUGE, dipstick, Serial Range: 107-135

1шт.

4

73418C1

BREATHER

1шт.

5

19962R1

DOWEL,3/8" x 3/4"

PIN, 3/8 x .750 pln hdn dowel

2шт.

6

73891C1

WASHER, hydro pump thrust, 14 ga

2шт.

73892C1

WASHER

hydro pump thrust, 18 ga, Or as required

2шт.

7

72072C1

COVER

idler

4шт.

120382

LOCK WASHER,Helical Spring, 3/8"

WASHER, LOCK, 3/8"

12шт.

113-206

BOLT,Hex, 3/8" - 16 x 3/4", Gr 5, Full Thd

3/8 x 3/4 type 5

12шт.

8

72071C1

GASKET

cover

4шт.

9

74759C1

ELBOW

1шт.

10

73893C1

HOUSING, pump drive

1шт.

180124

BOLT,Hex, 3/8" - 16 x 1 1/4", Gr 5

3/8 x 1-1/4 type 5

14шт.

120377

NUT,3/8" - 16, Gr 5

14шт.

11

ST204A

BALL BEARING,35mm ID x 71.99mm OD x 17mm W

BEARING, ball

8шт.

12

73894C1

BUSHING

output

2шт.

13

73895C1

COUPLING

SHAFT, pump drive pinion

3шт.

14

73896C1

GEAR

output

2шт.

15

73308C1

THRUST WASHER

spacer, 10 ga

3шт.

73309C1

THRUST WASHER

spacer, 14 ga

3шт.

77020C1

WASHER

spacer, 18 ga, Or as required

3шт.

16

73897C1

GASKET

pump drive housing

1шт.

17

73898C1

BUSHING, front input

1шт.

18

76815C1

SHAFT

input, Diesel, Serial Range: -168

1шт.

18

77903C1

SHAFT, input, Diesel, Start Serial: 169

1шт.

19

73900C1

GEAR

input

1шт.

20

73901C1

BUSHING

rear input

1шт.

21

73936C1

SEAL

input

1шт.

22

73902C1

BUSHING, hyd pump output

1шт.

23

73903C1

GEAR

pump drive

1шт.

24

73904C1

RETAINER, adapter plate

1шт.

120382

LOCK WASHER,Helical Spring, 3/8"

WASHER, LOCK, 3/8"

12шт.

180122

BOLT,Hex, 3/8" - 16 x 1", Gr 5

3/8 x 1 type 5

12шт.

120384

WASHER,1/2"

LOCK, 1/2"

6шт.

180175

BOLT,Hex, 1/2" - 13 x 1 1/4", Gr 5

1/2 x 1-1/4 type 5

6шт.

25

76816C1

GEAR

drive

1шт.

120382

LOCK WASHER,Helical Spring, 3/8"

WASHER, LOCK, 3/8"

8шт.

180126

BOLT,Hex, 3/8" - 16 x 1 1/2", Gr 5

3/8 x 1-1/2 type 5, Diesel, Serial Range: -168

8шт.

25

77900C1

PLATE, drive

1шт.

61-33820

HEX SOC SCREW,3/8"-16 x 1 1/4"

SCREW, 3/8 x 1-1/4 pln h/shd cap, Diesel, Start Serial: 169

4шт.

26

76817C1

GEAR

driven, Diesel, Serial Range: -168

1шт.

26

77901C1

PLATE, driven, Diesel, Start Serial: 169

1шт.

27

76818C1

KIT

locking hub

1шт.

180081

BOLT,Hex, 5/16"-18 x 1 1/4", G5

3шт.

28

581306R1

KEY,5/16" Sq x 1 1/4", Par

1шт.

29

NSS

NOT SOLD SEPARAT

HOSE, pump drive drain, Use 46 in. from 50 ft. roll marked 526602R1

1шт.

27860R1

HOSE CLAMP,#06, .44/.78 Type F Worm, W/liner

CLAMP, number 6 hose

2шт.

30

74760C1

CONNECTOR

1шт.

31

127875

ADAPTER,3/8" NPT Male x 1/8" NPT Fem

3/8-1/8 reducing pipe

1шт.

32

120063

BOLT,Hex, M8 x 80, 8.8

3/8-90 degree street

1шт.

33

77902C1

INSERT

drive

1шт.

474517C2

GASKET

FLUID, gasket eliminator, 50cc, Replaces 138545C1

1шт.

77899C91

KIT, drive coupling conversion, Diesel, Serial Range: -168

1шт.

Выбрано товаров: 56