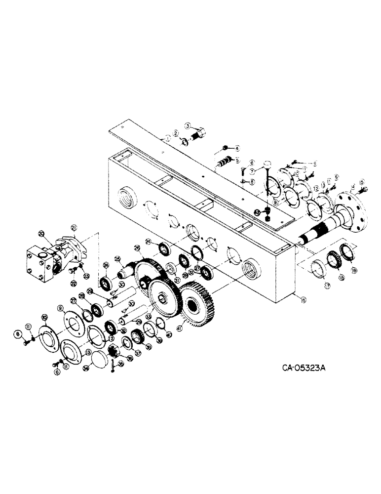
Запчасти Case 4150 (07-11) - 72068C91 - DRIVE TRAIN, DRIVE AXLE - FRONT AND REAR LOADER (04) - Drive Train

Схема запчастей Case 4150 - (07-11) - 72068C91 - DRIVE TRAIN, DRIVE AXLE - FRONT AND REAR LOADER (04) - Drive Train
FIT
1:1
100%

Артикул

Название

Примечание

Количество

72068C91

CASE ASSY, gear

2шт.

1

72069C1

BAR, gear case, cover, Loader serial no. 106 and below, diesel, Loader serial no. 136 and below, gas

1шт.

1

74762C1

COVER

BAR, gear case, cover, RH, Loader serial no. 107 and above, diesel, Loader serial no. 137 and above, gas

1шт.

1

74763C1

BAR, gear case, cover, LH, Loader serial no. 107 and above, diesel, Loader serial no. 137 and above, gas

1шт.

2

492-11100

LOCK WASHER,1"

WASHER, LOCK, 1"

12шт.

3

26719R1

BOLT,Hex, 1" - 8 x 1 3/4", Gr 8

SCREW, 1-8 x 1-3/4 znd hex-hd cap

12шт.

4

444703

PLUG,Hex Soc, 1/2"-14

1/2 npt hex-soc-hd drain

2шт.

5

72070C1

PLUG

2шт.

6

180122

BOLT,Hex, 3/8" - 16 x 1", Gr 5

3/8-16 x 1 znd hex-hd cap

64шт.

7

72217C1

BREATHER, Loader serial no. 106 and below, diesel, Loader serial no. 136 and below, gas

2шт.

7

74764C1

GAGE, gear case oil, dipstick, Loader serial no. 107 and above, diesel, Loader serial no. 137 and above, gas

2шт.

8

120394

WASHER,3/8", SAE

WASHER, .406 x .812 x .051 znd pln

10шт.

9

72071C1

GASKET

primary cover

10шт.

10

72072C1

COVER

idler

10шт.

11

120382

LOCK WASHER,Helical Spring, 3/8"

WASHER, LOCK, 3/8"

64шт.

12

72073C1

GASKET, side cover

8шт.

13

72074C1

COVER, secondary idler

8шт.

14

72075C1

AXLE

4шт.

15

364451R1

BOLT,9/16" - 18 x 1 7/32"

lug

32шт.

16

72076C1

HOUSING, side case

2шт.

17

928330C1

BEARING CUP,110mm OD x 17.46mm W

CUP, outer wheel bearing

4шт.

18

928331C91

ROLLER BEARING,69.98mm ID x 25mm W

CONE, outer wheel bearing

4шт.

19

72218C1

SEAL

wheel

4шт.

20

NSS

NOT SOLD SEPARAT

MOTOR, drive, Refer to hydrostatic motor assy, For list of components

2шт.

21

72264C1

GASKET

motor

2шт.

22

180175

BOLT,Hex, 1/2" - 13 x 1 1/4", Gr 5

SCREW, 1/2-13 x 1-1/4 znd hex-hd cap

4шт.

23

120384

WASHER,1/2"

LOCK, 1/2"

4шт.

24

ST215

BEARING, BALL,40 mm ID x 80 mm OD x 18 mm

BEARING, pinion

4шт.

25

72077C1

GEAR, input, pinion

2шт.

26

72078C1

GEAR, primary cluster

4шт.

27

72079C1

RING, primary, spacer

8шт.

28

ST205A

BEARING, BALL,35 mm ID x 72 mm OD x 17 mm

BEARING, primary idler

8шт.

29

72080C1

SHAFT

idler

8шт.

30

124553

WOODRUFF KEY,#15, 1/4" x 1", HT

8шт.

31

72081C1

BUSHING, primary gear, spacer

4шт.

32

72219C91

BEARING, secondary idler

8шт.

33

72082C1

GEAR, secondary idler

4шт.

34

72083C1

COVER, axle

4шт.

35

108556

KEY, 7/32 x 3 cot

4шт.

36

72084C1

NUT, axle

4шт.

37

72085C1

THRUST WASHER

thrust

4шт.

38

533726R91

BEARING

CONE, inner wheel bearing

4шт.

39

533727R1

BEARING, CUP

CUP, inner wheel bearing

4шт.

40

513008R1

SNAP RING

RING, retaining

4шт.

41

72086C1

GEAR

final

4шт.

42

175778H1

ADAPTER

1/2-3/8 reducing pipe, Loader serial no. 107 and above, diesel, Loader serial no. 137 and above, gas

2шт.

Выбрано товаров: 46