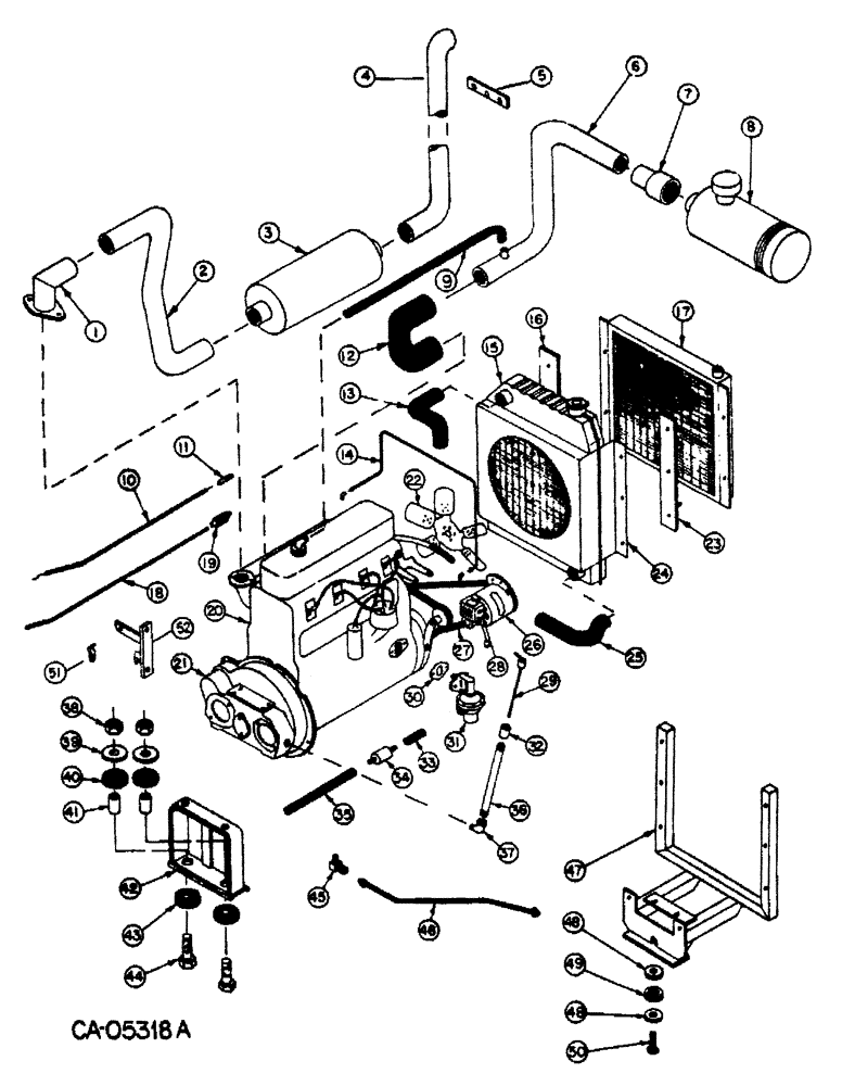
Запчасти Case 4150 (12-39) - POWER ENGINE AND MOUNTING, GASOLINE, FORD ENGINE (04) - Drive Train

Схема запчастей Case 4150 - (12-39) - POWER ENGINE AND MOUNTING, GASOLINE, FORD ENGINE (04) - Drive Train
21
9
48
4
19
41
22
29
11
49
16
36
13
12
14
31
7
30
17
27
24
47
8
26
6
39
1
10
44
28
30
46
33
32
45
5
34
3
38
25
37
42
48
40
20
2
43
52
15
35
23
18
51
FIT
1:1
100%

Артикул

Название

Примечание

Количество

1

72046C1

ELBOW, exhaust, adapter

1шт.

180126

BOLT,Hex, 3/8" - 16 x 1 1/2", Gr 5

SCREW, 3/8-16 x 1-1/2 znd hex-hd cap

2шт.

120382

LOCK WASHER,Helical Spring, 3/8"

WASHER, LOCK, 3/8"

2шт.

72248C1

GASKET, exhaust pipe

1шт.

2

72035C1

TUBE, exhaust, pipe, Includes clamps

1шт.

72249C1

CLAMP

muffler

2шт.

3

72250C1

MUFFLER, exhaust

1шт.

4

72809C1

TUBE, tail, pipe, Includes clamp

1шт.

72249C1

CLAMP

tail pipe

1шт.

5

72808C1

BAR, tail pipe, bracket, Includes screw, washer, nut and clamp

1шт.

180138

BOLT,Hex, 3/8" - 16 x 3", Gr 5

SCREW, 3/8-16 x 3 znd hex-hd cap

1шт.

120382

LOCK WASHER,Helical Spring, 3/8"

WASHER, LOCK, 3/8"

1шт.

120377

NUT,3/8" - 16, Gr 5

1шт.

72249C1

CLAMP

tail pipe

1шт.

6

72042C1

TUBE, air inlet, pipe

1шт.

7

72251C1

HOSE

reducer, Includes hose clamp's #32 and #40

1шт.

401345R1

HOSE CLAMP,#40, 2.06/3.00 Type F Worm, W/liner

CLAMP, hose #40

1шт.

681209C1

HOSE CLAMP,#32, 1.56/2.50 Type F Worm, W/liner

CLAMP, hose #32

1шт.

8

72252C91

CLEANER ASSY., air, consists of element, washer, screw, clamp, baffle cup, cap and pre-cleaner

1шт.

72253C1

ELEMENT

air cleaner

1шт.

72254C1

WASHER, gasket

1шт.

72255C1

SCREW, thumb

1шт.

72256C1

CLAMP

1шт.

72257C1

BAFFLE

1шт.

72258C1

CUP

1шт.

72259C1

CAP, air stack

1шт.

72260C1

PRE-CLEANER, optional

1шт.

9

NSS

NOT SOLD SEPARAT

HOSE, vent, Use 26-1/2 in. from 50 ft. roll marked, 117724C1

1шт.

10

72033C1

CABLE, choke

1шт.

11

72045C1

CLIP, choke cable

1шт.

12

72094C1

CONNECTOR, hose, Includes hose clamp #32

1шт.

681209C1

HOSE CLAMP,#32, 1.56/2.50 Type F Worm, W/liner

CLAMP, hose #32

2шт.

13

72261C1

HOSE, upper radiator, Includes hose clamp #24

1шт.

27724C1

CLAMP, hose #24

2шт.

14

NSS

NOT SOLD SEPARAT

TUBE ASSY., pump to carburetor, See your local Ford ind. dealer, Includes elbows

1шт.

72263C1

ELBOW

2шт.

15

NSS

NOT SOLD SEPARAT

RADIATOR ASSY., See your local Ford ind. dealer, Includes clamp, cap and cock

1шт.

72249C1

CLAMP

tail pipe

1шт.

72265C1

CAP

radiator

1шт.

103647

VALVE

COCK, drain

1шт.

16

72047C1

BAR, oil cooler, R.H. mount, Includes screws, washers and nuts

1шт.

113-257

BOLT,Hex, 3/8" - 16 x 2-1/2", Gr 5

SCREW, 3/8-16 x 2-1/2 znd hex-hd cap

3шт.

120382

LOCK WASHER,Helical Spring, 3/8"

WASHER, LOCK, 3/8"

3шт.

120394

WASHER,3/8", SAE

WASHER, .406 x .812 x .051 znd pln

3шт.

120377

NUT,3/8" - 16, Gr 5

3шт.

17

NSS

NOT SOLD SEPARAT

COOLER, oil, Refer to hydraulic system, Includes nuts and washers

1шт.

120377

NUT,3/8" - 16, Gr 5

4шт.

120382

LOCK WASHER,Helical Spring, 3/8"

WASHER, LOCK, 3/8"

4шт.

18

72044C1

ROD, throttle, Includes end and nuts

1шт.

72266C1

END

1/4 rod

1шт.

120367

NUT,Hex, 1/4" - 28, Gr 5

1/4-20 znd hex

3шт.

19

NSS

NOT SOLD SEPARAT

SPRING, governor, See your local Ford ind. dealer

1шт.

20

NSS

NOT SOLD SEPARAT

ENGINE, Ford 172 GF, See your local Ford. ind. dealer for service parts

1шт.

21

NSS

NOT SOLD SEPARAT

HOUSING, drive, Refer to drive axle

1шт.

22

NSS

NOT SOLD SEPARAT

FAN, See your local Ford ind. dealer

1шт.

23

72048C1

BAR, oul cooler, L.H. mount, Includes screws, washers and nuts

1шт.

113-257

BOLT,Hex, 3/8" - 16 x 2-1/2", Gr 5

SCREW, 3/8-16 x 2-1/2 znd hex-hd cap

3шт.

120382

LOCK WASHER,Helical Spring, 3/8"

WASHER, LOCK, 3/8"

3шт.

120394

WASHER,3/8", SAE

WASHER, .406 x .812 x .051 znd pln

3шт.

120377

NUT,3/8" - 16, Gr 5

3шт.

24

72040C1

SHROUD, radiator, Includes screws

1шт.

24367R1

SCREW, 6-20 x 1/2 znd cr-rec-pan-hd tap

12шт.

25

72267C1

HOSE

lower radiator

1шт.

27337R1

HOSE CLAMP,#28, 1.31/2.25 Type F Worm, W/liner

CLAMP, hose #28

1шт.

27724R1

HOSE CLAMP,#24, 1.06/2.00 Type F Worm, W/liner

CLAMP, hose #24

1шт.

26

NSS

NOT SOLD SEPARAT

ALTERNATOR-GENERATOR

1шт.

27

72098C1

V-BELT, 0.54" W, Alternator 0.54" W

1шт.

28

NSS

NOT SOLD SEPARAT

REGULATOR, Refer to electrical unit

1шт.

29

73298C1

GAUGE, pump drive, dipstick

1шт.

30

NSS

NOT SOLD SEPARAT

GASKET, fuel pump, See your local Ford ind. dealer

1шт.

31

NSS

NOT SOLD SEPARAT

PUMP, fuel, See your local Ford ind. dealer, Includes screws and elbows

1шт.

180122

BOLT,Hex, 3/8" - 16 x 1", Gr 5

3/8-16 x 1 znd hex-hd cap

2шт.

72270C1

ELBOW

barb nipple

2шт.

32

111661

COUPLING,3/4" NPT

3/4 pipe

1шт.

33

72043C1

HOSE, fuel, Includes hose clamps

1шт.

72271C1

CLAMP, hose

2шт.

34

72272C1

FILTER

gasoline

1шт.

35

72101C1

HOSE, fuel, Includes hose clamps

1шт.

72271C1

CLAMP, hose

2шт.

36

72051C1

PIPE, dipstick, Includes: Refs. 37 and 38

1шт.

37

141621

ELBOW,90 Degree, 3/4" NPT Street

3/4-90 degree pipe street

1шт.

38

9413956

LOCK NUT,1/2"-13, GB

NUT, 1/2-13 phc hex. lock

1шт.

39

72157C1

WASHER, retainer

2шт.

40

72158C1

MOUNT, rubber

2шт.

41

72159C1

BUSHING

2шт.

42

72049C1

SUPPORT, engine, front, mount, Includes screws and washers

1шт.

271547

STUD,Hex, 5/8" - 11 x 1 1/2", Gr 5

SCREW, 5/8-11 x 1-1/2 znd hex-hd cap

2шт.

492-11062

BEARING WASHER,5/8"

WASHER, LOCK, 5/8"

2шт.

396-21066

WASHER,16.66mm ID x 33.33mm OD x 4.27mm Thk

.656 x 1.32 x .074 znd pln

2шт.

999567C91

SEALANT, loctite, 2CC tube

1шт.

43

72158C1

MOUNT, rubber

2шт.

44

180194

BOLT,Hex, 1/2" - 13 x 4", Gr 5

SCREW, 1/2-13 x 4 znd hex-hd cap

2шт.

45

72273C1

ADAPTER, oil pan

1шт.

46

363716R91

HOSE ASSY., oil drain, Includes plug

1шт.

444703

PLUG,Hex Soc, 1/2"-14

1/2-14 auto hex-soc-hd drain

1шт.

47

72156C1

SUPPORT, motor, rear, Includes screws, washers, nut and bushing

1шт.

NLS

NO LONGER SERVICED

SCREW, 5/8 znd hex-hd cap

2шт.

492-11062

BEARING WASHER,5/8"

WASHER, 5/8 znd reg lock

2шт.

180175

BOLT,Hex, 1/2" - 13 x 1 1/4", Gr 5

SCREW, 1/2-13 x 1-1/4 znd hex-hd cap

2шт.

120384

WASHER,1/2"

LOCK, 1/2"

2шт.

495-11053

WASHER,1/2", SAE

.531x

2шт.

9413956

LOCK NUT,1/2"-13, GB

NUT, 1/2-13 phc hex lock

2шт.

72159C1

BUSHING

1шт.

48

72157C1

WASHER, retainer

2шт.

49

72158C1

MOUNT, rubber

1шт.

50

180194

BOLT,Hex, 1/2" - 13 x 4", Gr 5

SCREW, 1/2-13 x 4 znd hex-hd cap

1шт.

51

72032C1

TAB, choke cable retainer, Includes bolt and nut

1шт.

413-412

BOLT,Hex, 1/4" - 20 x 3/4", Gr 5

1шт.

9413950

LOCK NUT,1/4"-20, GB

NUT, 1/3 phc p/t lock type 5

1шт.

52

72034C1

BRACKET, choke and throttle stop, Includes bolt and washers

1шт.

86505867

BOLT,Hex, 1/4" - 20 x 1", Gr 5

1шт.

492-11025

LOCK WASHER,1/4"

WASHER, LOCK, 1/4"

1шт.

120392

WASHER,1/4", SAE

.281 x .625 x .051

1шт.

Выбрано товаров: 113