Запчасти Case 4150 (12-51) - POWER, ENGINE AND MOUNTING, DIESEL, LOADER, ISUZU ENGINE (04) - Drive Train

Схема запчастей Case 4150 - (12-51) - POWER, ENGINE AND MOUNTING, DIESEL, LOADER, ISUZU ENGINE (04) - Drive Train
FIT
1:1
100%

Артикул

Название

Примечание

Количество

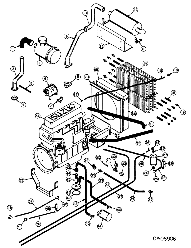
1

72252C91

CLEANER ASSY, air

1шт.

72253C1

ELEMENT

air cleaner

1шт.

72254C1

WASHER, gasket

1шт.

72255C1

SCREW, thumb

1шт.

72256C1

CLAMP ASSY

1шт.

72257C1

BAFFLE ASSY

1шт.

72258C1

CUP ASSY

1шт.

72259C1

CAP, air stack

1шт.

72260C1

FILTER, precleaner, optional

1шт.

2

73862C1

HOSE, air inlet

1шт.

681209C1

HOSE CLAMP,#32, 1.56/2.50 Type F Worm, W/liner

CLAMP, #32 hose

1шт.

995222R1

CLAMP

#36 hose

1шт.

3

73863C1

PIPE, air inlet

1шт.

73928C1

BOLT, air inlet pipe

2шт.

80681

LOCK WASHER,5/16"

WASHER, LOCK, 5/16"

2шт.

4

73864C1

GASKET, air inlet

1шт.

5

NSS

NOT SOLD SEPARAT

HOSE, air inlet breather, Use 5 in. form 50 ft. roll marked 427685C1

1шт.

2790025R91

CLAMP, #6 hose

2шт.

6

NSS

NOT SOLD SEPARAT

ALTERNATOR ASSY, Refer to electrical unit

1шт.

7

73865C1

SUPPORT, alternator, bracket

1шт.

73929C1

WASHER, alternator bracket

2шт.

73930C1

BOLT, alternator bracket

2шт.

8

73866C1

GASKET, exhaust

1шт.

9

78156C1

PIPE, exhaust, lower

1шт.

73931C1

BOLT, exhaust pipe

3шт.

120383

LOCK WASHER,Helical Spring, 7/16"

WASHER, LOCK, 7/16"

3шт.

10

78157C1

PIPE, exhaust, upper

1шт.

72249C1

CLAMP

exhaust

1шт.

11

76478C1

ANGLE, exhaust, bracket

2шт.

120394

WASHER,3/8", SAE

WASHER, .406 x .812 x .051

4шт.

120382

LOCK WASHER,Helical Spring, 3/8"

WASHER, LOCK, 3/8"

4шт.

120377

NUT,3/8" - 16, Gr 5

4шт.

12

76477C1

MUFFLER

exhaust

1шт.

72249C1

CLAMP

muffler

2шт.

13

76476C1

BAFFLE, heat

1шт.

14

78158C1

COOLER

oil

6шт.

15

78159C1

HOSE, vent

1шт.

27860R1

HOSE CLAMP,#06, .44/.78 Type F Worm, W/liner

CLAMP, #6 hose

2шт.

16

72221C1

ELBOW

1шт.

17

75322C1

CONNECTOR

1шт.

18

NSS

NOT SOLD SEPARAT

HOSE, oil cooler, Use 5 in from 50 ft roll marked 73200C1

12шт.

27861R1

HOSE CLAMP,#10, .56/1.06 Type F Worm, W/liner

CLAMP, #10 hose

24шт.

19

78160C1

FITTING, beaded

12шт.

20

78161C1

SHROUD, fan

1шт.

465567R1

CARRIAGE BOLT,Sht Sq Nk, 1/2" - 13 x 1 1/2", Gr 5

BOLT, 1/2 x 1-1/2 crg type 5

2шт.

120384

WASHER,1/2"

LOCK, 1/2"

1шт.

120378

NUT,Hex, 1/2" - 13, Gr 5

NUT, 1/2"-13, G5

2шт.

21

78178C1

HOSE, upper radiator

1шт.

73871C1

ADAPTER, hose

1шт.

27724R1

HOSE CLAMP,#24, 1.06/2.00 Type F Worm, W/liner

CLAMP, #24 hose

2шт.

22

78179C1

HOSE, lower radiator

1шт.

27724R1

HOSE CLAMP,#24, 1.06/2.00 Type F Worm, W/liner

CLAMP, #24 hose

2шт.

23

78162C1

SUPPORT, rear motor, mount

1шт.

77022C1

BAR, retainer

1шт.

180173

BOLT,Hex, 1/2" - 13 x 1", Gr 5

1шт.

120396

WASHER

.531 x 1.062 x .074

1шт.

180177

BOLT,Hex, 1/2" - 13 x 1 1/2", Gr 5

1/2 x 1-1/2 type 5

4шт.

120384

WASHER,1/2"

LOCK, 1/2"

4шт.

120378

NUT,Hex, 1/2" - 13, Gr 5

NUT, 1/2"-13, G5

4шт.

24

115075

NIPPLE, 1/8 x 3 pipe

2шт.

25

105422

ELBOW UNION

ELBOW, 1/8-90 degree street

2шт.

26

112877

ADAPTER,1/4" NPT Male x 1/8" NPT Fem

BUSHING, 1/4-1/8 reducing pipe

2шт.

24

72054C1

FILTER

water separator

1шт.

28

73881C1

CLAMP, filter, bracket

1шт.

120394

WASHER,3/8", SAE

WASHER, .406 x .812 x .051

1шт.

120382

LOCK WASHER,Helical Spring, 3/8"

WASHER, LOCK, 3/8"

1шт.

120377

NUT,3/8" - 16, Gr 5

1шт.

538122R1

HOSE CLAMP,#80, 4.62/5.50 Type F Worm, W/liner

CLAMP, #80 hose

1шт.

29

NSS

NOT SOLD SEPARAT

HOSE, water separator to injection pump, Use 18 in from 50 ft roll marked 180718C1

1шт.

279025R91

HOSE CLAMP,#06, .44/.78 Type F Worm

2шт.

30

78163C1

NIPPLE, 1/8 x 1-1/2 special

1шт.

31

105416

TEE,1/8" NPT, Fem

1/8 pipe

1шт.

32

77590C1

SENDER UNIT

SENDER, oil pressure

1шт.

33

72246C1

SWITCH

oil pressure shut-off

1шт.

34

72095C1

ELBOW

1шт.

368269R1

O-RING,0.116" Thk x 0.924" ID, -912, Cl 6, 90 Duro

.924 x .116

1шт.

35

74761C1

CONNECTOR

2шт.

36

NSS

NOT SOLD SEPARAT

HOSE, engine drain, Use 36 in from 50 ft roll marked 526602R1

1шт.

27860R1

HOSE CLAMP,#06, .44/.78 Type F Worm, W/liner

CLAMP, #6 hose

2шт.

37

NSS

NOT SOLD SEPARAT

HOSE, tank to water separator, Use 60 in from 50 ft roll marked 180730C1

1шт.

279025R91

HOSE CLAMP,#06, .44/.78 Type F Worm

2шт.

38

NSS

NOT SOLD SEPARAT

HOSE, fuel return, Use 60 in from 50 ft roll marked, 180730C1

1шт.

279025R91

HOSE CLAMP,#06, .44/.78 Type F Worm

2шт.

39

NSS

NOT SOLD SEPARAT

HOSE, adapter tube to filter, Use 12 in from 50 ft roll marked 180718C1

1шт.

279025R91

HOSE CLAMP,#06, .44/.78 Type F Worm

2шт.

40

73496C1

ELBOW, beaded

1шт.

41

76396C1

HEAD, filter

1шт.

73321C1

ELEMENT

filter

1шт.

120393

BEARING WASHER,5/16", SAE

WASHER, .344 x .688 x .051

2шт.

80681

LOCK WASHER,5/16"

WASHER, LOCK, 5/16"

2шт.

180077

BOLT,Hex, 5/16" - 18 x 3/4", Gr 5

5/16 x 3/4 type 5

2шт.

42

NSS

NOT SOLD SEPARAT

HOSE, adapter sleeve to filter, Use 22 in from 50 ft roll marked 180718C1

1шт.

279025R91

HOSE CLAMP,#06, .44/.78 Type F Worm

2шт.

43

19638R1

LOCK NUT,3/4"-16, GB

NUT, 3/4-NF p/t lock type 5

1шт.

44

75198C1

GASKET

1шт.

45

76382C1

FITTING, remote oil filter adapter

1шт.

46

76380C1

PLATE, remote oil filter adapter

1шт.

47

355740R1

O-RING,0.139" Thk x 3.734" ID, -240, Cl 5, 75 Duro

3.75 x .125-#240

1шт.

48

72266C1

END

1/4 rod

3шт.

49

75077C1

SUPPORT, entender, bracket

1шт.

413-412

BOLT,Hex, 1/4" - 20 x 3/4", Gr 5

1шт.

492-11025

LOCK WASHER,1/4"

WASHER, LOCK, 1/4"

1шт.

120375

NUT,Hex, 1/4" - 20, Gr 5

1шт.

50

73886C1

ROD, kill lever

1шт.

120367

NUT,Hex, 1/4" - 28, Gr 5

1/4-NF type 5

2шт.

51

73885C1

BALL, kill lever

1шт.

52

76788C1

ROD, throttle

1шт.

120367

NUT,Hex, 1/4" - 28, Gr 5

1/4-NF type 5

2шт.

53

73887C1

SUPPORT, front motor, mount

1шт.

120384

WASHER,1/2"

LOCK, 1/2"

8шт.

180175

BOLT,Hex, 1/2" - 13 x 1 1/4", Gr 5

1/2 x 1-1/4 type 5

8шт.

54

73933C91

ENGINE ASSY, Isuzu C-240 diesel

1шт.

55

78164C1

INSULATION, foam, top

1шт.

55

78165C1

INSULATION, foam, bottom

1шт.

56

78166C1

INSULATION, foam, side

1шт.

Выбрано товаров: 115