Качественные детали и логистика
Оригинальные и аналоговые запчасти с доставкой по России, Казахстану и Беларуси
©2022 PartSell ООО "Система" ИНН 2463123282 ОГРН 1212400004838
Центральный офис: г. Красноярск, Академика Киренского, д.87, пом.4
Телефон: 8 (800) 777-65-74 Email: zakaz@partsell.ru
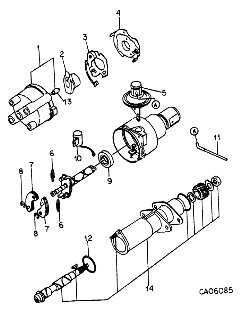
(08-07) - ELECTRICAL, DISTRIBUTOR, MAZDA ENGINE
№
Артикул
Название
Примечание
Количество
76280C91
DISTRIBUTOR ASSY
1шт.
1
1014009C1
CAP
ASSY, distributor, Includes ref. no 13, Replaces 76281C91
2
1014011C1
ROTOR
Replaces 76281C1
3
76283C1
BREAKER
ignition, points
4
76284C1
PLATE, breaker
5
76285C1
CONTROL, vacuum
6
76286C1
SPRING, governor
2шт.
7
76287C1
WEIGHT
governor
8
76288C1
RING
retaining
9
76289C1
SEAL, oil
10
76290C1
CONDENSER
11
76291C1
TUBE, vacuum control
12
76292C1
O-RING
13
76293C1
CONTACT
14
76294C1
DRIVE ASSY, distributor
Выбрано товаров: 0