Запчасти Case 4155 (12-11) - POWER, CAMSHAFT (04) - Drive Train

Схема запчастей Case 4155 - (12-11) - POWER, CAMSHAFT (04) - Drive Train
FIT
1:1
100%

Артикул

Название

Примечание

Количество

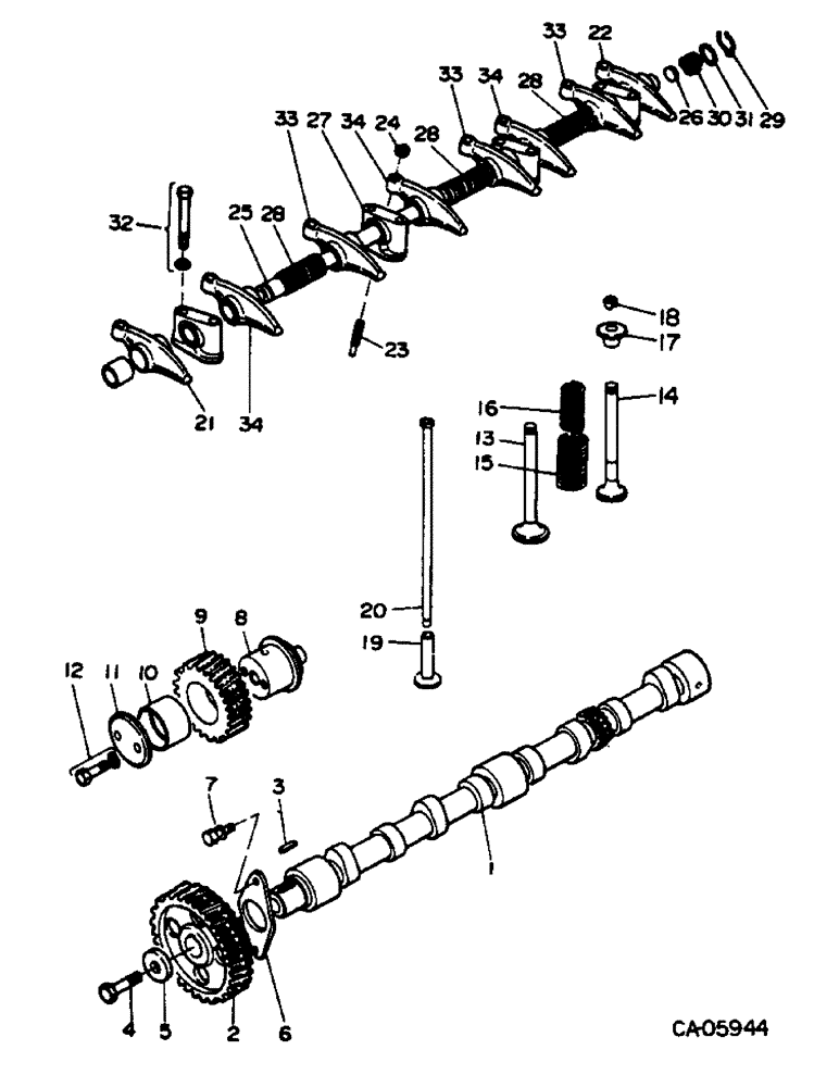
1

72972C1

CAMSHAFT

1шт.

2

72973C1

GEAR, camshaft

1шт.

3

72974C1

KEY

1шт.

4

72975C1

BOLT, camshaft gear

1шт.

5

72976C1

WASHER, cam shaft gear

1шт.

6

72977C1

PLATE, camshaft thrust

1шт.

7

72978C1

BOLT, camshaft thrust plate

2шт.

8

72979C1

SHAFT, idler gear

1шт.

9

72980C91

GEAR W/BUSHING, idler

1шт.

10

72981C1

BUSHING, idler gear

1шт.

11

72982C1

COLLAR, thrust

1шт.

12

72983C1

BOLT, idler gear

2шт.

13

72984C1

VALVE

intake

4шт.

14

72985C1

VALVE

exhaust

4шт.

15

72986C1

SPRING, valve, Outer

8шт.

16

72987C1

SPRING, valve, Inner

8шт.

17

72988C1

SEAT ASSY, spring

8шт.

18

72989C1

RETAINER, spring

16шт.

19

72990C1

TAPPER

8шт.

20

72991C1

ROD, push

8шт.

21

72992C91

ARM ASSY, rocker

1шт.

72993C1

BUSHING, rocker arm

1шт.

22

72994C91

ARM ASSY, rocker

1шт.

72993C1

BUSHING, rocker arm

1шт.

23

72995C1

SCREW, adjusting

8шт.

24

72996C1

NUT, adjusting

8шт.

25

72997C1

SHAFT, rocker

1шт.

26

72998C1

PLUG, rocker shaft end

2шт.

27

72999C1

BRACKET, rocker shaft

4шт.

28

73066C1

SPRING, rocker shaft

3шт.

29

73067C1

RING, snap

2шт.

30

73068C1

SPRING, rocker shaft end

2шт.

31

73069C1

WASHER, rocker shaft

2шт.

32

73070C1

BOLT, rocker shaft support

8шт.

73071C1

WASHER, rocker shaft support

8шт.

33

73072C91

ARM ASSY, rocker

3шт.

73073C1

BUSHING, rocker arm

3шт.

34

73074C91

ARM ASSY, rocker

3шт.

73073C1

BUSHING, rocker arm

3шт.

Выбрано товаров: 39