Запчасти Case 410 (02-11) - CAMSHAFT (02) - ENGINE

Схема запчастей Case 410 - (02-11) - CAMSHAFT (02) - ENGINE
2
7
4
5
8
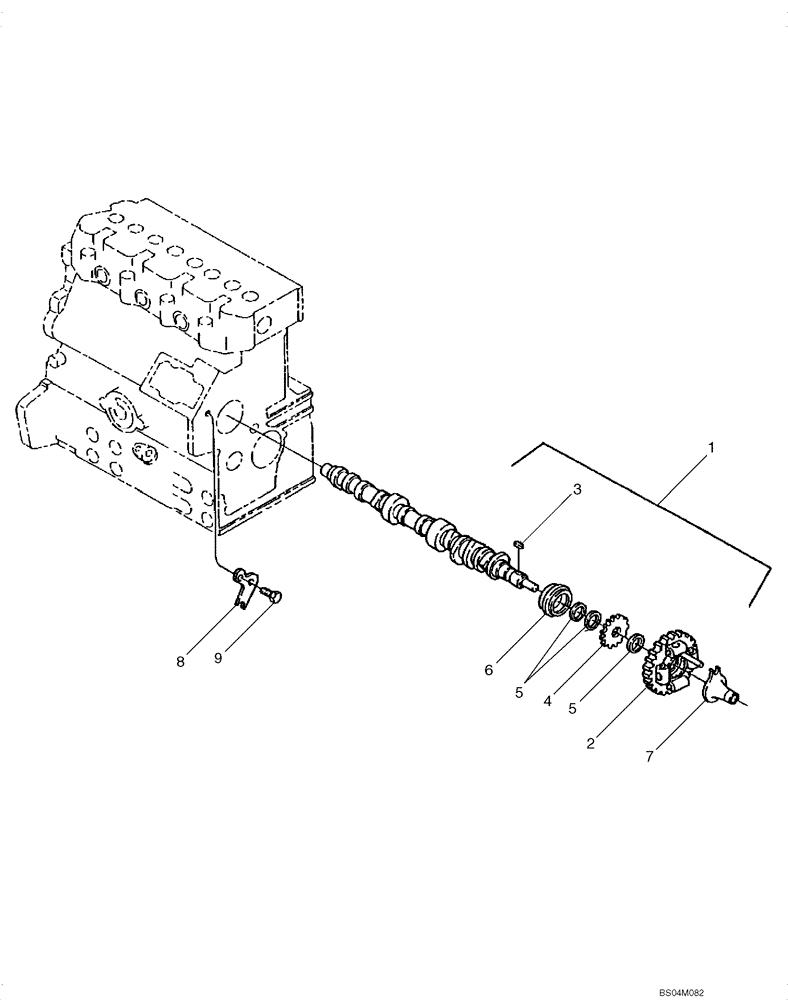
3
9
1
5
6
FIT
1:1
100%

Артикул

Название

Примечание

Количество

1

SBA120026320

CAMSHAFT

Incl. Ref 2 - 6

1шт.

SBA120026320R

REMAN-CAMSHAFT

410 NA BSN N7M480924, 410 EU BSN N7M468736 BOTH (2/05-)

1шт.

SBA120026320C

CORE-CAMSHAFT

Return Number

1шт.

2

SBA120016050

GEAR

Cam, Complete

1шт.

3

SBA034100508

KEY

1шт.

4

SBA120736081

GEAR

1шт.

5

SBA199216230

SPACER

3шт.

6

SBA040109057

BEARING

1шт.

7

SBA125256120

SLIDE GUIDE

1шт.

8

SBA199566750

BRACKET

1шт.

9

SBA011310612

CAPTIVE WASHER SCREW,Hex, M6 x 12, Cl 8.8

2шт.

Выбрано товаров: 11