Запчасти Case 410 (09-48) - HEAT AND AIR CONDITIONING SYSTEM (09) - CHASSIS

Схема запчастей Case 410 - (09-48) - HEAT AND AIR CONDITIONING SYSTEM (09) - CHASSIS
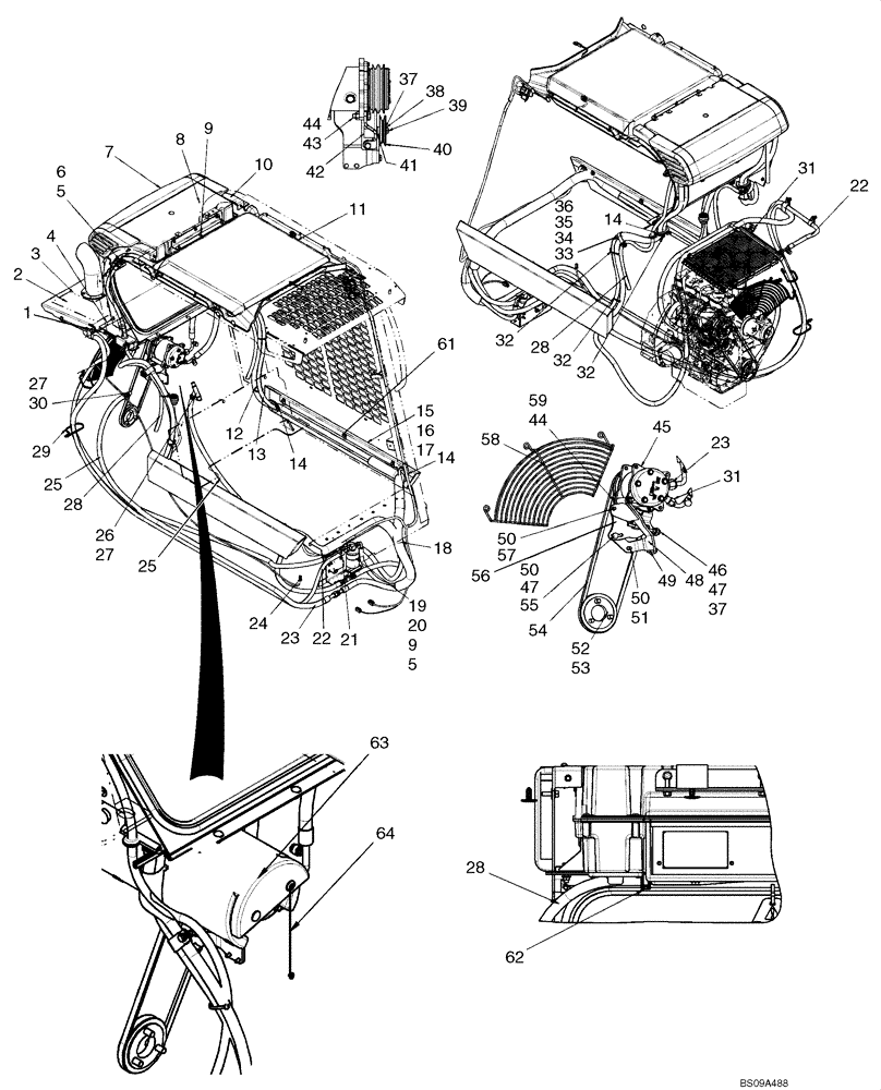
49
28
5
43
59
50
21
27
51
50
45
4
19
37
50
22
14
20
3
17
27
36
32
23
9
13
10
9
64
26
12
11
7
37
62
63
46
18
31
25
29
31
44
22
61
41
14
23
47
32
55
33
54
2
57
48
40
35
30
24
32
58
14
44
8
6
56
1
28
39
52
53
5
34
28
15
42
47
25
38
16
FIT
1:1
100%

Артикул

Название

Примечание

Количество

87638442

SERVICE KIT

Kit, Deluxe Heater And Air Conditioning; Incl 1 - 59

1шт.

1

87307909

GROMMET

2шт.

2

REF

INSTRUCTION

Hood, A/C; See Fig 09-22

1шт.

3

86639409

DECAL

Decal, Air Conditioning Specifications

1шт.

4

87716582

INSULATING PANEL

Heat Shield Extension; If Used

1шт.

5

86619800

FLANGE NUT,M6 x 1, Cl 8

4шт.

6

9804257

FLANGE BOLT,Hex, M6 x 1.0 x 25mm, Cl 8.8, Full Thd

2шт.

7

84129073

AIR CONDITIONER

Heat And Air Conditioning Unit; Incl 87653393 And 84146888

1шт.

7

87653393

AIR CONDITIONER,Assembly

Heat And Air Conditioning Unit; See Fig 09-51

1шт.

8

291308

SEALING STRIP,0.75" W x 0.5" Thick

580mm (22 13/16 in.); If Used

1шт.

9

9804256

BOLT,Hex, M6 x 1 x 20mm, Full Thd, Cl 8.8

5шт.

10

87450833

TAPE

If Used

2шт.

11

REF

INSTRUCTION

Heater System; See Fig 09-50

1шт.

12

87691470

HOSE,12.7mm ID x 3500mm L

Hose, A/C Suction, 3500mm (137 3/4 in.)

1шт.

13

87691471

HOSE,7.94mm ID x 3450mm L

Hose, A/C Liquid, 3450mm (135 13/16 in.)

1шт.

14

87439844

GUARD

ROPS Trim

3-4шт.

15

87703555

COVER

Cover, Hose LH; If Used

1шт.

15

84129088

COVER

Cover, Hose LH, Gray; If Used

1шт.

16

9804258

BOLT,Hex, M8 x 1.25 x 20mm, Cl 8.8

If Used

3шт.

17

87016586

SPRING NUT,Multi-Thd, M8 x 1.25

If Used

3шт.

18

87441006

TUBE,4.6mm ID x 1350mm L

Hose Guard, 1350mm (53 1/8 in.)

1шт.

19

86625481

RECEIVER-DRYER

1шт.

20

87437501

BRACKET

1шт.

21

86625515

PRESSURE SWITCH

Switch, A/C Pressure

1шт.

22

87717219

HOSE

Hose, A/C Liquid, 3615mm (142 5/16 in.)

1шт.

23

87743312

HOSE

Hose, A/C Suction, 2300mm (90 1/2 in.); Replaces 87717217; If Used

1шт.

23

84170275

HOSE,12.7mm ID x 23000mm L

Hose, A/C Suction, 2300mm (90 1/2 in)

1шт.

24

87445908

HARNESS

Harness, Compressor

1шт.

25

87691475

HEATER HOSE,15.75" mm ID, 1975.00 mm, SAE 20R3, SAE J20

2шт.

26

86530043

FITTING,5/8” Y-Fitting

Hose Fitting, Y Beaded

1шт.

27

87443511

CLAMP,22mm - 26mm, CTB-24, Style C

1-2шт.

28

87691473

A/C HOSE

Tube, A/C Drain

2шт.

29

L18331

CABLE TIE,375.9mm L, Nylon, Black

CABLE STRAP

2шт.

30

642560

FITTING,5/8" Hose x 3/8" NPTF Beaded

1шт.

31

87717218

HOSE

Hose, A/C Discharge, 1200mm (47 1/4 in.)

1шт.

32

L11541

CABLE TIE,203.2mm L, Nylon

CABLE STRAP

3-4шт.

33

H434289

MOUNTING CLIP,7/8”, Insulated, 1/2” Bolt

1шт.

34

86505868

SERRATED NUT,Hex, M8 x 1.25, Cl 8

1шт.

35

120104

BOLT,Hex, M8 x 1.25 x 20mm, Cl 8.8

If Used

1шт.

36

86624184

WASHER,9mm ID x 16mm OD x 1.6mm Thk

1шт.

37

86624185

WASHER,8.8mm ID x 17.5mm OD x 2mm Thk

2шт.

38

86639313

WASHER,9mm ID x 24mm OD x 2mm Thk

1шт.

39

43129

BOLT,Hex, M8 x 1.25 x 40mm, LH Thd, Cl 8.8

1шт.

40

87606706

PULLEY,78.49mm OD

Idler Pulley; Replaces 86403228

1шт.

41

87015284

WASHER,8.8mm ID x 21.5mm OD x 2.5mm Thk

1шт.

42

87582270

BLOCK

Idler Adjust

1шт.

43

86511845

BOLT,M10 x 44.2mm OAL, Cl 8.8, Full Thd

1шт.

44

86512554

NUT,M10 x 1.5, Cl 10

2шт.

45

87546525

COMPRESSOR,12V, W/ Clutch, W/ Pulley

Order 84488123 Kit

1шт.

45

84488123R

REMAN-A/C COMPRESSOR

Kit: Includes Belt 84323065

1шт.

45

84488123C

CORE-A/C COMPRESSOR

Return Number

1шт.

46

725403

BOLT,Hex, M8 x 1.25 x 100mm, Cl 8.8, Full Thd

1шт.

47

9804277

FLANGE NUT,Hex, M8 x 1.25, Cl 8

2шт.

48

87602960

BRACKET

Bracket, A/C Compressor

1шт.

49

86508568

BOLT,Hex, M6 x 1 x 16mm, Cl 8.8

2шт.

50

322358

BELLEVILLE WASHER,M8 Bolt Size x 18mm OD x 1.4mm Thk

3шт.

51

43127

BOLT,Hex, M8 x 1.25 x 25mm, Cl 8.8

1-2шт.

52

86405134

PULLEY

1шт.

53

9824642

BOLT,M12 x 1.75 x 42.68mm, Cl 10.9

3шт.

54

86401123

V-BELT,13.00 mm W x 1180.00 mm L

Air Conditioning

1шт.

55

308761

CARRIAGE BOLT,M8 x 1.25 x 25mm, Cl 8.8

1шт.

56

87602969

BRACKET

Compressor Pivot Bracket

1шт.

57

120103

BOLT,M8 x 1.25 x 16mm, Cl 8.8

1шт.

58

87018958

GUARD

Fan Guard; If Used

1шт.

59

86508621

BOLT,Hex, M10 x 130mm, Cl 10.9

1шт.

60

87313351

CLIP,25.4mm, Coat, 8.7mm Bolt Hole, J Type

Clip 25.4mm-J- Insul 5/16 Bolt; If Used

1шт.

61

87729516

FOAM INSULATION

Crushable Foam

1шт.

62

87584302

CLAMP,16mm - 19mm, Spring

18mm

2шт.

63

87588085

FOAM

Muffler Wrap

1шт.

64

87393399

SPRING

16 GA SS Twist Ties - 9in

9шт.

65

87555249

SWITCH

A/C Switch

1шт.

66

84162392

Heater Hose

1шт.

67

9706921

HOSE CLAMP,12.7mm - 35mm

3шт.

Выбрано товаров: 73