Запчасти Case 410 (04-01) - STARTER (04) - ELECTRICAL SYSTEMS

Схема запчастей Case 410 - (04-01) - STARTER (04) - ELECTRICAL SYSTEMS
22
5
17
15
21
1
5
9
20
4
5
22
11
21
19
10
3
7
12
18
5
13
16
3
14
23
6
8
2
FIT
1:1
100%

Артикул

Название

Примечание

Количество

SBA185086530

STARTER MOTOR

Incl. Ref 1 - 23

1шт.

SBA185086530R

REMAN-STARTER

Remanufactured Starter -- 11 Tooth Drive

1шт.

SBA185086530C

CORE-STARTER

Return Number

1шт.

SBA185086530GV

STARTER MOTOR

Value

1шт.

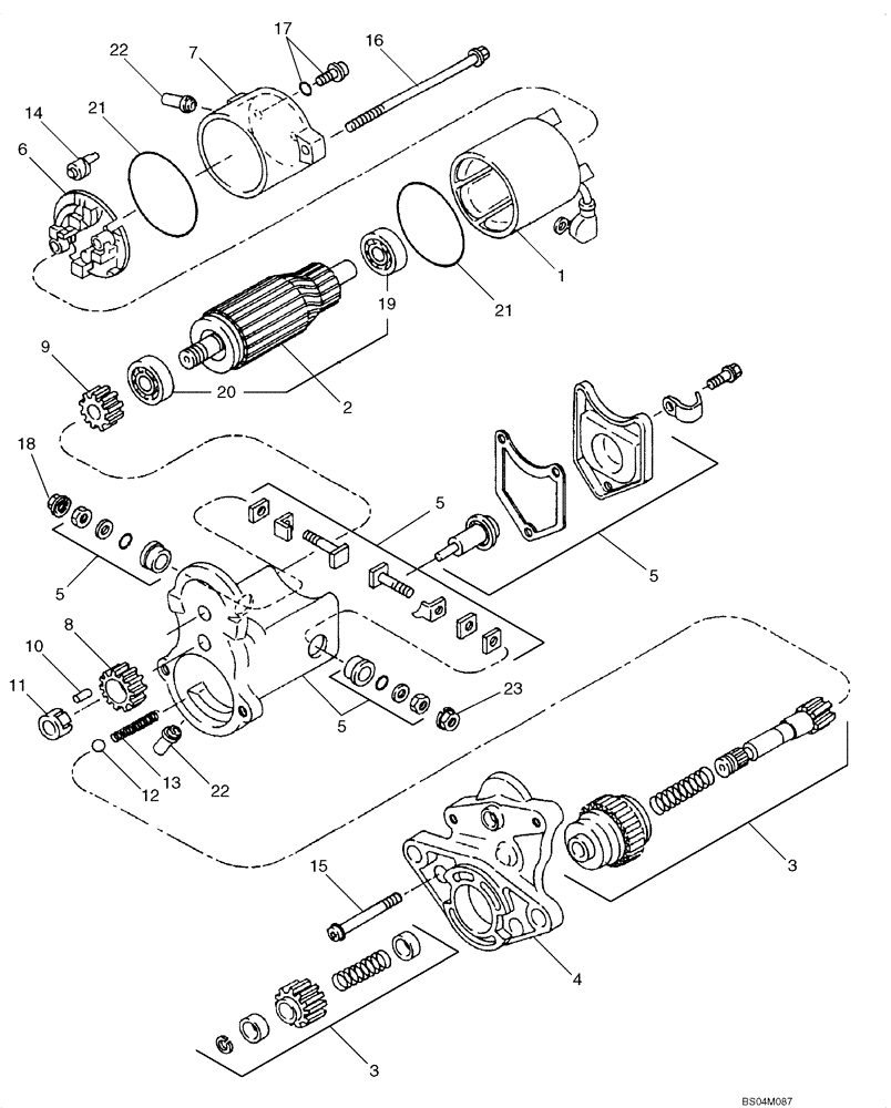
1

SBA185846570

STATOR

1шт.

2

SBA185846571

ARMATURE

Incl. Ref 19, 20

1шт.

3

SBA185866370

CLUTCH

1шт.

4

NSS

NOT SOLD SEPARAT

Housing

1шт.

5

SBA185816360

SOLENOID SWITCH

1шт.

6

SBA185846573

HOLDER

Incl. Ref 14, Brushes (Brushes NSS)

1шт.

7

NSS

NOT SOLD SEPARAT

Frame, Cover

1шт.

8

SBA185846552

PINION

1шт.

9

SBA185846576

PINION

1шт.

10

SBA185846371

ROLLER

Clutch

5шт.

11

SBA185846551

RETAINER

1шт.

12

SBA185846286

BALL

Steel

1шт.

13

SBA185846560

SPRING

Return

1шт.

14

SBA185846579

SPRING

Starter

4шт.

15

SBA185846580

SCREW

2шт.

16

SBA185846581

BOLT

2шт.

17

SBA185846582

SCREW

Incl. O-Ring

2шт.

18

SBA185846378

NUT

1шт.

19

SBA185846583

BALL BEARING

1шт.

20

SBA185846549

BALL BEARING

Ball

1шт.

21

SBA185846561

O-RING

2шт.

22

SBA185846562

DRAIN PLUG

Drain

2шт.

23

SBA185846563

NUT

1шт.

Выбрано товаров: 27