Запчасти Case 410 (06-12) - HYDROSTATICS - RESONATOR (06) - POWER TRAIN

Схема запчастей Case 410 - (06-12) - HYDROSTATICS - RESONATOR (06) - POWER TRAIN
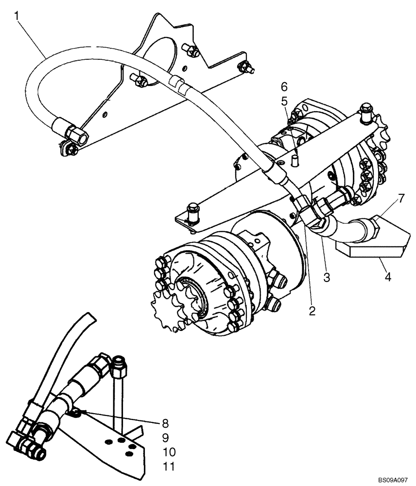
6
4
10
11
8
5
3
1
7
9
2
FIT
1:1
100%

Артикул

Название

Примечание

Количество

1

87720912

HOSE,15.88mm ID x 950mm L

Valve Supply; 950mm (37.40in); If Used

1шт.

1

87021838

HOSE ASSY.

Supply; 1065mm (41.93in)

1шт.

2

87441649

ADAPTER

1шт.

3

87351645

HOSE ASSY.,417mm L

Hose, Resonator; 417mm (16.42in); If Used

1шт.

3

87548048

HOSE,25.4mm ID x 320mm L

Side Resonator; 320mm (12.60in)

1шт.

4

87722145

FOAM INSULATION

Pad, Resonator; If Used

2шт.

5

330344

45 ELBOW,1-1/16" - 12 JIC x 1-1/16" - 12 ORB

Incl 6; If Used

1шт.

5

322896

HYD CONNECTOR,1-1/16" - 12 ORB x 1-1/16" - 12 JIC

Incl 6

1шт.

6

167266

O-RING,0.116" Thk x 0.924" ID, -912, Cl 6, 90 Duro

1шт.

7

9790527

PLUG,1-5/16" - 12 JIC

1шт.

8

43139

BOLT,M10 x 1.5 x 25mm, Cl 8.8

1шт.

9

87648719

CLAMP,36.5mm, Coat, 10.3mm Bolt Hole, P Type

Clamp 36.5mm P Insul 3/8 Bolt

1шт.

10

86624176

WASHER,11mm ID x 20mm OD x 2mm Thk

2шт.

11

86512554

NUT,M10 x 1.5, Cl 10

1шт.

Выбрано товаров: 14