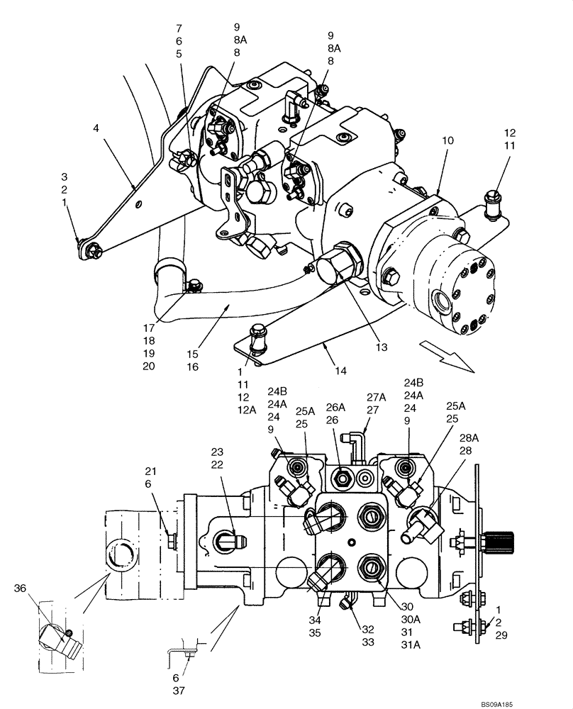
Запчасти Case 410 (06-14) - HYDROSTATICS - PUMP MOUNTING AND FITTINGS (PILOT CONTROL) (06) - POWER TRAIN

Схема запчастей Case 410 - (06-14) - HYDROSTATICS - PUMP MOUNTING AND FITTINGS (PILOT CONTROL) (06) - POWER TRAIN
5
9
31
8
21
14
6
37
6
27a
8a
24
15
8a
28
3
4
24b
11
24a
9
24b
26
1
33
35
30a
36
20
30
34
27
31a
10
25a
6
8
1
2
32
9
1
25
25
22
16
26a
7
25a
29
17
12
19
23
24
12
18
28a
24a
2
11
12a
9
13
FIT
1:1
100%

Артикул

Название

Примечание

Количество

1

86639325

WASHER,10.8mm ID x 24.5mm OD x 3mm Thk

8шт.

2

86512554

NUT,M10 x 1.5, Cl 10

5шт.

3

43140

BOLT,Hex, M10 x 1.5 x 30mm, Cl 8.8

2шт.

4

87720460

PLATE

Rear Pump Mount; Replaces 87653860

1шт.

5

412672

NUT,Hex, M12 x 1.75, Cl 10

2шт.

6

86625255

WASHER,13.3mm ID x 24.5mm OD x 3mm Thk

4шт.

7

9628065

SCREW,Hex, M12 x 1.75 x 45mm, Cl 8.8

2шт.

8

86512936

ELBOW,9/16" - 18 JIC x 7/16" - 20 ORB

Incl. 8A

2шт.

8a

165202

O-RING,0.072" Thk x 0.351" ID, -904, Cl 6, 90 Duro

2шт.

9

87604075

ADAPTER

4шт.

10

87744751

PUMP

A22 Rexroth Pump, 300 Bar, 6.7mm Orifice; Replaces 87666069, 87619378; See Fig 06-33

1шт.

11

120070

BOLT,Hex, M10 x 1.5 x 60mm, Cl 8.8

2шт.

12

256690A1

SPACER

2шт.

12a

86050279

FLANGE NUT,M10 x 1.5, Cl 10

If Used

2шт.

13

87418259

FITTING

1шт.

14

87653862

ANGLE

Front Pump Mount

1шт.

15

87685977

HOSE

Suction Hose, 1450mm (57 3/32 in.)

1шт.

16

86536660

HOSE CLAMP,25mm - 44mm

1шт.

17

120103

BOLT,M8 x 1.25 x 16mm, Cl 8.8

3шт.

18

229197A1

SQUARE NUT,M8 x 1.25, Cl 8

5шт.

19

86624184

WASHER,9mm ID x 16mm OD x 1.6mm Thk

3шт.

20

603022

CLAMP,44.4mm, Coat, 10.3mm Bolt Hole, P Type

1шт.

21

87670

BOLT,1/2" - 13 x 1-1/4", Full Thd, Gr 5

2шт.

22

128830

90 ELBOW,3/4" - 16 JIC x 3/4" - 16 ORB

Incl. 23

1шт.

23

128825

O-RING,0.087" Thk x 0.644" ID, -908, Cl 6, 90 Duro

1шт.

24

87546979

ADAPTER

Incl. 24A, 24B

2шт.

24a

237-6004

O-RING,0.072" Thk x 0.351" ID, -904, Cl 6, 90 Duro

2шт.

24b

237-6006

O-RING,0.078" Thk x 0.468" ID, -906, Cl 6, 90 Duro

2шт.

25

76349

PLUG,9/16" - 18 ORB

Incl. 25A

1-3шт.

25a

9617873

O-RING,0.078" Thk x 0.468" ID, -906, Cl 6, 90 Duro

1-3шт.

26

128818

UNION,3/4" - 16 ORB x 3/4" - 16 JIC

Incl. 26A

1шт.

26a

128825

O-RING,0.087" Thk x 0.644" ID, -908, Cl 6, 90 Duro

1шт.

27

86526

ELBOW,90 Degree, 37 Degree 9/16" - 18 JIC x 9/16" - 18 ORB

Incl. 27A

2шт.

27a

9617873

O-RING,0.078" Thk x 0.468" ID, -906, Cl 6, 90 Duro

2шт.

28

87571937

ADAPTER

Incl. 28A

1шт.

28a

237-6012

O-RING,0.116" Thk x 0.924" ID, -912, Cl 6, 90 Duro

1шт.

29

120112

BOLT,Hex, M10 x 1.5 x 40mm, Cl 8.8, Full Thd

If Used

1шт.

30

322896

HYD CONNECTOR,1-1/16" - 12 ORB x 1-1/16" - 12 JIC

Incl 31; If Used

2шт.

30a

9840535

HYD CONNECTOR,1-3/16" - 12 ORFS x 1-1/16" - 12 ORB

3/4" Tube ORFS - 3/4" Tube ORB; Incl. 31A

4шт.

31

167266

O-RING,0.116" Thk x 0.924" ID, -912, Cl 6, 90 Duro

Used with 30; If used

2шт.

31a

9991976

O-RING,0.07" Thk x 0.739" ID, -18, Cl 6, 90 Duro

Used With 30A

4шт.

32

330346

45 ELBOW,45 Degree, 9/16"-18, 37 Degree x 9/16"-18, O-Ring

Incl. 33

1шт.

33

9617873

O-RING,0.078" Thk x 0.468" ID, -906, Cl 6, 90 Duro

1шт.

34

322894

90 ELBOW,1-1/16" - 12 JIC x 1-1/16" - 12 ORB

Incl. 35

1-3шт.

35

167266

O-RING,0.116" Thk x 0.924" ID, -912, Cl 6, 90 Duro

1-3шт.

36

87039085

HOSE CLAMP,32mm - 54mm

If Used

1шт.

37

9627879

BOLT,Hex, 1/2" - 13 x 3/4", Gr 5, Full Thd

If Used

2шт.

Выбрано товаров: 47