Запчасти Case 420 (02-03) - EXHAUST SYSTEM (02) - ENGINE

Схема запчастей Case 420 - (02-03) - EXHAUST SYSTEM (02) - ENGINE
3
10
16
4
4
7
3
18
7
11
3
2
1a
14
6
4
9
8
6
7
13
17
15
3
3
7
2
3
12
1
4
7
5
FIT
1:1
100%

Артикул

Название

Примечание

Количество

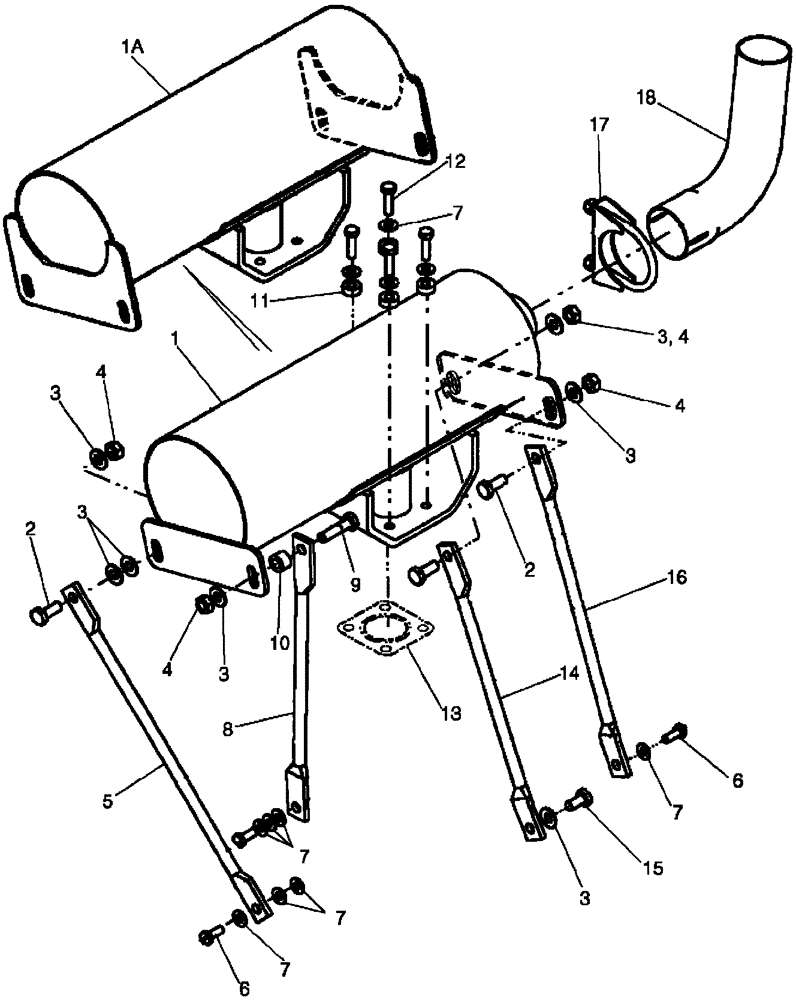
1

87037372

MUFFLER

1шт.

1a

87462107

MUFFLER

Replaces 87037372

1шт.

2

43139

BOLT,M10 x 1.5 x 25mm, Cl 8.8

3шт.

3

140045

BELLEVILLE WASHER,M10 Bolt Size x 22mm OD x 1.6mm Thk

7шт.

4

825-1410

NUT,M10, Cl 8

4шт.

5

87046586

ROD

Muffler Support

1шт.

6

120104

BOLT,Hex, M8 x 1.25 x 20mm, Cl 8.8

3шт.

7

322358

BELLEVILLE WASHER,M8 Bolt Size x 18mm OD x 1.4mm Thk

11шт.

8

87046585

ROD

Muffler Support

1шт.

9

120068

BOLT,Hex, M10 x 40mm, Cl 8.8

1шт.

10

87042897

SPACER

1шт.

11

87606607

SPACER,8.73mm ID x 20.05mm OD x 7.9mm L

Muffler Spacer, Auto Coat; Replaces 86633393

4шт.

12

614-8030

BOLT,Hex, M8 x 1.25 x 30mm, Cl 8.8, Full Thd

4шт.

13

87046929

GASKET

Muffler

1шт.

14

87046588

ROD

Muffler Support

1шт.

15

43138

BOLT,Hex, M10 x 1.5 x 20mm, Cl 8.8

1шт.

16

87046587

ROD

Muffler Support

1шт.

17

A13240

CLAMP,2-5/8" ID

1шт.

17

87461995

CLAMP,68mm ID, Muffler

Replaces A13240

1шт.

18

87045237

EXHAUST SYSTEM PIPE,57.20 mm OD x 146, 170 mm L

Exhaust

1шт.

Выбрано товаров: 20