Запчасти Case 420 (06-25) - HYDROSTATICS - RESONATOR (EUROPE) (06) - POWER TRAIN

Схема запчастей Case 420 - (06-25) - HYDROSTATICS - RESONATOR (EUROPE) (06) - POWER TRAIN
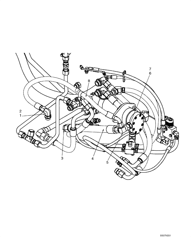
4
8
1
5
7
6
2
3
FIT
1:1
100%

Артикул

Название

Примечание

Количество

1

84570

90 ELBOW,7/8" - 14 JIC x 1-1/16" - 12 ORB

Incl 2

1шт.

2

167266

O-RING,0.116" Thk x 0.924" ID, -912, Cl 6, 90 Duro

1шт.

3

9790527

PLUG,1-5/16" - 12 JIC

1шт.

4

87717826

HOSE,25.4mm ID x 475mm L

Hose, Resonator

1шт.

5

87441649

ADAPTER

1шт.

6

322896

HYD CONNECTOR,1-1/16" - 12 ORB x 1-1/16" - 12 JIC

Incl 7

1шт.

7

167266

O-RING,0.116" Thk x 0.924" ID, -912, Cl 6, 90 Duro

1шт.

8

87720912

HOSE,15.88mm ID x 950mm L

Hose, Valve Supply

1шт.

9

87353205

PAD

Right Tower Pad; Not Illustrated

1шт.

Выбрано товаров: 9