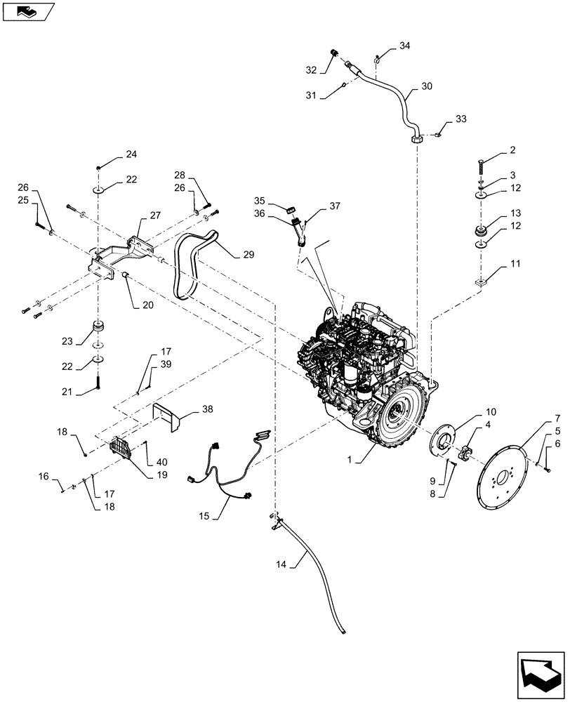
Запчасти Case 430 (02-06) - ENGINE - MOUNTING (02) - ENGINE

Схема запчастей Case 430 - (02-06) - ENGINE - MOUNTING (02) - ENGINE
20
22
8
24
18
3
12
31
9
27
22
10
35
34
29
13
39
26
40
23
17
14
1
home
36
25
2
5
32
4
17
37
19
18
15
7
38
33
12
26
11
28
6
16
21
30
FIT
1:1
100%

Артикул

Название

Примечание

Количество

1

87530652

ENGINE

Engine, F5C 59kw

1шт.

47456817R

REMAN-BASIC ENGINE

430 (SERIES 3) ASN 430 NA N7M479683 (1/08-), Reman For New P/N 87530652

1шт.

47456817C

CORE-BASIC ENGINE

Return Number

1шт.

87530652ER

REMAN-REPLACEMENT EN

430 Series 3, ASN N7M479683, 4 Cyl., F5C, Tier 3, N.A. Only

1шт.

87530652EPAC

CORE-EPA ENGINE

Return Number, For N.A. Only

1шт.

87530652R

REMAN-REPLACEMENT EN

Replacement Level For 430 Skid Steer ASN N7M479683, N.A. Only

1шт.

1

87530652C

CORE-ENGINE

Return Number - For N.A. only

1шт.

2

86577946

BOLT,Hex, M16 x 80mm x 10.9

2шт.

3

86625266

WASHER,17.5mm ID x 30mm OD x 4mm Thk

4шт.

4

87024588

HUB

Pump Drive; If Used

1шт.

4

87711337

COUPLING,19T, 1-1/8" ID

Drive Star

1шт.

5

86639325

WASHER,10.8mm ID x 24.5mm OD x 3mm Thk

10шт.

6

43140

BOLT,Hex, M10 x 1.5 x 30mm, Cl 8.8

10шт.

7

87547003

PLATE

Pump Mounting Plate

1шт.

8

43235

BOLT,Hex, M8 x 1.25 x 30mm, Cl 10.9, Full Thd

6шт.

9

322358

BELLEVILLE WASHER,M8 Bolt Size x 18mm OD x 1.4mm Thk

6шт.

10

87024539

ELEMENT

Pump Drive; If Used

1шт.

10

87692685

FLEXIBLE COUPLING,215.9mm OD

Flexible

1шт.

11

87535743

NUT

2шт.

12

87630175

WASHER,0.66" ID x 3" OD x 0.18" Thk

Washer, .656 X 3.00 X .179 In; If Used

4шт.

12

87687021

WASHER,17.3mm ID x 70mm OD x 4.5mm Thk

Washer, 70mm OD

4шт.

13

86550698

INSULATOR

2шт.

14

REF

INSTRUCTION

Remote Dipstick; See Fig 02-08

1шт.

15

87668734

HARNESS

Electrical Harness, EGR ECU

1шт.

16

374891

CARRIAGE BOLT,Rnd Head, M6 x 1 x 25mm, Cl 8.8

If Used

3шт.

17

322357

BELLEVILLE WASHER,M6 Bolt Size x 14mm OD x 1.3mm Thk

3-5шт.

18

86500688

NUT,Hex, M6 x 1.0, Cl 10.9

3шт.

18

87404992

SQUARE NUT,M6 x 1.0, Cl 8

Square M6-1.0 Cl 8

3-5шт.

19

87685982

ECU

Controller, F5C EGR: If Used

1шт.

19

87477368

ECU

Controller, F5C EGR: If Used

1шт.

20

87578141

SPACER

2шт.

21

412085

BOLT,Hex, M12 x 1.75 x 80mm, Cl 10.9

1шт.

22

87639792

WASHER,0.53" ID x 2.5" OD x 0.19" Thk

3шт.

23

86541277

INSULATOR

CBA20-400-1

1шт.

24

412672

NUT,Hex, M12 x 1.75, Cl 10

1шт.

25

43263

BOLT,Hex, M12 x 1.75 x 60mm, Cl 10.9

2шт.

26

86592701

WASHER,13mm ID x 35mm OD x 5mm Thk

6шт.

27

87573395

BRACKET

Engine Mount, Fan Side; If Used

1шт.

27

87687525

BRACKET

Engine Mount, Fan Side

1шт.

28

412087

BOLT,Hex, M12 x 1.75 x 45mm, Cl 10.9, Full Thd

4шт.

29

J911565

V-BELT,27.92mm W x 1473.2mm L, 8 Ribs

1шт.

30

87655496

HEATER HOSE,16.00 mm ID, 19.00 mm OD, 510.30 mm, SAE 30R2

1шт.

31

507586

HOSE CLAMP,20.6mm - 44.4mm, Worm Gear

1шт.

32

642560

FITTING,5/8" Hose x 3/8" NPTF Beaded

1шт.

33

87000223

HOSE CLAMP,22mm ID Static x 15mm W, Spring Type

1шт.

34

86637995

CLAMP,27mm, Coat, 10.3mm Bolt Hole, P Type

1шт.

35

87674802

CAP,7mm ID x 9mm OD x 12mm L

Oil Fill

1шт.

36

87680042

NECK FILLER

Oil Fill

1шт.

37

9804257

FLANGE BOLT,Hex, M6 x 1.0 x 25mm, Cl 8.8, Full Thd

2шт.

38

87714642

COVER

ECU Cover; If Used

1шт.

39

86508568

BOLT,Hex, M6 x 1 x 16mm, Cl 8.8

If Used

2шт.

40

86977786

BOLT,Hex, M6 x 1 x 25mm, Cl 8.8

If Used

3шт.

40

120100

BOLT,M6 x 20mm, Cl 8.8

3шт.

Выбрано товаров: 53