Запчасти Case 430 (03-05) - FUEL INJECTION SYSTEM (03) - FUEL SYSTEM

Схема запчастей Case 430 - (03-05) - FUEL INJECTION SYSTEM (03) - FUEL SYSTEM
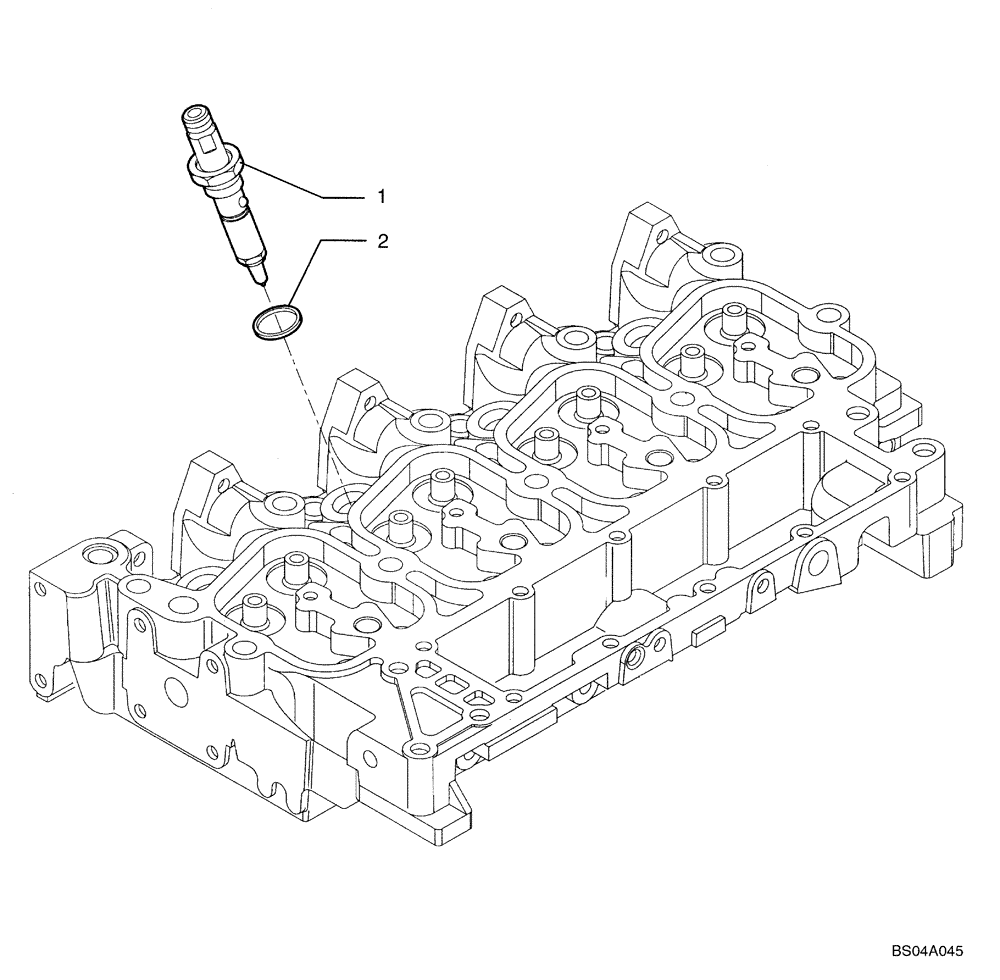
1
2
FIT
1:1
100%

Артикул

Название

Примечание

Количество

1

2853346

FUEL SYSTEM INJECTOR

4шт.

1

2853346R

REMAN-INJECT NOZZLE

4шт.

1

2853346C

CORE-NOZZLE, INJECT

Return Number

4шт.

2

4895297

SEAL,7.3mm ID x 15mm OD x 2.5mm THK

4шт.

2

2856435

SEALING WASHER

Copper

4шт.

Выбрано товаров: 0