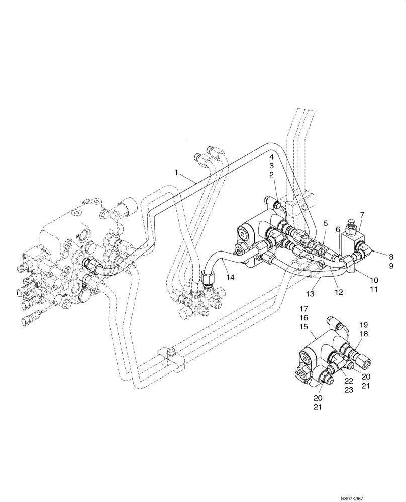
Запчасти Case 435 (08-05) - HYDRAULICS - SELF LEVELING (08) - HYDRAULICS

Схема запчастей Case 435 - (08-05) - HYDRAULICS - SELF LEVELING (08) - HYDRAULICS
12
18
13
23
5
2
17
14
4
21
1
10
8
3
20
15
6
7
16
19
11
20
21
9
22
FIT
1:1
100%

Артикул

Название

Примечание

Количество

87637924

SERVICE KIT

Kit, Single Hydraulic Self Level; Incl 1 - 23

1шт.

1

87520122

HYD TUBE,11.7 mm ID x 15.9 mm OD

Tube, Valve In

1шт.

2

87030567

SQUARE NUT

2шт.

3

86624184

WASHER,9mm ID x 16mm OD x 1.6mm Thk

2шт.

4

412479

BOLT,Hex, M8 x 1.25 x 35mm, Cl 8.8

2шт.

5

87605322

HYD CONNECTOR

Tee Union 37Fl 1/2 X 5/8 X 5/8

1шт.

6

87622771

RUN TEE

Tee Swivel 37Fl 5/8 X 1/2 X 5/8

1шт.

7

294650A1

VALVE

Relief Valve

1шт.

8

128830

90 ELBOW,3/4" - 16 JIC x 3/4" - 16 ORB

Incl. 9

1шт.

9

128825

O-RING,0.087" Thk x 0.644" ID, -908, Cl 6, 90 Duro

1шт.

10

87622772

90 ELBOW

Elbow 90 Adj Long 37Fl 1/2 Tube; Incl 11

1шт.

11

128825

O-RING,0.087" Thk x 0.644" ID, -908, Cl 6, 90 Duro

1шт.

12

87407258

HYD TUBE,12.7 mm OD x 134.2, 83.6 mm L

Tube, Valve Bucket Rod

1шт.

13

87407253

HYD TUBE,12.7 mm OD x 144.4, 144 mm L

Tube, Valve Bucket Base

1шт.

14

87435920

HYD TUBE,15.88 mm OD

Tube, Valve Out

1шт.

15

280126A2

VALVE

Valve, Self Level; Incl 16, 17

1шт.

16

345682A1

VALVE

1шт.

17

345684A1

SEAL KIT

Seal Kit

1шт.

18

86071

HYD CONNECTOR,7/8" - 14 JIC x 3/4" - 16 ORB

Incl 19

1шт.

19

128825

O-RING,0.087" Thk x 0.644" ID, -908, Cl 6, 90 Duro

1шт.

20

128818

UNION,3/4" - 16 ORB x 3/4" - 16 JIC

Incl 21

2шт.

21

128825

O-RING,0.087" Thk x 0.644" ID, -908, Cl 6, 90 Duro

2шт.

22

86527

90 ELBOW,7/8" - 14 JIC x 3/4" - 16 ORB

Incl 23

1шт.

23

128825

O-RING,0.087" Thk x 0.644" ID, -908, Cl 6, 90 Duro

1шт.

Выбрано товаров: 24