Запчасти Case 435 (08-10) - HYDRAULICS - COUPLER SYSTEM (08) - HYDRAULICS

Схема запчастей Case 435 - (08-10) - HYDRAULICS - COUPLER SYSTEM (08) - HYDRAULICS
21
5
15
3
20
31
38
6
13
26
14
24
44
22
33
13
36
37
45
37
21
4
36
41
40
36
18
12
9
25
35
38
29
11
35
42
16
22
27
30
34
17
8
39
2
19
7
26
23
4
1
32
35
43
28
27
10
FIT
1:1
100%

Артикул

Название

Примечание

Количество

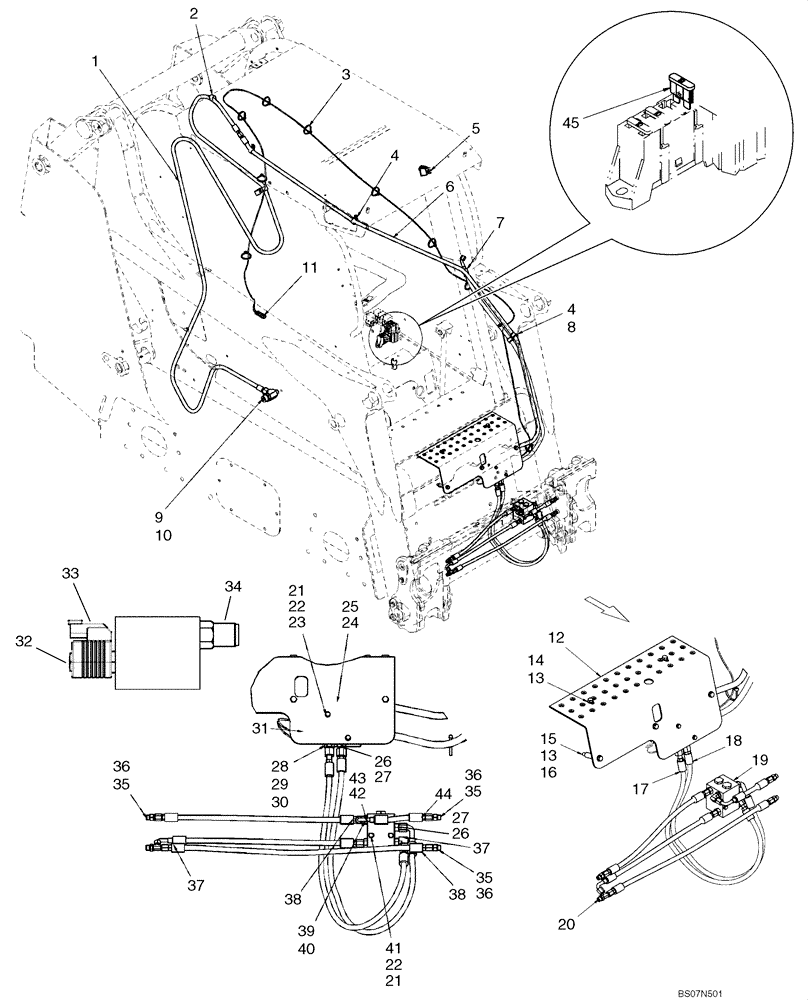
87710781

SERVICE KIT

Kit, Hydraulic Coupler; Incl 1 - 45

1шт.

1

87368354

HOSE

Hose, Hydraulic Coupler, 4216mm (166 in.)

1шт.

2

86624005

CLAMP,19mm, Coat, 10.3mm Bolt Hole, P Type

No Longer Used, Order 87029955

2шт.

2

87029955

CLAMP,22.2mm, Coat, 10.3mm Bolt Hole, P Type

2шт.

3

87000312

CABLE TIE,4.8mm W x 203.2mm OAL, Nylon

CABLE STRAP

10шт.

4

86637976

CLAMP,19mm, Coat, 8.7mm Bolt Hole, P Type

4шт.

5

87642911

SWITCH

Rocker Switch, Hydraulic Coupler

1шт.

6

87374325

HOSE

Hose, Hydraulic Coupler, 2667mm (105 in.)

1шт.

7

87437474

HOSE ASSY.

Hose, Coupler Return, 1150mm (45 9/32 in.)

1шт.

8

87029931

SCREW,Hex Washer, 5/16" - 18 x 1"

1шт.

9

87597961

ADAPTER

Incl 10

1шт.

10

167266

O-RING,0.116" Thk x 0.924" ID, -912, Cl 6, 90 Duro

1шт.

11

87446983

WIRE HARNESS

Harness, Hydraulic Coupler

1шт.

12

87620409

PLATE

Upper Step; Replaces 87422775

1шт.

13

140016

WASHER,M8 x 16mm OD x 1.6mm Thk

5шт.

14

87030531

SCREW,Hex, M8 x 2.1 x 19mm

Screw, Hex Head ST8 X 19 ZND

2шт.

15

300510

BOLT,Hex, M8 x 65mm, Cl 8.8

3шт.

16

33847A

SPACER,1/4" Pipe x 1 13/16"

No Longer Used, Order 87302564

3шт.

16

87302564

SPACER,9.2mm ID x 13.7mm OD x 50.8mm L

1/4" Pipe X 2"

3шт.

17

87426493

HOSE ASSY.,6.35mm ID x 830mm L

Hose, Coupler 830mm (32 11/16 in.)

1шт.

18

87437471

HOSE ASSY.,6.35mm ID x 860mm L

Hose, Coupler 860mm (33 7/8 in.)

1шт.

19

294741A1

CHECK VALVE

1шт.

20

86513019

TEE,1-5/16" - 12 ORB x 1-1/4" JIC x 1-1/4" JIC

Incl 20A

1шт.

20a

165202

O-RING,0.072" Thk x 0.351" ID, -904, Cl 6, 90 Duro

1шт.

21

87030561

NUT,M6 x 1, Cl 8

4шт.

22

86588450

WASHER,6.6mm ID x 12mm OD x 1.6mm Thk

8шт.

23

338413

BOLT,Hex, M6 x 60mm, Cl 8.8

2шт.

24

76344

90 ELBOW,9/16" - 18 JIC x 9/16" - 18 ORB

Incl. 25

1шт.

25

9617873

O-RING,0.078" Thk x 0.468" ID, -906, Cl 6, 90 Duro

1шт.

26

76350

HYD CONNECTOR,9/16" - 18 ORB x 9/16" - 18 JIC

Incl 27

3шт.

27

9617873

O-RING,0.078" Thk x 0.468" ID, -906, Cl 6, 90 Duro

3шт.

28

9993143

HYD CONNECTOR,11/16" - 16 ORFS x 9/16" - 18 ORB

Incl 29, 30

1шт.

29

9993141

O-RING,0.07" Thk x 0.364" ID, -12, Cl 6, 90 Duro

1шт.

30

9617873

O-RING,0.078" Thk x 0.468" ID, -906, Cl 6, 90 Duro

1шт.

31

87421480

HYDRAULIC VALVE

Incl 32 - 34

1шт.

32

87562926

VALVE

Solenoid Valve

1шт.

33

87433496

COIL

1шт.

34

87562923

VALVE

Sequence Valve

1шт.

35

265235

HYD CONNECTOR,7/16" - 20 ORB x 7/16" - 20 JIC

Incl 36

3шт.

36

165202

O-RING,0.072" Thk x 0.351" ID, -904, Cl 6, 90 Duro

3шт.

37

9840542

ELBOW,90 Degree, 9/16"-18 x 9/16"-18, Adj, ORFS

1шт.

38

294884A1

HOSE ASSY.

Hose, Coupler Cylinder Base, 506mm (19 15/16 in.)

1шт.

39

86512934

90 ELBOW,90 Degree, 7/16"-20, 37 Degree x 9/16"-18, O-Ring

Incl 40

1шт.

40

9617873

O-RING,0.078" Thk x 0.468" ID, -906, Cl 6, 90 Duro

1шт.

41

86508570

BOLT,Hex, M6 x 80mm OAL, Cl 8.8

2шт.

42

139398

HYD CONNECTOR,9/16" - 18 ORB x 7/16" - 20 JIC

Incl 43

2шт.

43

9617873

O-RING,0.078" Thk x 0.468" ID, -906, Cl 6, 90 Duro

2шт.

44

294747A1

HOSE ASSY.,6.35mm ID x 176mm L

Hose, Coupler Cylinder Base, 176mm (6 15/16 in.)

1шт.

45

A149800

FUSE,10 Amp

Fuse, 10A

1шт.

Выбрано товаров: 49