Запчасти Case 435 (02-27) - CAMSHAFT - TIMING CONTROL (87380450) (02) - ENGINE

Схема запчастей Case 435 - (02-27) - CAMSHAFT - TIMING CONTROL (87380450) (02) - ENGINE
10
3
1
5
4
9
7
2
5
4
8
6
FIT
1:1
100%

Артикул

Название

Примечание

Количество

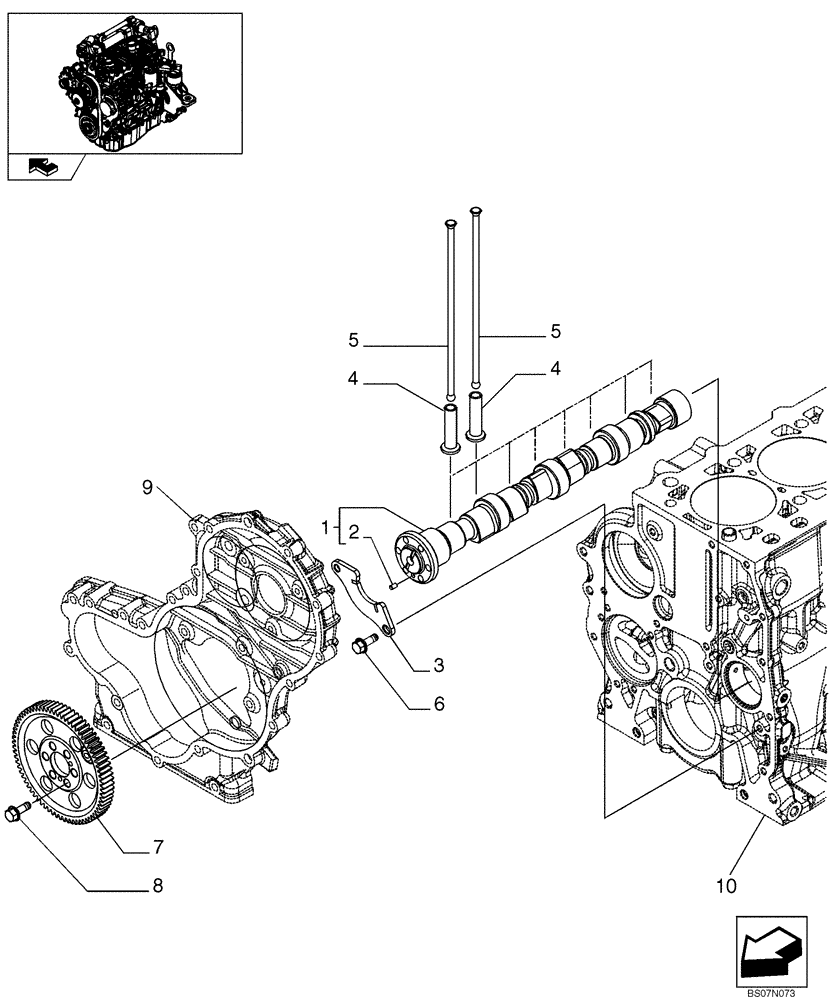
1

504272265

CAMSHAFT

Camshaft Assy

1шт.

1

504272265R

REMAN-CAMSHAFT

435 SKID STEER - TIER 3, ASN N7M425032, Camshaft Assy (1/08-3/11)

1шт.

1

504272265C

Return Number

1шт.

2

10839510

DOWEL,M6 x 9

1шт.

3

4897457

SUPPORT

1шт.

4

98471524

TAPPET

+0,0

8шт.

5

504163240

PUSH ROD

Push Rod

8шт.

6

16673635

BOLT,Hex, M8 x 1.25 x 20mm, Full Thd

2шт.

7

504240396

GEAR

Gear

1шт.

8

16673635

BOLT,Hex, M8 x 1.25 x 20mm, Full Thd

6шт.

9

REF

INSTRUCTION

See Figure 02-13, Engine Block Front Cover

1шт.

10

REF

INSTRUCTION

See Figure 02-11, Cylinder Bock And Related Parts

1шт.

Выбрано товаров: 12