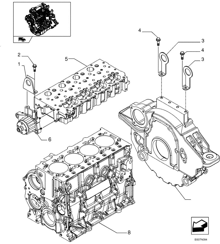
Запчасти Case 435 (02-38) - HOOKS - ENGINE (87380450) (02) - ENGINE

Схема запчастей Case 435 - (02-38) - HOOKS - ENGINE (87380450) (02) - ENGINE
1
3
6
8
5
4
4
2
3
FIT
1:1
100%

Артикул

Название

Примечание

Количество

1

2853667

BRACKET

Bracket

1шт.

2

18139424

SCREW,Hex, M10 x 20mm

M10X20 mm

2шт.

3

504239237

HOOK

Hook

1шт.

4

16677735

SCREW,M12 x 25mm

2шт.

5

REF

INSTRUCTION

See Figure 02-16, Cylinder Head And Related Parts

1шт.

6

REF

INSTRUCTION

See Figure 02-37, Belt Pulley Drive And Cover

1шт.

7

REF

INSTRUCTION

See Figure 02-14, Flywheel Case

1шт.

8

REF

INSTRUCTION

See Figure 02-11, Cylinder Block And Related Parts

1шт.

Выбрано товаров: 8