Качественные детали и логистика
Оригинальные и аналоговые запчасти с доставкой по России, Казахстану и Беларуси
©2022 PartSell ООО "Система" ИНН 2463123282 ОГРН 1212400004838
Центральный офис: г. Красноярск, Академика Киренского, д.87, пом.4
Телефон: 8 (800) 777-65-74 Email: zakaz@partsell.ru
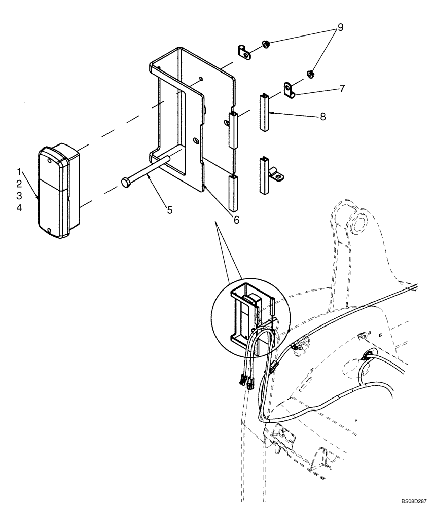
(04-23A) - REAR LIGHTS AND MOUNTING (EUROPE)
№
Артикул
Название
Примечание
Количество
1
177239A2
LAMP, TAIL
LIGHT, TAIL Rear Light, Combination; Incl 2 - 4
1шт.
2
187140A1
LENS
Lens, Rear
3
3131227R1
BULB,P25-1, 12V, 21W
4
3131234R1
BULB,P25-2, 12V, 5W
5
86508573
BOLT,Hex, M10 x 110mm, Cl 8.8
6
367573A1
SUPPORT
Light Bracket
7
86637978
CLAMP,9.5mm, Coat, 8.7mm Bolt Hole, P Type
3шт.
8
D55218
SEAL, GLASS,76mm L
Edge Trim
8шт.
9
86511444
FLANGE NUT,Hex, M6 x 1
2шт.
Выбрано товаров: 0