Запчасти Case 440 (02-05) - GRID HEATER (02) - ENGINE

Схема запчастей Case 440 - (02-05) - GRID HEATER (02) - ENGINE
2
18
14
17
10
3
9
19
11
15
14
8
13
18
1
8
3
10
4
12
5
7
16
6
FIT
1:1
100%

Артикул

Название

Примечание

Количество

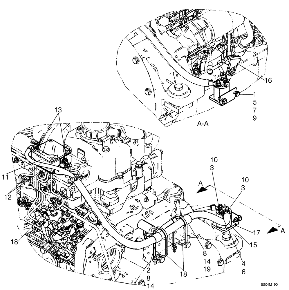
1

7770

NUT,Hex, 1/4 - 20, Cl 5

2шт.

2

43151

BOLT,Hex, M12 x 20mm, Cl 8.8, Full Thd

2шт.

3

80681

LOCK WASHER,5/16"

2шт.

4

80684

LOCK WASHER,4.9mm ID x 8.48mm OD x 1.19mm Thk

1шт.

5

80701

WASHER,0.31" ID x 0.73" OD x 0.07" Thk

2шт.

6

87825

NUT,#10-32

1шт.

7

88146

BOLT,Hex, 1/4" - 20 x 1", Gr 5

2шт.

8

140046

BELLEVILLE WASHER,M12 Bolt Size x 27mm OD x 1.8mm Thk

2шт.

9

322357

BELLEVILLE WASHER,M6 Bolt Size x 14mm OD x 1.3mm Thk

2шт.

10

9626568

JAM NUT,Jam, 5/16"-18, G2

2шт.

11

82017872

HEATER

Grid

1шт.

12

86014151

GASKET,93mm L x 98mm L

2шт.

13

86511444

FLANGE NUT,Hex, M6 x 1

2шт.

14

86625038

CLAMP,25.4mm, Coat, 13.5mm Bolt Hole, P Type

2шт.

15

87030820

CABLE

Grid Heater

1шт.

16

87460067

CABLE ASSY.

Grid Heater

1шт.

17

87406968

SOLENOID SWITCH

Grid Heater

1шт.

18

L18331

CABLE TIE,375.9mm L, Nylon, Black

CABLE STRAP

3шт.

19

9706687

BOLT,M12 x 1.75 x 30mm, Cl 8.8

1шт.

629086

DANGER DECAL

Danger, Do Not Use Ether Starting Fluid

1шт.

Выбрано товаров: 20