Запчасти Case 440 (06-31) - HYDROSTATICS - RESONATOR, MECHANICAL CONTROL (440 EUROPE) (06) - POWER TRAIN

Схема запчастей Case 440 - (06-31) - HYDROSTATICS - RESONATOR, MECHANICAL CONTROL (440 EUROPE) (06) - POWER TRAIN
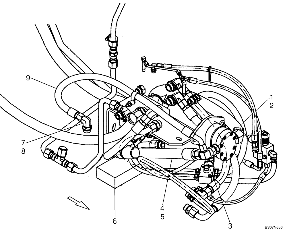
9
8
1
4
3
6
5
7
2
FIT
1:1
100%

Артикул

Название

Примечание

Количество

1

322896

HYD CONNECTOR,1-1/16" - 12 ORB x 1-1/16" - 12 JIC

Incl 2

1шт.

2

167266

O-RING,0.116" Thk x 0.924" ID, -912, Cl 6, 90 Duro

1шт.

3

87441649

ADAPTER

1шт.

4

87462103

HOSE ASSY.

Hose, Resonator

1шт.

5

9790527

PLUG,1-5/16" - 12 JIC

1шт.

6

87353205

PAD

1шт.

7

84570

90 ELBOW,7/8" - 14 JIC x 1-1/16" - 12 ORB

Incl 8

1шт.

8

167266

O-RING,0.116" Thk x 0.924" ID, -912, Cl 6, 90 Duro

1шт.

9

87720912

HOSE,15.88mm ID x 950mm L

Hose, Valve Supply 950mm (37 13/32 in.)

1шт.

Выбрано товаров: 9