Запчасти Case 450 (06-06A) - PUMP, TANDEM - MOUNTING (450 WITH IN-LINE PUMP CONFIGURATION) (06) - POWER TRAIN

Схема запчастей Case 450 - (06-06A) - PUMP, TANDEM - MOUNTING (450 WITH IN-LINE PUMP CONFIGURATION) (06) - POWER TRAIN
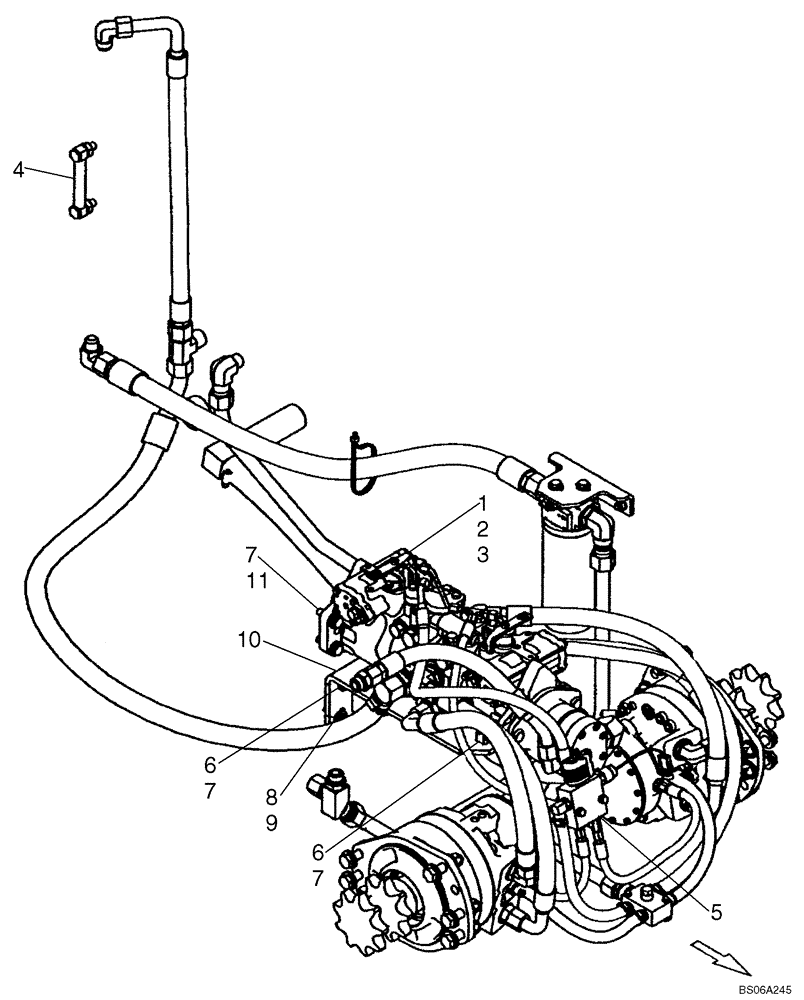
2
8
6
6
4
10
7
7
1
11
9
7
5
3
FIT
1:1
100%

Артикул

Название

Примечание

Количество

REF

INSTRUCTION

450 WITH IN-LINE PUMP CONFIGURATION

1шт.

87350024

PUMP

M46 Tandem Pump; Incl. 1 - 3

1шт.

87350025R

REMAN-HYD PUMP

Reman for New PN 87350024

1шт.

87350025C

CORE-HYDRAULIC PUMP

Return Number

1шт.

87024695R

REMAN-HYD PUMP

450 TIER 2, P.I.N. N7M458414 & PRIOR (1/05-12/07) Reman for New P/N 87350024

1шт.

87024695C

CORE-HYDRAULIC PUMP

Return Number

1шт.

1

87350025

PUMP,46 CC

See Figure 06-27 - 06-31A

1шт.

1

87350025R

REMAN-HYD PUMP

REMANUFACTURED HYDRAULIC PUMP

1шт.

1

87350025C

CORE-HYDRAULIC PUMP

Return Number, HYDRAULIC PUMP

1шт.

2

87024695

PUMP,36 CC

See Figure 06-34

1шт.

87024695R

REMAN-HYD PUMP

450 TIER 2, P.I.N. N7M458414 & PRIOR (1/05-12/07)

1шт.

87024695C

CORE-HYDRAULIC PUMP

Return Number

1шт.

3

87013729

O-RING,0.07" Thk x 3.739" ID, -44, Cl 5, 75 Duro

1шт.

4

87374752

GAUGE

Replaces 87424266

1шт.

5

REF

INSTRUCTION

See Figure 07-02

1шт.

6

43260

BOLT,Hex, M12 x 1.75 x 30mm, Cl 10.9, Full Thd

4шт.

7

86625256

WASHER,13.3mm ID x 28.5mm OD x 4mm Thk

8шт.

8

102268

CONTROL UNIT

SPARE PART CONTROL UNIT

2шт.

9

86624186

WASHER,0.41" ID x 1.12" OD x 0.13" Thk

2шт.

10

87020365

SUPPORT ASSY.

1шт.

11

412087

BOLT,Hex, M12 x 1.75 x 45mm, Cl 10.9, Full Thd

4шт.

Выбрано товаров: 21