Качественные детали и логистика
Оригинальные и аналоговые запчасти с доставкой по России, Казахстану и Беларуси
©2022 PartSell ООО "Система" ИНН 2463123282 ОГРН 1212400004838
Центральный офис: г. Красноярск, Академика Киренского, д.87, пом.4
Телефон: 8 (800) 777-65-74 Email: zakaz@partsell.ru
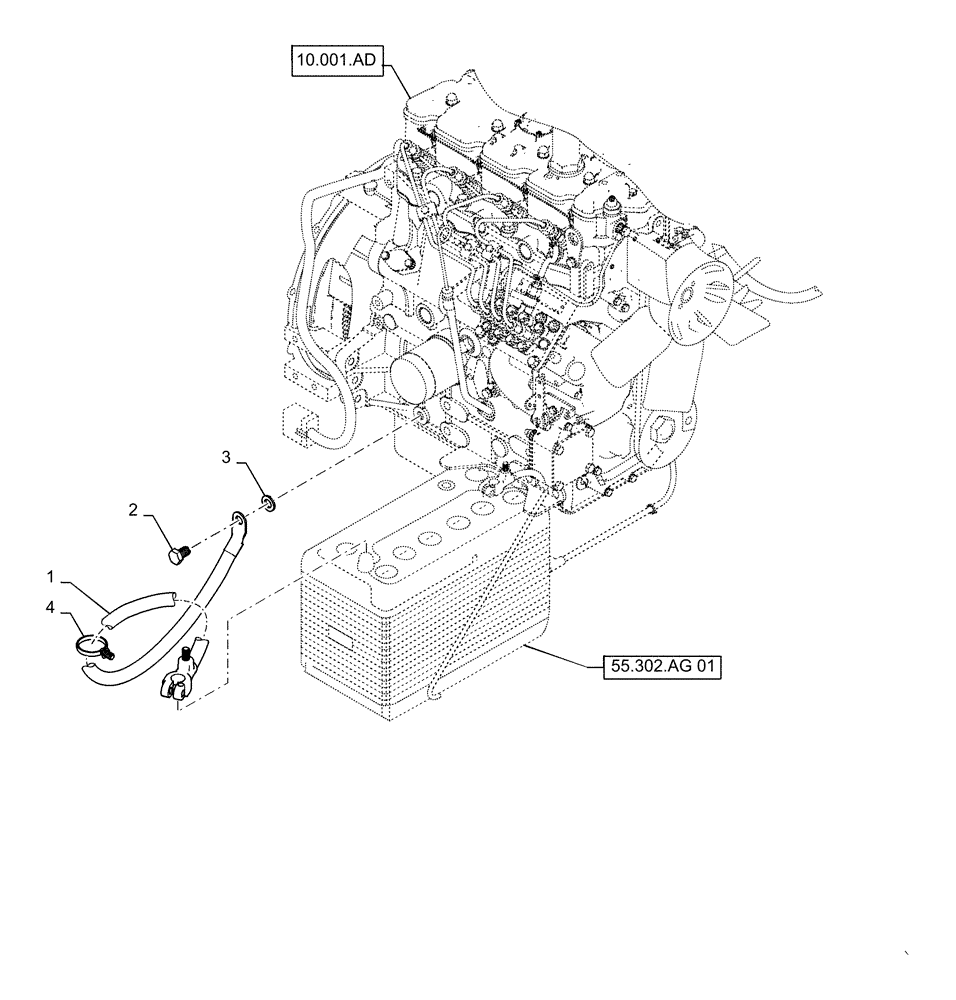
(55.302.AI[02]) - NO BATTERY DISCONNECT SM (SR130,SR150)
№
Артикул
Название
Примечание
Количество
1
84294613
GROUND CABLE,885.5mm L
SM
1шт.
2
15976921
BOLT,Hex, M14 x 1.5 x 22mm, Cl 8.8, Full Thd
Screw
3
87016615
WASHER,15.3mm ID x 28.5mm OD x 3mm Thk
4
87668737
CABLE TIE,203.2mm L, Nylon, Black
Fir Tree Assembly
Выбрано товаров: 0