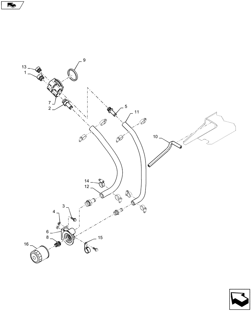
Запчасти Case SR130 (10.304.AJ) - REMOTE ENGINE OIL FILTER (10) - ENGINE

Схема запчастей Case SR130 - (10.304.AJ) - REMOTE ENGINE OIL FILTER (10) - ENGINE
12
10
2
8
14
3
7
15
11
13
4
home
5
16
6
1
9
FIT
1:1
100%

Артикул

Название

Примечание

Количество

1

163410

PLUG,1-1/16" - 12 ORB

1шт.

2

614661

FITTING,1-1/16" - 12 ORB x 3/4" Hose, Beaded

2шт.

3

43127

BOLT,Hex, M8 x 1.25 x 25mm, Cl 8.8

2шт.

4

86505868

SERRATED NUT,Hex, M8 x 1.25, Cl 8

2шт.

5

217-175

FITTING,5/8" Hose Barb x 7/8" - 14 Male ORB

2шт.

6

84296830

ADAPTER

Oil filter

1шт.

7

84296855

ADAPTER

Remote Oil Filter

1шт.

8

84297795

ADAPTER

Filter Head

1шт.

9

84303971

SEALING RING,62.5mm ID x 72mm OD x 8mm Thk

Oil filter

1шт.

10

84554254

TRIM,30480mm L

210mm, Edge

1шт.

11

47637518

HOSE,15.90mm ID x 550mm L, -10, SAE100R6 High Temp

1шт.

12

47637521

HOSE,19.10mm ID x 550mm L, -12, SAE100R6 High Temp

1шт.

13

86512512

PLUG,7/8" - 14 ORB

1шт.

14

86625021

HOSE CLAMP,17.5mm - 31.7mm, Worm Gear

8шт.

15

87313351

CLIP,25.4mm, Coat, 8.7mm Bolt Hole, J Type

1шт.

16

84475542

ENGINE OIL FILTER

1шт.

Выбрано товаров: 16