Запчасти Case SR150 (50.100.AP[01]) - HEATER, SMALL FRAME (SR150) (50) - CAB CLIMATE CONTROL

Схема запчастей Case SR150 - (50.100.AP[01]) - HEATER, SMALL FRAME (SR150) (50) - CAB CLIMATE CONTROL
9
4
6
7
12
8
2
50.100.ac 01
5
3
1
10
11
13
FIT
1:1
100%

Артикул

Название

Примечание

Количество

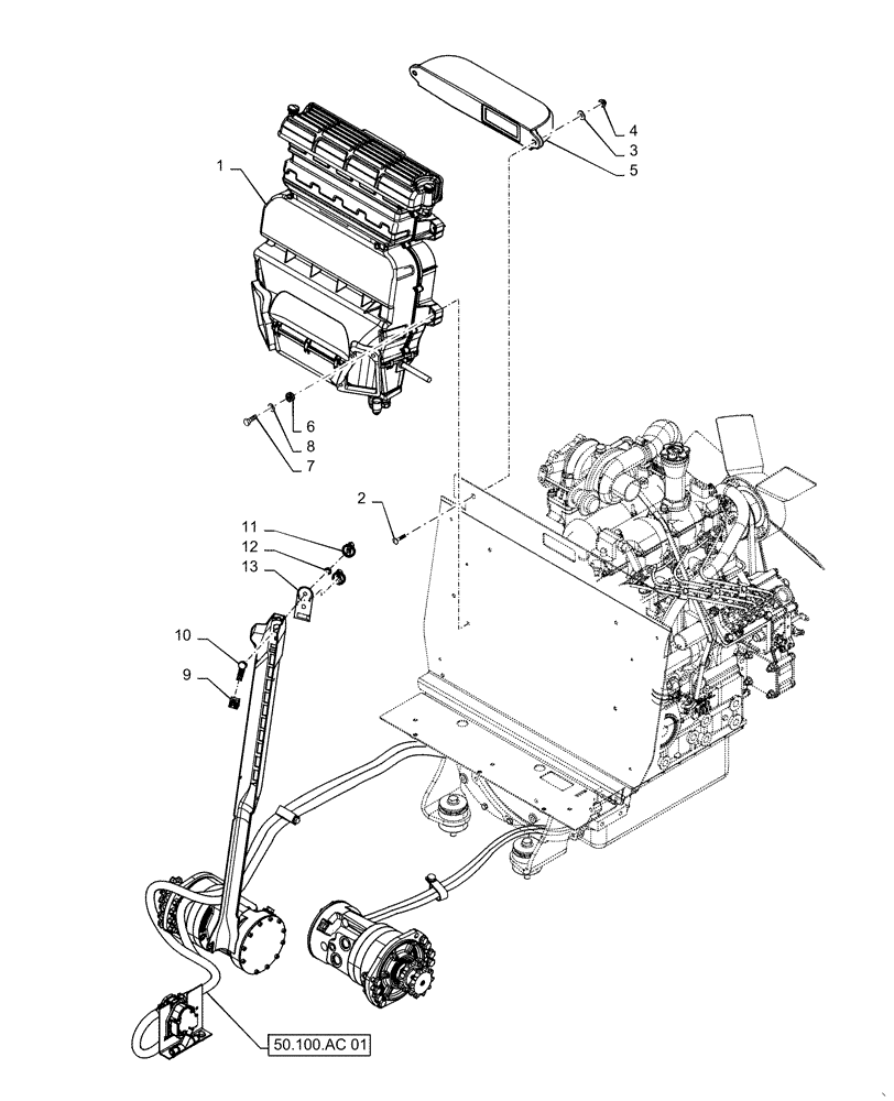
1

84267543

HEATER

1шт.

2

86512441

CARRIAGE BOLT,Rnd Head, M6 x 1 x 36.6mm, Cl 8.8

2шт.

3

87655042

SPECIAL WASHER,8.8mm ID x 17.5mm OD x 2.2mm Thk

M8, 8.80 X 17.5 X 2.2 HTS

2шт.

4

86619800

FLANGE NUT,M6 x 1, Cl 8

2шт.

5

84280313

AIR DUCT

Intake

1шт.

6

84272827

RIVET,Flat Flg Head, 12.7mm OD x 17.4mm L

4шт.

7

86511833

SCREW,Phillips Drive, Pan HD, M6 x 40mm

4шт.

8

86624183

WASHER,6.6mm ID x 25mm OD x 1.6mm Thk

4шт.

9

86729669

SWITCH

Blower/Light, Years: -14-NOV-12

1шт.

9

47376503

ROTARY SWITCH

Blower/Light, Start Year: 15-NOV-12

1шт.

10

86729675

SWITCH,5000 Ohm

Switch

1шт.

11

86729670

KNOB

2шт.

12

87310592

JAM NUT,7/16" - 28, Gr 5

2шт.

13

84347261

DECAL

HVAC, Heat Only

1шт.

Выбрано товаров: 14