Запчасти Case SR150 (55.302.AI[01]) - BATTERY DISCONNECT SM (SR130,SR150) (55) - ELECTRICAL SYSTEMS

Схема запчастей Case SR150 - (55.302.AI[01]) - BATTERY DISCONNECT SM (SR130,SR150) (55) - ELECTRICAL SYSTEMS
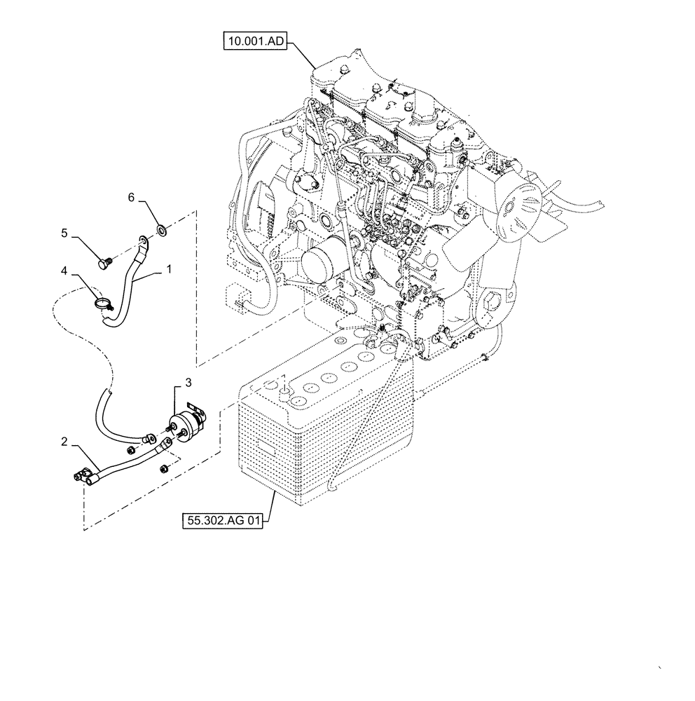
10.001.ad
5
2
3
1
6
4
55.302.ag 01
FIT
1:1
100%

Артикул

Название

Примечание

Количество

1

84295123

GROUND CABLE,740mm L

SM

1шт.

2

84295122

NEG BATTERY CABLE

1шт.

3

87458467

ROTARY SWITCH

Master Disconnect

1шт.

4

87668737

CABLE TIE,203.2mm L, Nylon, Black

Fir Tree Assembly

1шт.

5

15976921

BOLT,Hex, M14 x 1.5 x 22mm, Cl 8.8, Full Thd

Screw

1шт.

6

87016615

WASHER,15.3mm ID x 28.5mm OD x 3mm Thk

1шт.

7

176332A1

DECAL

1шт.

Выбрано товаров: 7