Запчасти Case SR150 (10.250.01) - TURBOCHARGER (10) - ENGINE

Схема запчастей Case SR150 - (10.250.01) - TURBOCHARGER (10) - ENGINE
33
9
5
30
21
22
33
25
33
6
26
4
33
2
1
16
8
32
31
27
12
17
23
15
10
28
19
3
33
33
home
29
33
7
11
14
13
33
20
24
FIT
1:1
100%

Артикул

Название

Примечание

Количество

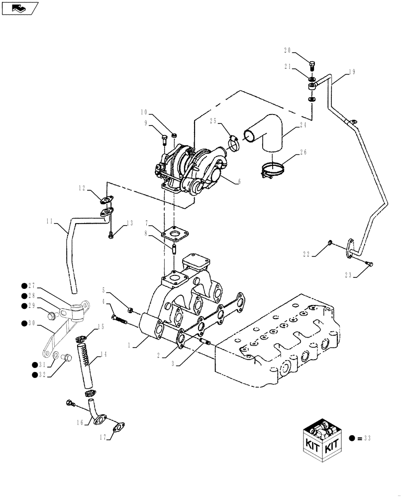
1

SBA135617240

EXHAUST MANIFOLD

Exhaust

1шт.

2

SBA135996780

MANIFOLD GASKET

1шт.

3

SBA012110875

STUD

Bolt

2шт.

4

SBA011510875

BOLT

6шт.

5

9804277

FLANGE NUT,Hex, M8 x 1.25, Cl 8

2шт.

6

SBA135756171

TURBOCHARGER

1шт.

6

SBA135756171R

REMAN-TURBOCHARGER

Reman For New PN SBA135756171

1шт.

6

SBA135756171C

CORE-TURBOCHARGER

Return Number

1шт.

7

SBA135997020

GASKET

1шт.

8

SBA012109235

STUD

Stainless Steel

2шт.

9

SBA010109465

SCREW

Stainless Steel

2шт.

10

9804277

FLANGE NUT,Hex, M8 x 1.25, Cl 8

2шт.

11

SBA140607320

TUBE

1шт.

12

SBA140996280

GASKET

1шт.

13

SBA011310616

BOLT,M6 x 1 x 16, Cl 8.8

2шт.

14

SBA063209121

HOSE

1шт.

15

SBA198756200

BAND

Band

2шт.

16

SBA140607370

TUBE

1шт.

17

SBA140996280

GASKET

1шт.

18

SBA011310616

BOLT,M6 x 1 x 16, Cl 8.8

2шт.

19

SBA140607360

PIPE

1шт.

20

SBA198486780

BANJO BOLT

M8 x 1.25; If Used

1шт.

20

SBA198487840

SCREW

M10 x 1.5; If Used

1шт.

21

SBA054109025

SEAL

2шт.

22

SBA052109078

O-RING,2.4mm Thk x 9.8mm ID

1шт.

23

SBA011310616

BOLT,M6 x 1 x 16, Cl 8.8

2шт.

24

SBA135596570

ELBOW

Hose, Rubber

1шт.

25

SBA067100065

CLIP

1шт.

26

SBA398750450

BAND

1шт.

27

SBA198116970

1шт.

28

SBA199116530

1шт.

29

SBA010800814

BOLT

1шт.

30

SBA185977470

1шт.

31

SBA06200008

1шт.

32

SBA011510816

BOLT

1шт.

33

SBA185977480

KIT

Inc 27-32

1шт.

Выбрано товаров: 36