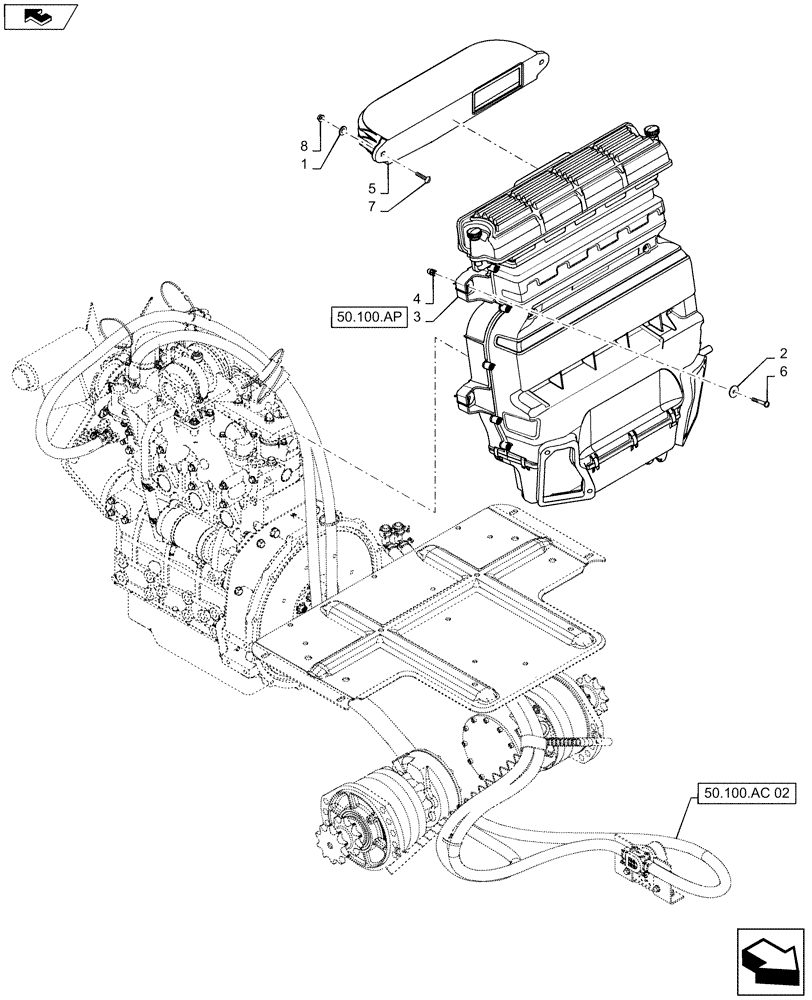
Запчасти Case SR150 (50.100.AC[01]) - HEATING SYSTEM (50) - CAB CLIMATE CONTROL

Схема запчастей Case SR150 - (50.100.AC[01]) - HEATING SYSTEM (50) - CAB CLIMATE CONTROL
6
7
50.100.ap
home
1
4
3
8
2
50.100.ac 02
5
FIT
1:1
100%

Артикул

Название

Примечание

Количество

1

87655042

SPECIAL WASHER,8.8mm ID x 17.5mm OD x 2.2mm Thk

2шт.

2

86624183

WASHER,6.6mm ID x 25mm OD x 1.6mm Thk

4шт.

3

84267543

HEATER

Complete

1шт.

4

84272827

RIVET,Flat Flg Head, 12.7mm OD x 17.4mm L

4шт.

5

84280313

AIR DUCT

External

1шт.

6

86511833

SCREW,Phillips Drive, Pan HD, M6 x 40mm

4шт.

7

86512441

CARRIAGE BOLT,Rnd Head, M6 x 1 x 36.6mm, Cl 8.8

2шт.

8

86619800

FLANGE NUT,M6 x 1, Cl 8

2шт.

Выбрано товаров: 8