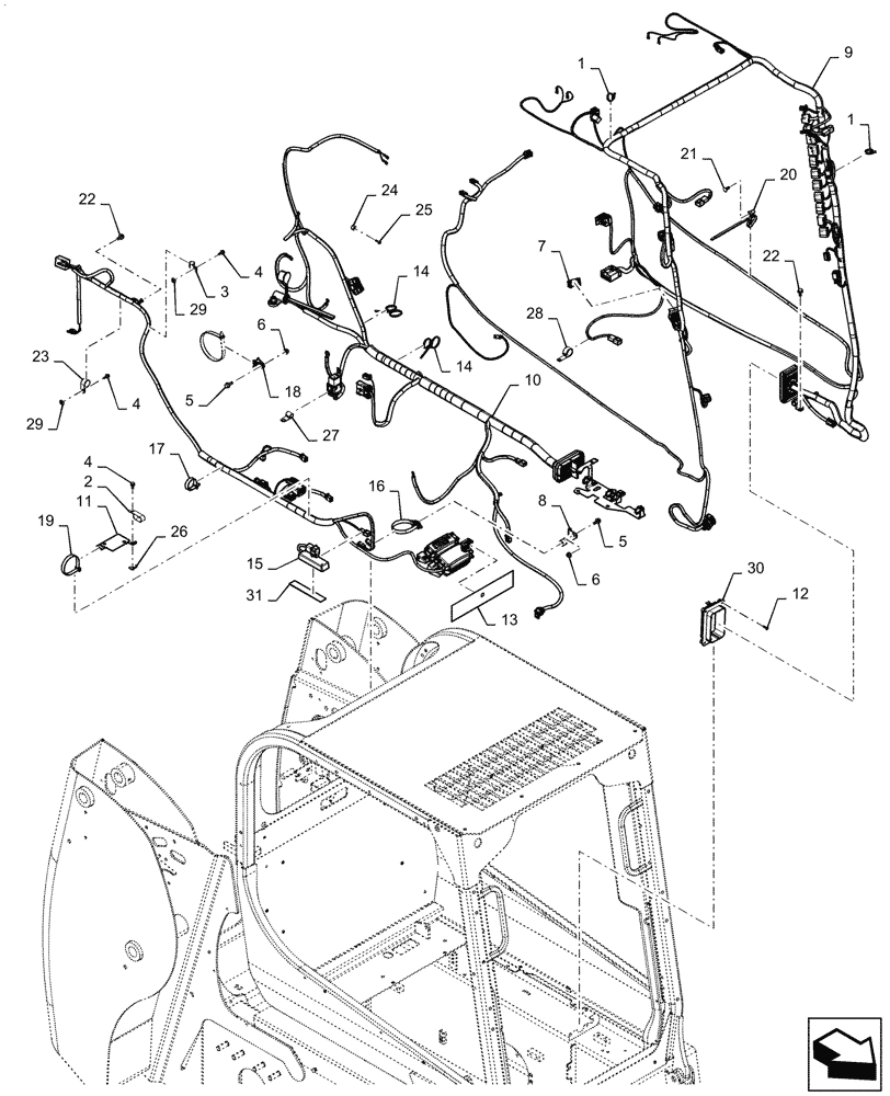
Запчасти Case SR150 (55.101.AC[01]) - WIRE HARNESS & CONNECTOR, MECHANICAL CONTROLS (25-AUG-2015 THRU 13-NOV-2016) (55) - ELECTRICAL SYSTEMS

Схема запчастей Case SR150 - (55.101.AC[01]) - WIRE HARNESS & CONNECTOR, MECHANICAL CONTROLS (25-AUG-2015 THRU 13-NOV-2016) (55) - ELECTRICAL SYSTEMS
9
1
24
22
11
15
5
26
13
3
25
7
19
6
18
23
30
10
5
28
31
20
29
4
1
17
4
4
14
16
12
21
22
8
2
6
14
27
29
FIT
1:1
100%

Артикул

Название

Примечание

Количество

1

263117

CABLE TIE,292.1mm L, Nylon, Black

17шт.

2

578070

CLAMP,19mm, Coat, 8.7mm Bolt Hole, P Type

1шт.

3

9706748

CLAMP,15.9mm, Coat, 8.7mm Bolt Hole, P Type

1шт.

4

9804255

BOLT,Hex, M6 x 1 x 16mm, Full Thd, Cl 8.8

3шт.

5

9804258

BOLT,Hex, M8 x 1.25 x 20mm, Cl 8.8

2шт.

6

9804277

FLANGE NUT,Hex, M8 x 1.25, Cl 8

2шт.

7

126844A1

PLUG,1.427” x .62” , Plastic

1шт.

8

47807590

BRACKET

Crossover, Lower Guide

1шт.

9

47813020

WIRE HARNESS

Cab, Mech

1шт.

10

47813033

WIRE HARNESS

Chassis, Mech

1шт.

11

47820698

BRACKET

Harness Support

1шт.

12

47825034

SCREW,Pan Head, #10 - 14 x 5/8"

4шт.

13

47878679

DECAL

Fuse Box Layout, Mech

1шт.

14

82012869

CABLE TIE,300mm L, Nylon, Black

4шт.

15

84131374

MODULE

Prop Aux

1шт.

16

84259663

CABLE TIE,228.6mm L, Nylon, Black

3шт.

17

84266050

CABLE TIE,384mm L, Polyamide

13шт.

18

84360210

BASE

Tie

1шт.

19

84360212

CABLE TIE,294.2mm L, Nylon

1шт.

20

84420746

CABLE TIE,403.9mm L, Nylon

10шт.

21

84420768

FASTENER,Pine Tree, 5/8" x 20.01mm

10шт.

22

86511841

BOLT,Flng, M8 x 1.25 x 16mm, Full Thd, Cl 8.8

5шт.

23

86637977

CLAMP,25.4mm, Coat, 8.7mm Bolt Hole, P Type

1шт.

24

86639241

NUT,Prev Torque, M5 x 0.8, Cl 8

1шт.

25

86639263

BOLT,Hex, M5, Cl 8

1шт.

26

87016585

NUT,Spring, M6 x 1

1шт.

27

87301490

CLAMP,12.7mm, Coat, 10.3mm Bolt Hole, J Type

1шт.

28

87313351

CLIP,25.4mm, Coat, 8.7mm Bolt Hole, J Type

1шт.

29

87404992

SQUARE NUT,M6 x 1.0, Cl 8

2шт.

30

87718301

WIRE CONNECTOR,Flange

1шт.

31

87739941

TAPE

Cut to Length, 150mm

1шт.

Выбрано товаров: 31