Запчасти Case SR150 (88.035.06) - DIA KIT, BUCKET SELF LEVEL (88) - ACCESSORIES

Схема запчастей Case SR150 - (88.035.06) - DIA KIT, BUCKET SELF LEVEL (88) - ACCESSORIES
35.357.ag 01
3
4
10
1
9
7
9
3
8
home
2
5
6
12
11
13
35.701.bu 03
35.355.ah
35.356.av
35.701.ax 01
55.512.bg
FIT
1:1
100%

Артикул

Название

Примечание

Количество

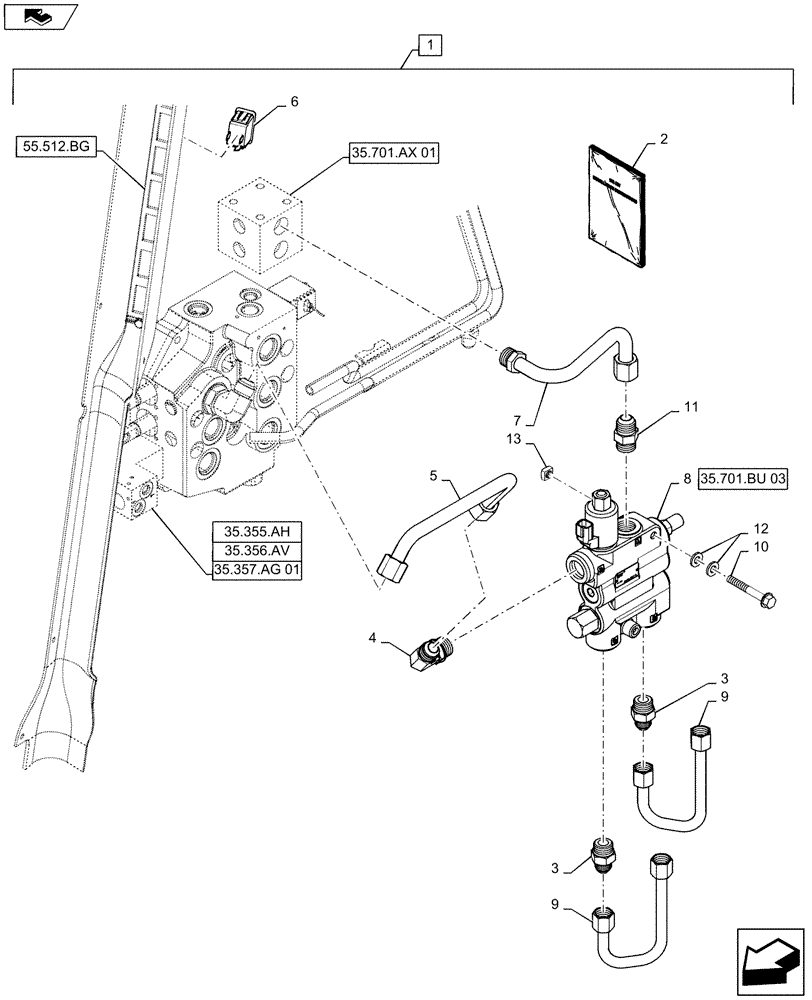
1

84342074

KIT

Bucket Self Level, Incl 2 - 13

1шт.

2

84366427

INSTRUCTION

Installation

1шт.

3

128819

HYD CONNECTOR,7/8" - 14 ORB x 3/4" - 16 JIC

2шт.

4

164910

90 ELBOW,7/8" - 14 JIC x 7/8" - 14 ORB

1шт.

5

84186140

RIGID TUBE

Lower, Loader Valve To Self Level Valve

1шт.

6

84271904

SWITCH

Rocker, Self Leveling

1шт.

7

84293502

HYD TUBE

Lower, Self Level Valve To Manifold

1шт.

8

84326479

VALVE

Self Level

1шт.

9

84335149

TUBE

Self Level Valve To Tip Cylinder

2шт.

10

86511843

BOLT,Hex Flng, M8 x 1.25 x 60mm, Cl 8.8

2шт.

11

87301330

HYD CONNECTOR,7/8" - 14 ORB x 7/8" - 14 JIC

1шт.

12

87655042

SPECIAL WASHER,8.8mm ID x 17.5mm OD x 2.2mm Thk

4шт.

13

229197A1

SQUARE NUT,M8 x 1.25, Cl 8

2шт.

Выбрано товаров: 13