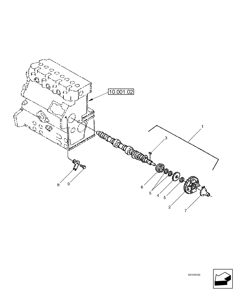
Запчасти Case SR150 (10.106.AA) - CAMSHAFT (10) - ENGINE

Схема запчастей Case SR150 - (10.106.AA) - CAMSHAFT (10) - ENGINE
4
1
7
10.001.02
3
8
6
5
2
5
9
FIT
1:1
100%

Артикул

Название

Примечание

Количество

1

SBA120026970

CAMSHAFT

Incl. Ref 2 - 6

1шт.

SBA120026970R

REMAN-CAMSHAFT

1шт.

SBA120026970C

CORE-CAMSHAFT

Return Number

1шт.

2

SBA120016050

GEAR

Cam, Complete

1шт.

3

SBA034100508

KEY

1шт.

4

SBA120736081

GEAR

1шт.

5

SBA199216230

SPACER

3шт.

6

SBA040109057

BEARING

1шт.

7

SBA125256120

SLIDE GUIDE

1шт.

8

SBA199566750

BRACKET

1шт.

9

SBA011310612

CAPTIVE WASHER SCREW,Hex, M6 x 12, Cl 8.8

2шт.

Выбрано товаров: 11