Запчасти Case SR160 (55.302.AG) - BATTERY & CABLE (55) - ELECTRICAL SYSTEMS

Схема запчастей Case SR160 - (55.302.AG) - BATTERY & CABLE (55) - ELECTRICAL SYSTEMS
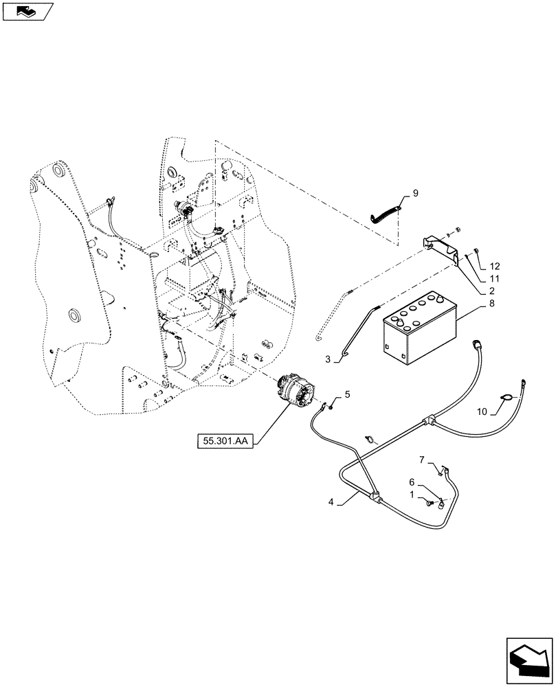
5
11
12
10
9
home
8
6
4
1
2
7
55.301.aa
3
FIT
1:1
100%

Артикул

Название

Примечание

Количество

1

15976921

BOLT,Hex, M14 x 1.5 x 22mm, Cl 8.8, Full Thd

1шт.

2

84420303

STRAP

Battery Mount

1шт.

3

47505880

HOOK

Battery Tie Down

2шт.

4

47514146

POS BATTERY CABLE

Harness

1шт.

5

86505868

SERRATED NUT,Hex, M8 x 1.25, Cl 8

1шт.

6

86598598

CLAMP,19mm, Insulated, 13.5mm Bolt Hole - P Type

1шт.

7

86619802

FLANGE NUT,M10 x 1.5, Cl 8

1шт.

8

B31925SW

WET BATTERY

12V 105AH 925CCA

1шт.

9

D140369

GROUND STRAP,260mm L

Ground Strap

1шт.

10

L11541

CABLE TIE,203.2mm L, Nylon

1шт.

11

86624144

WASHER,0.41" ID x 0.75" OD x 0.12" Thk

2шт.

12

86625064

NUT,Prev Torque, 3/8" - 16, Gr B

2шт.

Выбрано товаров: 12