Запчасти Case SR160 (10.001.AB) - CRANKCASE, ASSOCIATED PARTS (10) - ENGINE

Схема запчастей Case SR160 - (10.001.AB) - CRANKCASE, ASSOCIATED PARTS (10) - ENGINE
2
11
6
18
10.102.ap
24
14
21
23
9
17
home
13
25
15
9
3
20
7
2
19
10
8
1
4
26
5
16
22
12
2
FIT
1:1
100%

Артикул

Название

Примечание

Количество

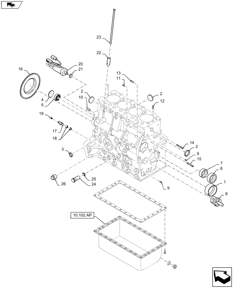
1

SBA198517222

BUSHING

1шт.

2

SBA064209055

CAP

5шт.

3

SBA064210025

PLUG,25mm

2шт.

4

SBA064100045

PLUG

1шт.

5

SBA040106203

BALL BEARING,17mm ID x 40mm OD x 12mm W

1шт.

6

SBA042309017

NEEDLE BEARING

1шт.

7

SBA042309018

NEEDLE BEARING

1шт.

8

SBA165296260

SHAFT

1шт.

9

SBA030500616

DOWEL,M6 x 16

2шт.

10

SBA030501025

BALL STUD,M10 x 25 L

2шт.

11

SBA030500612

DOWEL

2шт.

12

SBA030309005

PIN

2шт.

13

SBA012110820

STUD

3шт.

14

SBA012110635

STUD

1шт.

15

SBA012110660

STUD

1шт.

16

SBA050209083

SEAL

1шт.

17

SBA110756660

GUIDE

1шт.

18

SBA052109113

O-RING,2.4mm Thk x 9.8mm ID

2шт.

19

SBA010700610

BOLT

1шт.

20

SBA185206510

SOLENOID

Fuel Shut Off

1шт.

21

SBA025100016

WASHER,16.4mm ID x 27mm OD x 2mm Thk

1шт.

22

SBA120116160

TAPPET

8шт.

23

SBA120456310

PUSH ROD

8шт.

24

SBA140036220

VALVE PRESSURE RELIE

1шт.

25

SBA052109078

O-RING,2.4mm Thk x 9.8mm ID

1шт.

26

SBA064500060

PLUG

1шт.

Выбрано товаров: 26