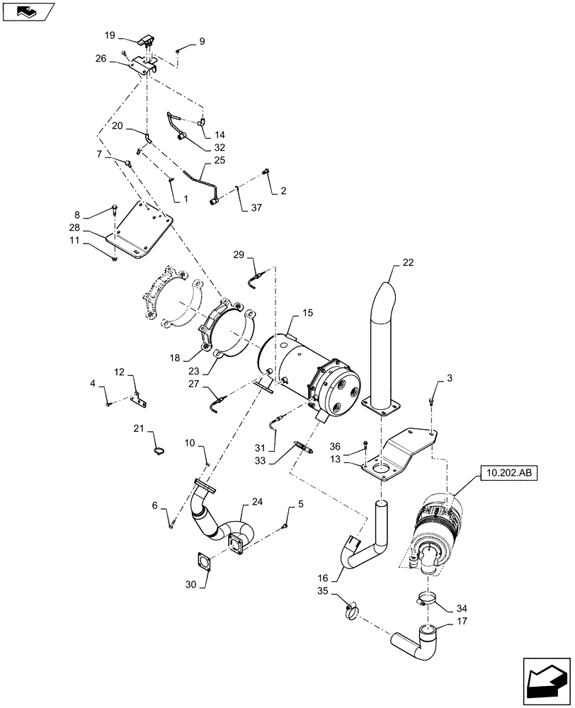
Запчасти Case SR160 (10.202.AD) - AIR CLEANER - AIR INTAKE PARTS (10) - ENGINE

Схема запчастей Case SR160 - (10.202.AD) - AIR CLEANER - AIR INTAKE PARTS (10) - ENGINE
home
16
1
18
8
34
29
35
33
28
5
27
30
19
26
20
22
7
31
3
13
4
15
21
17
10
6
2
10.202.ab
23
37
11
32
25
14
12
36
24
9
FIT
1:1
100%

Артикул

Название

Примечание

Количество

1

574518

HOSE CLAMP,6.3mm - 15.7mm, SAE # 4

4шт.

2

5155703

BANJO BOLT,M12 x 1.25 x 22mm

2шт.

3

9671714

FLANGE BOLT,Hex, M8 x 1.25 x 25mm, Cl 8.8

2шт.

4

9804256

BOLT,Hex, M6 x 1 x 20mm, Full Thd, Cl 8.8

5шт.

5

9804258

BOLT,Hex, M8 x 1.25 x 20mm, Cl 8.8

4шт.

6

9804260

BOLT,Hex, M8 x 1.25 x 30mm, Full Thd, Cl 8.8

4шт.

7

9804262

BOLT,M10 x 39.2mm, Cl 8.8

4шт.

8

9804263

BOLT,M10 x 49.2mm, Cl 8.8

6шт.

9

9804276

FLANGE NUT,Hex, M6 x 1, Cl 8

5шт.

10

9804277

FLANGE NUT,Hex, M8 x 1.25, Cl 8

4шт.

11

9804278

FLANGE NUT,M10 x 1.5, Cl 8

6шт.

12

47405177

BRACKET

Temp Sensor

1шт.

13

47515485

BRACKET

Air Cleaner

1шт.

14

84426109

HOSE

Delta

1шт.

15

84476785

FILTER

DPF

1шт.

16

84481751

TUBE

DPF to Tailpipe

1шт.

17

84482607

INTAKE AIR HOSE

Intake Air

1шт.

18

84490978

CLAMP

DPF

2шт.

19

84491894

SENSOR

Delta Pressure

1шт.

20

84492738

HOSE

Delta

1шт.

21

L11541

CABLE TIE,203.2mm L, Nylon

1шт.

22

84518091

EXHAUST SYSTEM PIPE

Exhaust Stack

1шт.

23

84529031

CLAMP

Collar, DPF

2шт.

24

84532582

EXHAUST SYSTEM PIPE

Burner To DPF

1шт.

25

84532790

TUBE

Assy Delta

1шт.

26

84533199

BRACKET

Delta Sensor

1шт.

27

84535501

SENSOR

Temperature

1шт.

28

84553410

BRACKET

DPF

1шт.

29

84568821

SENSOR

Temperature

1шт.

30

84568826

GASKET

Exhaust

2шт.

31

84573234

SENSOR

Temperature

1шт.

32

84581885

TUBE

Assy Delta

1шт.

33

84588569

CLAMP,54mm ID, Muffler

1шт.

34

86050197

HOSE CLAMP,58.6mm - 82.5mm, Worm Gear

1шт.

35

86050202

HOSE CLAMP,1.59” - 2.5”, Worm Gear

1шт.

36

86625201

SELF-TAP SCREW,M8 x 1.25 x 30mm L

4шт.

37

934005R1

SEALING RING,12mm ID x 18mm OD x 1.5mm Thk

4шт.

Выбрано товаров: 37