Запчасти Case SR160 (10.218.ae) - FUEL SYSTEM INJECTOR (10) - ENGINE

Схема запчастей Case SR160 - (10.218.ae) - FUEL SYSTEM INJECTOR (10) - ENGINE
12
10
7
17
10
4
19
2
8
5
11
3
13
6
14
20
16
15
9
15
18
1
home
FIT
1:1
100%

Артикул

Название

Примечание

Количество

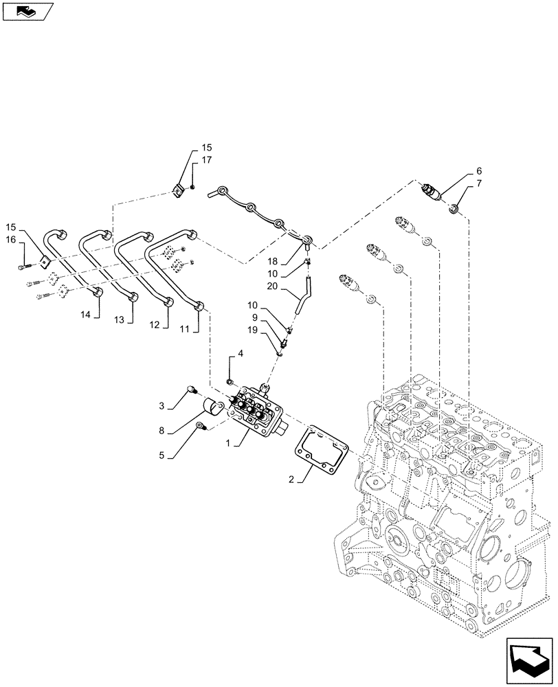
1

SBA131011160

FUEL INJECTION PUMP

1шт.

2

SBA131437491

SHIM

0.20

1шт.

2

SBA131437731

SHIM,0.25mm Thk

0.25

1шт.

2

SBA131437501

SHIM

0.30

1шт.

2

SBA131437761

SHIM,0.35mm Thk

0.35

1шт.

2

SBA131437511

SHIM

0.40

1шт.

2

SBA131437521

SHIM,0.5mm Thk

0.50

1шт.

2

SBA131437531

SHIM

1шт.

3

SBA010800820

BOLT

2шт.

4

SBA023100008

NUT

3шт.

5

SBA010700820

BOLT

1шт.

6

SBA131406360

FUEL SYSTEM INJECTOR

4шт.

6

87298764

REMAN-FUEL INJECTOR

Reman For New SBA131406360

4шт.

6

87298765

CORE-FUEL INJECTOR

Return Number

4шт.

7

SBA131426200

SEAL

4шт.

8

SBA399110280

CLAMP

1шт.

9

SBA198487920

HYD CONNECTOR

1шт.

10

SBA067200078

HOSE CLAMP

2шт.

11

SBA131501030

RIGID TUBE

1шт.

12

SBA131501040

RIGID TUBE

1шт.

13

SBA131501050

RIGID TUBE

1шт.

14

SBA131501060

RIGID TUBE

1шт.

15

SBA199106021

CLAMP

6шт.

16

SBA010110625

SCREW

3шт.

17

SBA023100006

NUT

3шт.

18

SBA131607230

INJECTION PIPE

1шт.

19

SBA140996350

COPPER WASHER,8.36mm ID x 12.98mm OD x 1.02mm Thk

1шт.

20

SBA068204112

HOSE

1шт.

Выбрано товаров: 28