Запчасти Case SR160 (10.400.BB) - WATER PUMP & RELATED PARTS (10) - ENGINE

Схема запчастей Case SR160 - (10.400.BB) - WATER PUMP & RELATED PARTS (10) - ENGINE
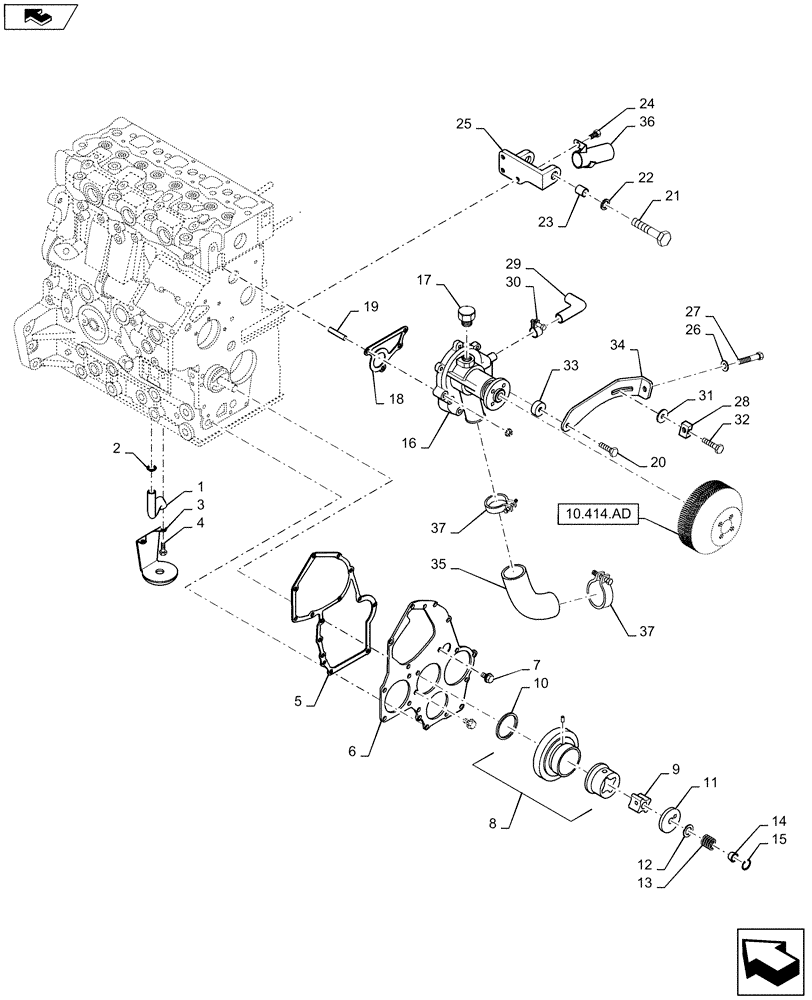
17
8
27
29
21
35
2
11
7
12
5
1
24
3
9
37
23
13
4
28
22
31
19
37
30
home
14
16
33
36
18
25
26
10.414.ad
34
32
20
10
15
6
FIT
1:1
100%

Артикул

Название

Примечание

Количество

1

SBA140987090

PIPE

1шт.

2

SBA052109076

O-RING,2.4mm Thk x 10.8mm ID

1шт.

3

SBA140406730

FILTER

1шт.

4

SBA011310612

CAPTIVE WASHER SCREW,Hex, M6 x 12, Cl 8.8

2шт.

5

SBA165996540

GASKET

1шт.

6

SBA165166650

PLATE

1шт.

7

SBA011310612

CAPTIVE WASHER SCREW,Hex, M6 x 12, Cl 8.8

2шт.

8

SBA165026230

IDLER GEAR

1шт.

8

SBA165026230R

REMAN-ENG OIL PUMP

1шт.

8

SBA165026230C

CORE-ENGINE OIL PUMP

Return Number

1шт.

9

SBA140166250

ROTOR

1шт.

10

SBA199266270

WASHER, THRUST

1шт.

11

SBA140116220

COVER

1шт.

12

SBA199286150

SHIM,0.1mm Thk

1шт.

12

SBA199286160

SHIM,0.15mm Thk

1шт.

12

SBA199286170

SHIM,0.2mm Thk

1шт.

12

SBA199286180

SHIM,0.5mm Thk

1шт.

13

SBA198216720

SPRING

1шт.

14

SBA199236540

COLLAR

1шт.

15

SBA036800010

SNAP RING

1шт.

16

SBA145017730

WATER PUMP

1шт.

16

SBA145017730R

REMAN-WATER PUMP

1шт.

16

SBA145017730C

CORE-WATER PUMP

Return Number

1шт.

17

SBA198466910

PLUG

1шт.

18

SBA145996990

GASKET

1шт.

19

SBA012110635

STUD

4шт.

20

SBA011510835

BOLT

1шт.

21

SBA010109680

BOLT

1шт.

22

SBA027100010

WASHER

1шт.

23

SBA199237170

COLLAR

1шт.

24

SBA011510825

CAPTIVE WASHER SCREW,Hex, M8 x 25, G5

3шт.

25

SBA185977850

BRACKET

1шт.

26

SBA026200008

WASHER

1шт.

27

SBA013110895

BOLT

1шт.

28

SBA199237050

COLLAR

1шт.

29

SBA145536051

HOSE

1шт.

30

SBA067100022

HOSE CLAMP

2шт.

31

SBA026109017

WASHER

1шт.

32

SBA011510845

BOLT

1шт.

33

SBA199237190

SPACER

1шт.

34

SBA185727510

ADJUSTING PLATE

1шт.

35

SBA145537680

HOSE

1шт.

36

SBA145986470

PIPE

1шт.

37

SBA067100043

BAND

2шт.

Выбрано товаров: 44