Запчасти Case SR175 (29.218.AO[06]) - TANDEM HYDROSTATIC PUMP, 35CC DISPLACEMENT CONTROL, REAR (SR130 - SV185) (29) - HYDROSTATIC DRIVE

Схема запчастей Case SR175 - (29.218.AO[06]) - TANDEM HYDROSTATIC PUMP, 35CC DISPLACEMENT CONTROL, REAR (SR130 - SV185) (29) - HYDROSTATIC DRIVE
3
8
6
2
7
2
3
4
12
11
12
29.218.ao 07
9
10
1
9
11
8
5
29.218.ao 05
4
FIT
1:1
100%

Артикул

Название

Примечание

Количество

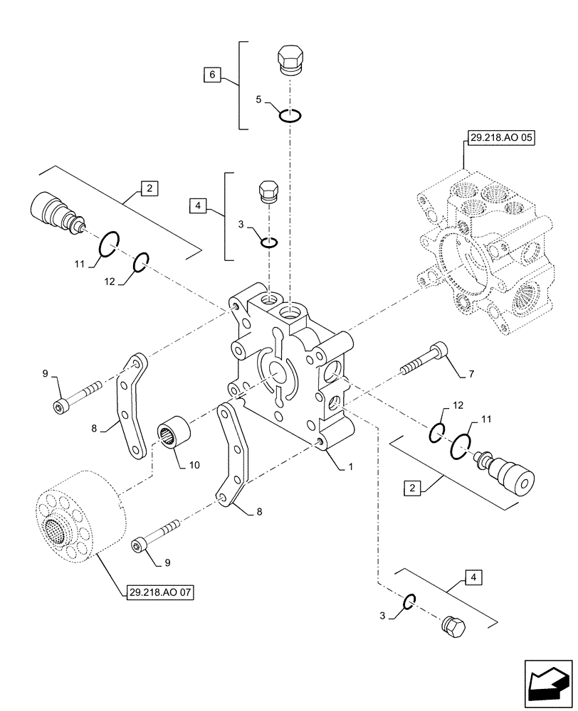
1

241592A1

COVER

End Cap

1шт.

2

108194A2

VALVE

Assy, Incl 11 & 12

2шт.

3

237-6006

O-RING,0.078" Thk x 0.468" ID, -906, Cl 6, 90 Duro

2шт.

4

76349

PLUG,9/16" - 18 ORB

Assy, Incl 3

2шт.

5

237-6010

O-RING,0.097" Thk x 0.755" ID, -910, Cl 6, 90 Duro

1шт.

6

86512512

PLUG,7/8" - 14 ORB

Assy, Incl 5

1шт.

7

106564A1

SCREW

Rear Case

4шт.

8

84377228

PLATE

M35, Support

2шт.

9

132357A1

HEX SOC SCREW

Head

4шт.

10

132391A1

BEARING, NEEDLE

Stainless

1шт.

11

238-5210

O-RING,0.139" Thk x 0.734" ID, -210, Cl 5, 75 Duro

4шт.

12

237-6008

O-RING,0.087" Thk x 0.644" ID, -908, Cl 6, 90 Duro

4шт.

Выбрано товаров: 12