Запчасти Case SR175 (29.218.AO[08]) - TANDEM HYDROSTATIC PUMP, 35CC DISPLACEMENT CONTROL, REAR (SR130 - SV185) (29) - HYDROSTATIC DRIVE

Схема запчастей Case SR175 - (29.218.AO[08]) - TANDEM HYDROSTATIC PUMP, 35CC DISPLACEMENT CONTROL, REAR (SR130 - SV185) (29) - HYDROSTATIC DRIVE
14
18
10
12
2
9
4
15
15
9
11
1
3
8
5
13
7
4
17
16
3
6
8
7
29.218.ao 07
2
FIT
1:1
100%

Артикул

Название

Примечание

Количество

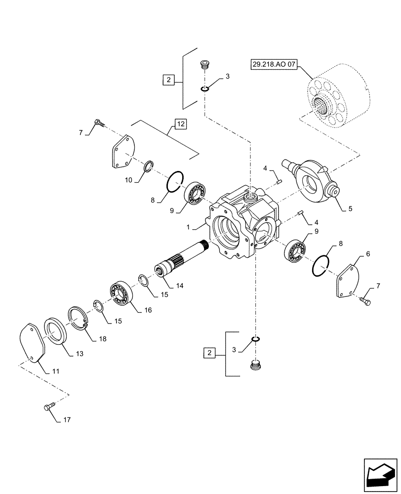
1

84388320

HOUSING

Rear

1шт.

2

9841223

PLUG,1-1/16" - 12 ORB

Incl 3

1шт.

3

167266

O-RING,0.116" Thk x 0.924" ID, -912, Cl 6, 90 Duro

1шт.

4

87012464

SPECIAL PIN,9.499mm OD x 12.7mm OAL

Dowel, Knurled

2шт.

5

84388310

SWASH PLATE

M35

1шт.

6

H438310

COVER

Sauer

1шт.

7

43232

BOLT,Hex, M8 x 16mm, Cl 10.9

Cap

4шт.

8

239-5146

O-RING,Square, 0.094" Thk x 2.612" ID, -146, Cl 5, 75 Duro

1шт.

9

241590A1

BEARING ASSY

Taper

1шт.

10

87012457

SEAL,23.7mm ID x 38.27mm OD x 6.4mm Thk

2шт.

11

NSS

NOT SOLD SEPARAT

Cover

1шт.

12

84388659

COVER ASSY

Trunion W/ Seal, Incl 10

1шт.

13

NSS

NOT SOLD SEPARAT

Seal

1шт.

14

84388321

SHAFT

Rear

1шт.

15

100-11137

SNAP RING,#137, Ext

1шт.

16

A29183

BALL BEARING,34.99mm ID x 71.99mm OD x 16.94mm W

1шт.

17

NSS

NOT SOLD SEPARAT

Screw

1шт.

18

103-21281

SNAP RING,66.92mm ID x 2.36mm W, Int

1шт.

Выбрано товаров: 18