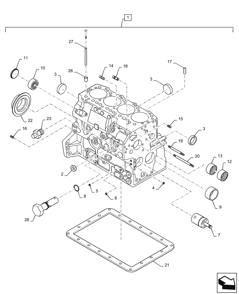
Запчасти Case SR175 (10.101.AA) - CYLINDER BLOCK (10) - ENGINE

Схема запчастей Case SR175 - (10.101.AA) - CYLINDER BLOCK (10) - ENGINE
3
1
16
21
17
10
5
23
14
13
9
15
28
11
3
18
26
20
3
22
12
6
7
2
27
4
19
8
FIT
1:1
100%

Артикул

Название

Примечание

Количество

1

SBA133734

ENGINE,44kW, 2.22L, 4 Cylinders, W/ Turbocharger

Long Block; Engine Does Not Include Flywheel, Starter, Flywheel Housing, Cooling Fan, Fan Belt, Fan Pulley, Alternator Or Mounting Parts, Oil Cooler

1шт.

1

SBA133734R

REMAN-REPLACEMENT EN

Reman Long Block

1шт.

1

SBA133734C

CORE-ENGINE

Core Return Number

1шт.

1

SBA133734ER

REMAN-REPLACEMENT EN

Reman Long Block

1шт.

1

SBA133734EPAC

CORE-EPA ENGINE

EPA Core Return Number

1шт.

1

NSS

NOT SOLD SEPARAT

Cylinder Block

1шт.

2

SBA064210025

PLUG,25mm

2шт.

3

SBA064210040

CAP

5шт.

4

SBA198466010

PLUG

8.4mm

3шт.

5

SBA198466020

PLUG

10.4mm

2шт.

6

SBA198466030

PLUG

6.5 x 7mm

4шт.

7

SBA165296220

SHAFT

Idler Gear

1шт.

8

SBA052109113

O-RING,2.4mm Thk x 9.8mm ID

1шт.

9

SBA198517222

BUSHING

Standard

1шт.

9

SBA198517226

BUSHING

.1" (.25mm) u/s

1шт.

9

SBA198517229

BUSHING

.2" (.5mm) u/s

1шт.

10

SBA040106203

BALL BEARING,17mm ID x 40mm OD x 12mm W

1шт.

11

SBA064100045

PLUG

Expansion

1шт.

12

SBA042309018

NEEDLE BEARING

1шт.

13

SBA042309017

NEEDLE BEARING

1шт.

14

SBA030500612

DOWEL

2шт.

15

SBA030500616

DOWEL,M6 x 16

2шт.

16

SBA030501025

BALL STUD,M10 x 25 L

2шт.

17

SBA030309005

PIN

Spring

2шт.

18

SBA012100820

STUD

3шт.

19

SBA012110660

STUD

1шт.

20

SBA012110635

STUD

1шт.

21

SBA110996860

GASKET

1шт.

22

SBA050209083

SEAL

1шт.

23

SBA064500020

PLUG

Cock

1шт.

26

SBA120116160

TAPPET

8шт.

27

SBA120456310

PUSH ROD

8шт.

28

SBA140036220

VALVE PRESSURE RELIE

1шт.

Выбрано товаров: 33