Запчасти Case SR175 (10.202.AB) - AIR CLEANER, ENGINE (10) - ENGINE

Схема запчастей Case SR175 - (10.202.AB) - AIR CLEANER, ENGINE (10) - ENGINE
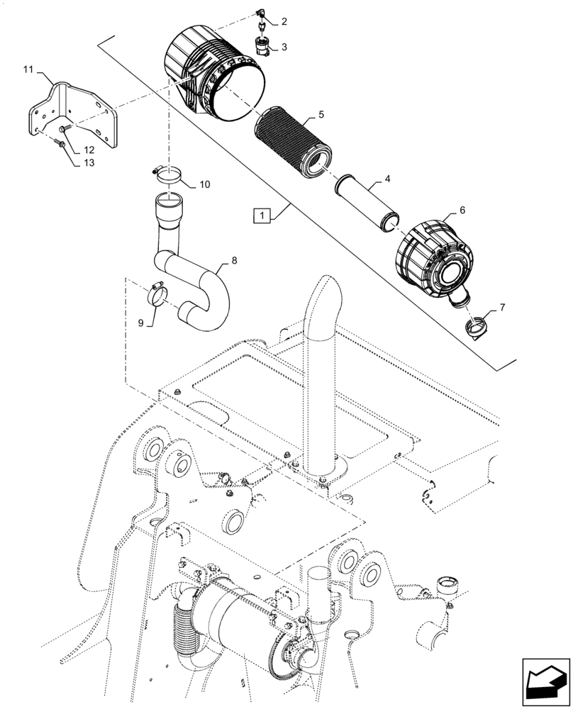
3
9
2
12
7
10
13
11
8
1
5
6
4
FIT
1:1
100%

Артикул

Название

Примечание

Количество

1

47658607

AIR CLEANER

Assy, Incl 2 - 7

1шт.

2

217-1227

ELBOW,90 Degree, 1/8"-27 Male

1шт.

3

84552308

SENSOR

Air Restriction Indicator

1шт.

4

86982523

AIR FILTER

Secondary

1шт.

5

86982522

AIR FILTER

Primary

1шт.

6

440831A1

FILTER COVER

Access

1шт.

7

A184597

VALVE POPPET,1.93" ID x 2.24" OD x 1.84" L

Vacuator

1шт.

8

47651236

HOSE

Air Cleaner to Turbo

1шт.

9

86050202

HOSE CLAMP,1.59” - 2.5”, Worm Gear

1шт.

10

86625032

HOSE CLAMP,88.9mm ID - 65mm ID

1шт.

11

47645991

BRACKET

Air Cleaner Mounting

1шт.

12

9671714

FLANGE BOLT,Hex, M8 x 1.25 x 25mm, Cl 8.8

2шт.

13

87016557

SELF-TAP SCREW,Hex, M8 x 1.25 x 25mm

3шт.

Выбрано товаров: 13